Топливная система Common Rail BOSCH КАМАЗ
Компоненты системы Common Rail

Датчики частоты вращения

Зазор между датчиком и зубом максимум 2 мм.
Форма сигнала с датчика коленчатого вала
Важно соблюдать полярность подключения!


Колесо коленвала – количество зубьев 60-2. Колесо распредвала – количество зубьев 8+1.
Взаимная установка колес коленчатого и распределительного валов.
Синхронизация сигналов с датчиков коленчатого и распределительного валов.

Допустимое рассогласование между сигналами 12° по коленвалу.
Пример рассогласования сигналов с датчиков
Ошибка SPN 190 FMI 7.
“Рассогласование между сигналами датчиков частоты вращения коленчатого и распределительного валов.”
Колесо распредвала опережает колесо коленвала на 60 градусов по коленвалу (или на 30 градусов по распредвалу)

Датчик температуры охлаждающей жидкости
TF-W

Диапазон измерений:
-40°С...130 °С
Границы сигнала с датчика
U_Max=4931 mV
U_Min=196 mV
Датчик температуры и давления топлива
DS-K-TF

Диапазон измерений по температуре:
-40°С...125 °С
по давлению:
50...1000 kPa
Границы сигнала
с датчика температуры
U_Max=4931 mV
U_Min=196 mV
с датчика давления
U_Max=4800 mV
U_Min=200 mV
Датчик температуры и давления масла

Границы сигнала
с датчика температуры
U_Max=4931 mV
U_Min=224 mV
с датчика давления
U_Max=4921 mV
U_Min=215 mV
Датчик давления и температуры над. воздуха
DS-LDF6T

Диапазон измерений
по температуре: -40°С...130°С
по давлению: 50...400 kPa
Границы сигнала
с датчика температуры
U_Max=4931 mV
U_Min=210 mV
с датчика давления
U_Max=4800 mV
U_Min=180 mV
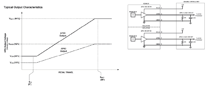
Педаль газа - Williams Controls Pedal 135099

Features:
20° Angular Rotation
Ceramic Contact Sensor
Dual APS output
Electronics IP66 Sealed
+5V Operation
-40°C to + 85°C Operation
AMP 6-Pin Connector
Характеристика датчика педали газа 135099

Границы сигналов с датчиков педали газа
U1_Max=4472 mV
U1_Min=547 mV
U2_Max=2272 mV
U2_Min=273 mV
|U1-2xU2|_Max=550-650 mV
Реакция на неисправность педали газа:
- обороты двигателя =1000 об/мин;
- двигатель не реагирует на нажатие педали газа.
Датчики педали сцепления и тормоза

Неисправность датчика педали тормоза:
- одинаковое состояние основного и вспомогательного датчиков.
Неисправность датчика педали сцепления:
- 10 раз автомобиль разогнался от 0 до 15 км/ч без нажатия на педаль сцепления.
Устройство круиз-контроль

Диагностика устройства круиз-контроль:
- в течении 2.5с после включения зажигания все клавиши должны быть не нажаты;
- неправдоподобное нажатие на клавиши.
Приборная панель AMETEK

Передаются по стандарту SAE J1939:
- обороты двигателя
- давление масла
- температура охлаждающей жидкости
- активные ошибки в системе
Недостатки:
- не отображает ошибки в памяти;
- нельзя очистить память ошибок.
Моторный тормоз

Работа моторного тормоза:
При нажатии на кнопку включения моторного тормоза закрывается воздушная заслонка на выпускной трубе, если обороты двигателя больше, чем обороты х.х.+300об/мин (~900об/мин), до тех пор пока обороты двигателя не упадут ниже, чем обороты х.х.+200об/мин (~800об/мин)
При нажатой кнопке моторного тормоза двигатель не реагирует на нажатие на педаль газа!.
Контур низкого давления CP3.4

Насос СР 3.4


Регулятор подачи топлива (Metering Unit)

Инжектор CRIN2

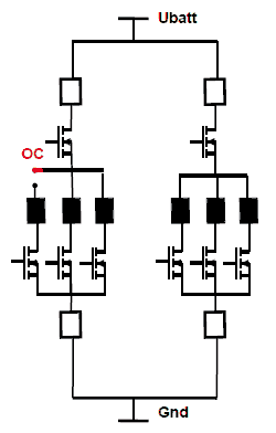
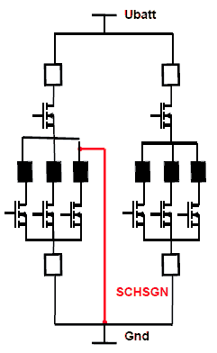
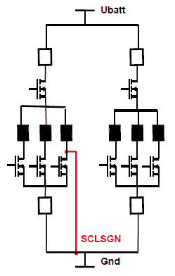
Диагностика инжекторов
- Обрыв цепи (OC)

- Short Circuit Coil (SCHSLS)

- Short Circuit High Side to Battery (SCHSBA)

- Short Circuit High Side to Ground (SCHSGN)

- Short Circuit Low Side to Battery (SCLSBA)

- Short Circuit Low Side to Ground (SCLSGN)

Аккумулятор давления (Rail)

Датчик давления топлива в рэйле

Диапазон измерений:
от 0 до 180 МРа
Границы сигнала с дачика:
U_Max=4843 mV
U_Min=259 mV
Предохранительный клапан давления в Rail

Открывается при давлении 180 Mpa. После открытия клапана давление в рейле поддерживается 75-85 Mpa.
Обеспечивает работу системы в аварийном режиме.
Расчитан на 50 срабатываний или 300 минут работы в аварийном режиме.
Структура моментов

Преимущества моментной структуры
