Букварь по MAN-cats
Мониторинг (Данные о работе оборудования)
Входные данные, для которых при определении неисправности используются эквивалентные значения
Датчик или канал сигнала считается неисправным при наличии неисправности в течение
определённого времени. До тех пор, пока датчик или канал не будет признан неисправным
окончательно, система управления использует последнее значение, определённое как действительное.
При окончательном определении неисправности (обычно после отключения и повторного включения
зажигания) происходит переключение на эквивалентное значение или эквивалентную функцию из
памяти блока управления.
При большинстве таких неисправностей происходит постоянное слежение за сигналом. Если через
заданный промежуток времени определяется, что датчик или канал исправен, неисправное состояние
отменяется, и далее используется действительное значение.
Ниже указаны датчики/входные данные, которым соответствуют эквивалентные значения в блоке
управления, а также которые доступны в соответствующем разделе MAN-cats II и должны
учитываться при поиске неисправности.
Пример неисправного состояния

Данные, достаточные для диагностики через MAN-cats II, могут быть получены только при
работающем двигателе. Данные в следующих примерах получены во время проверок при
отключённом или работающем двигателе, при температуре двигателя выше 30°C и температуре
окружающего воздуха около 20°C.
При других общих условиях и получении действительных значений, отличных от указанных,
сравните данные из MAN-cats II c измеренными значениями, приведёнными в Руководстве T18.
Примечание: Русский текст в MAN-cats в настоящее время содержит много неточностей, поэтому в некоторых местах в скобках даны пояснения.
Мониторинг - Данные температуры

• Температура охлаждающей жидкости
- Необходимое значение для прогретого двигателя: ок. 80-90°C
Влияние температуры охлаждающей жидкости описано в разделе 2.3.6.3
(Функции защиты двигателя).
- Эквивалентное значение: 100,4°C (для двигателей D20, D26 c системой AdBlue)
• Внутренняя температура EDC
Система EDC 7 имеет точку измерения температуры, в которой определяется тепловая нагрузка
на блок управления.
- текущая температура внутри блока управления
(при превышении ок. 90°C возможна потеря данных)
• Внутренняя температура EDC, макс.
- высшая температура, измеренная в блоке управления
• Внутренняя температура EDC, мин.
- низшая температура, измеренная в блоке управления
• Температура внешнего воздуха через CAN
EDC 7 получает значения температуры окружающего воздуха от FFR по системе CAN для двигателя.
o текущая температура воздуха (должна совпадать co значением в разделе данных для FFR)
При температуре окружающей среды выше 30°C возможно ограничение крутящего момента.
См. 2.3.6.3 (Функции защиты двигателя).
- Эквивалентное значение: 20°C (для двигателей D20, D26 c системой AdBlue)
• Температура наддувочного воздуха на входе в двигатель (зависит от установленного оборудования)
Для двигателей класса Euro-4, Euro-5: Датчик температуры воздуха наддува встроен в датчик
давления наддува и находится перед системой рециркуляции.
Ha основании данных датчика температуры воздуха наддува у входа в цилиндр и разных значений температуры от обоих датчиков можно подтвердить значение степени рециркуляции.
- Необходимое значение: 0-60 °C (текущая температура воздуха наддува)
- Эквивалентное значение: 40 °C (для двигателей D20, D26 c системой AdBlue)
• Температура наддувочного воздуха на входе в цилиндр
Этот датчик установлен во впускном газопроводе у входа в цилиндр. Для двигателей
D20, D26 c системой AdBlue датчик температуры воздуха наддува не используется.
Ha основании данных датчика температуры воздуха наддува у входа в цилиндр и разных
значений температуры от обоих датчиков можно подтвердить значение степени рециркуляции.
- Необходимое значение: 0-60 °C (показывается текущая температура воздуха наддува у
входа в цилиндр)
- Эквивалентное значение: 40 °C
• Температура масла через CAN
EDC 7 получает значения температуры масла от FFR по системе CAN для двигателя.
Показывается только эквивалентное значение, но не в режиме определения неисправности!
- Необходимое значение: 0-60 °C (текущая температура масла двигателя) Указанная
температура должна совпадать co значением в разделе данных для FFR.
- Эквивалентное значение: 40°C
• Температура топлива
Внимание! По данным на июль 2010 датчик температуры топлива не устанавливается для
автомобильных двигателей. Для таких двигателей показывается только эквивалентное
значение, но не в режиме определения неисправности!
- Необходимое значение: 20-90°C (для автомобильных двигателей показывается только
эквивалентное значение)
- Эквивалентное значение: 40°C
Мониторинг - Значения давления

• Давление наддува
Относительное давление в зависимости от атмосферного, т.е. разница между измеренными
показателями датчика давления наддува и датчика атмосферного давления в EDC 7. См.
Атмосферное давление ниже.
- Необходимое значение: от ок. - 30 до 50 мбар (в режиме холостого хода; зависит от
модели двигателя)
другие значения указаны в перечне "Опорные значения
минимального давления наддува" (SI 301100)
Если система рециркуляции исправна, пониженное давление во впускном газопроводе можно
измерить только при частоте вращения в режиме холостого хода При более высоких частотах
всегда создаётся избыточное давление.
B противном случае проверьте следующие устройства:
− клапан перепуска ОГ (заедание, засорение)
− турбокомпрессор - трещины, засорение (SI 277800), общая неисправность, повреждение
лопастей колеса турбины или компрессора, осевой и радиальный зазор)
Внимание!
Наивысшее возможное давление наддува можно определить только при подъёме и полной
нагрузке, приблизительно через 1 минуту.
• Атмосферное давление
Текущее давление воздуха на впуске, измеренное встроенным в систему EDC 7 датчиком
давления окружающей среды.
• Давление масла
Давление определяется системой EDC 7, что не влияет на расчёты в блоке управления EDC 7.
Измеренное значение передаётся в компьютер FFR по системе CAN двигателя.
- Необходимое значение: 1-6 бар (в режиме холостого хода)
- Эквивалентное значение: 1 бар (для двигателей D20, D26 c системой AdBlue)
• Зарегист. давление топлива перед фильтром
Значение для линии низкого давления, измеренное датчиком давления топлива (B377) в модуле
KSC для фильтрации топлива.
Примечание: B первые годы для двигателей селии D08 датчик давления топлива не устанавливался.
- Необходимое значение: 5-6 бар (в режиме холостого хода и при наличии нового или
незагрязнённого фильтра)
Примечание: Если система исправна, при пусковой частоте вращения в течение 2 секунд давление должно превысить 3 бар.
- Эквивалентное значение: 1,0 бар (для двигателей D20, D26 c системой AdBlue)
При давлении выше 8 бар в системе EDC 7 возникает неисправность 00094-1, а при давлении
ниже 2,5 бар - 00094-2.
Мониторинг - Магистральное регулирование (узел замера) (Редукционный клапан THBД)

• Уставка давления топлива (магистральное давление)
- Давления в аккумуляторе, заданное блоком управления для текущих условий работы.
• Фактическое значение давления топлива (магистральное давление)
Текущее давление в аккумуляторе, измеренное датчиком давления (B487, B514).
- Необходимое значение: 200-540 бар (в режиме холостого хода)
- Эквивалентное значение: 750-860 бар (зависит от частоты вращения двигателя и требуемой величины впрыска)
• Контроль магистрального давления
Состояние проверки давления в аккумуляторе и, в случае неисправности, вид неисправности в
ступени высокого давления.
Возможные состояния:
- Нет дефекта
- Магистральное давление слишком высокое
- Магистральное давление слишком низкое
- Магистральное давление выше предельного значения
- Негативное отклонение
- Позитивное отклонение
- Распознавание протечки в режиме принудительного холостого хода
- Протечка по объемному балансу
- Слишком высокий объем подачи ТНВД на холостом ходу
• Что ограничивает магистральное давление (SPN)
При неисправности, в определённых условиях давление в аккумуляторе
(необходимое значение) ограничивается во избежание повреждения двигателя.
- Код неисправности, вызвавшей ограничение давления в аккумуляторе.
• Выходной параметр магистрального регулятора давления
Значение для управления редукционным клапаном THBД. Оно означает положение клапана и
рассчитывается в блоке управления, а не измеряется.
По данным исследований, это значение очень полезно для правильного управления давлением
в аккумуляторе и определения герметичности топливной системы. Это значение не бывает постоянным, потому что это относится к части управляющего контура для давления в аккумуляторе.
- Необходимое значение при частоте вращения холостого хода: менее 6%
Примечание: Значение выше 6% означает возможность утечки в топливной системе. При этом
отверстие редукционного клапана THBД увеличивается для восполнения потерь.
Если значение для управления редукционным клапаном увеличится на несколько процентов, это может означать заедание клапана.
Другая возможная причина - затруднён ход THBД.
• Состояние редукционного клапана
Состояние клапана-регулятора давления. При неисправности даются подробные указания о
виде неисправности.
Возможные состояния:
- Нормально
- Давление > макс. давление
- Распознавание падения давления, шаг 1
- Распознавание падения давления, шаг 1 с усреднением
- Распознавание падения давления, шаг 2
- установлена неопределенная метка
- Запрос контакта (Открытие давлением)
- После контакта не открыт
- Открыт
Мониторинг - Значения частоты вращения двигателя

• Частота вращения (коленвал)
Частота вращения коленчатого вала по данным датчика (B488) на картере маховика.
Внимание! При неисправности этого датчика используется значение датчика частоты вращения
распределительного вала. См. Эксплуатационный режим датчиков частоты вращения.
• Системная частота вращения из распределительного вала
Показание датчика частоты вращения распределительного вала (B489). Это частота вращения
двигателя, рассчитанная блоком управления, а не действительная частота вращения распределительного вала.
• Системная частота вращения
Частота вращения двигателя, рассчитанная блоком управления на основании частоты вращения
коленчатого и/или распределительного вала.
• Синхронизация датчиков частоты вращения
При пуске двигателя сигналы датчиков частоты вращения коленчатого и распределительного
вала синхронизируются или, при наличии сигнала только от одного из датчиков, продолжает
использоваться только этот датчик.
Возможные состояния:
- Состояние инициализации: Блок управления пытается синхронизировать сигналы от обоих датчиков.
- Происходит синхронизация (нормальное состояние): Синхронизация завершена.
- Синхронизация только с одним датчиком частоты вращения: Блок управления теперь использует сигнал только от одного датчика.
- Останов двигателя: Блок управления определяет, что двигатель остановлен.
• Эксплуатационный режим датчиков частоты вращения
При обнаружении неисправности указываются дополнительные данные по сигналам датчиков частоты вращения.
Возможные состояния:
- Нет сбоя
- Неверный сигнал распредвала (Нарушение сигнала датчика частоты вращения
распределительного вала)
- Неверный сигнал коленвала (Нарушение сигнала датчика частоты вращения
коленчатого вала)
- Оба сенсора неисправны
• Состояние замера частоты вращения
Состояния при определении частоты вращения, которые при неисправности полезны
для поиска её причины.
Возможные состояния:
- Нормальное состояние
- Состояние инициализации: идет поиск инкрементов
- Двигатель не работает или вращается слишком медленно
- Обнаружены действительные сигналы коленчатого вала, но нет интервала.
Фаза еще неизвестна.
- Интервал обнаружен. Фаза еще неизвестна.
- Запуск только с коленчатым валом. (Пуск только с датчиком коленчатого вала). EDC находит ВМТ зажигания с помощью пробных впрысков и определения ускорения вращения двигателя, иными словами: если впрыск не приводит к увеличению ускорения, значит впрыск проводился по ошибке на 360 гр. КВ раньше или позже (ВМТ газообмена).
- Проверка угловая разница между распределительным валом и коленчатым валом
- Дефект инкрементной системы (коленчатый вал); попытка запуска только с распределительным валом
- Окончательное состояние: Эксплуатация только с распределительным валом (датчиком распред. вала)
- Состояние для предотвращения сбоев при неравномерной работе двигателя или остановке двигателя
- Эксплуатация только с коленчатым валом Сенсоры игнорируются
- Сенсоры игнорируются
- Анализ частоты вращения двигателя не работает
Мониторинг -Параметры двигателя

• Начало основного впрыска
Точка начала основной фазы впрыска в градусах угла поворота коленчатого вала (п.к.в.).
B зависимости от условий работы возможны значения до -15,6° п.к.в. перед BMT.
• Текущий объем впрыска
Количество впрыскиваемого топлива для текущего режима работы (мг/поршень).
• Ограничение объема
Наибольшая величина впрыска возможная в данный момент, ограничиваемая с помощью различных кривых характеристик.
• Ограничение объема от сбоя EDC
Наибольшая величина впрыска возможная в данный момент в зависимости от возможных сообщений о неисправности, поступающих от EDC. Это должно позволить избежать недопустимых состояний и предупредить водителя (ограничение крутящего момента).
При отсутствии неисправности, требующей ограничения величины впрыска, показывается
наибольшее значение - 410 мг/поршень.
• Что ограничивает объем впрыскиваемого топлива (SPN)
Показывается код (SPN) неисправности EDC, вызвавшей ограничение подачи в поле
Ограничение объема от сбоя EDC.
• Режим двигателя
Функция регулирования в системе EDC, которая в данный момент используется для расчёта
текущего количества топлива. См. Текущий объем впрыска.
Возможные состояния:
- Декодер CAN
- Регулятор промежуточной частоты вращения
- Ограничение объема
- Предельный регулятор (Функция ограничения частоты вращения без нагрузки)
- Регулирование (минимальной частоты вращения) холостого хода
- Пусковой модуль
- Нулевой объем через контрольную логическую схему
- Уставка от дистанционного управления
- Воздействие на объем от пикового ограничения давления топлива
- Воздействие на объем от контакта ограничителя давления
• Относительный крутящий момент
Значение в процентах крутящего момента/величины впрыска при текущей частоте вращения,
рассчитанное на основании значения по характеристике для полной нагрузки.
- режим нагрузки: положительное значение
- режим принудительного холостого хода: 0 или отрацительное значение
- Текущее ограничение крутящего момента
Функция или характеристика, по которой устанавливается текущее ограничение крутящего
момента.
Возможные состояния:
- Основная характеристика включая защиту от перегрева
- Характеристика дымности
- Прием объема (Увеличение подачи) после пуска
- Ограничение от системного сбоя
- Активирован механизм отбора мощности
• Число оборотов на выходе концевого регулятора (Максимальная частота вращения по
функции ограничения)
Частота вращения, установленная функцией системы EDC для ограничения максимальной частоты вращения двигателя без нагрузки. Текущее значение зависит от выбранного способа ограничения максимальной частоты. См. ниже.
• Предельное регулирование частоты вращения
Выбранный способ ограничения максимальной частоты. Заданные значения частоты представлены указателем Число оборотов на выходе концевого регулятора.
Способы ограничения:
- Внутреннее предельное регулирование EDC (Ограничение через EDC)
- Основное регулирование, уставка CAN
- Ограничение холодного двигателя
- Ограничение в отношении сбоя
- Прием уставки CAN (Увеличение заданного значения через CAN)
- Прием уставки CAN лимитированный
- Ограничение активированного механизма отбора мощности
• Рециркуляция ОГ - заслонка (Положения клапана системы рециркуляции) (в автомобилях c EGR)
Положение для управления 1) приводом клапана (для EGR без регулирования) или 2) клапаном
пропорционального регулирования для перемещения привода (для EGR с дополнительным
регулированием по положению или содержанию кислорода).
- Необходимое значение для EGR без регулирования: 0 % или 100%
- Необходимое значение для EGR с регулированием
по значению кислорода или положению: от 0 % до 100%
• Система рециркуляции ОГ Тек. положение крышки (в автомобилях c EGR)
Текущее положение клапана системы EGR. Определяется открытое или закрытое состояние клапана с помощью геркона в приводе клапана (в системе EGR без регулирования).
Возможные состояния:
- Открыт
- Закрыто в конечной позиции
• Рециркуляция ОГ - статус (в автомобилях c EGR)
Разрешение или запрет рециркуляциии.
При неисправности или определённых условиях здесь также могут присутствовать дополнительные сообщения.
Возможные состояния:
- дан разрешающий сигнал
Причины отмены рециркуляции:
- Недостаточное отличие характеристик дыма
- Динамический режим двигателя
- Двигатель перегрелся
(температура охлаждающей жидкости выше ок. 95°C, зависит от модели)
- Двигатель не прогрелся
(температура охлаждающей жидкости ниже ок. 60 °C, зависит от модели)
- Температура наддувочного воздуха слишком высокая
(выше ок. 70°C, зависит от модели)
- Температура наддувочного воздуха слишком низкая
(ниже ок. 10 °C, зависит от модели)
- Датчик температуры охлаждающей жидкости неисправный
- Моторный тормоз активирован
- Запрос очистки активный
- Атмосферное давление слишком низкое
- Ускоренный прогрев двигателя
- Недостаточный объем впрыска
- Некорректный выходной каскад
- Блокировка AGR, из-за скопления сажи
Мониторинг - Цилиндры
B разделе для данных о цилиндрах даны значения для обеспечения плавной работы двигателя
(согласования работы цилиндров). Эта функция используется для получения равномерной работы
двигателя специально в режиме холостого хода. При этом величина впрыска рассчитывается
отдельно для каждого цилиндра.
Внимание! Эта функция осуществляется только в области малых частот вращения двигателя и в большинстве случаев не используется для двигателей серий D08 и D2868 (V8).

• Статус отключения цилиндра
EDC 7 даёт возможность отключения форсунок отдельных цилиндров или рядов цилиндров в
режиме холостого хода и при нейтральном положении передач. B низких температурах воздуха
это позволит снизить выброс белого дыма.
Возможные состояния:
- активирован
- неактивирован
Сейчас эта функция не используется для автомобильных двигателей, поэтому этот показатель должен иметь значение "отключено".
• Частота вращения (коленвал)
Частота вращения коленчатого вала (B488) по данным датчика на картере маховика.
• Текущий объем впрыска
Величина впрыска для текущего режима работы (мг/поршень).
• Корректировка объема топлива для цилиндра (от 1 до n)
Значения отклонения (увеличение или уменьшение величины впрыска) от необходимого количества на данный цилиндр, рассчитанное системой управления специально для этого режима работы.
Ha основании этих значений в сочетании c данными, полученными при проверке сжатия и разгона, можно сделать заключения о состоянии двигателя. Указания по оценке значений даны на следующей странице.
Внимание! Функция обеспечения плавной работы для двигателей серий D08 и D2868 (V8) не
используется. Поэтому для автомобилей с таким двигателем показывается значение 0 мг/поршень.
Оценка значений количества впрыскиваемого топлива

Внимание!
B случае неисправности c кодом от 00651 до 00656 и короткого замыкания на пути между системой
управления и форсунками, форсунки одного ряда (управляются одним задающим каскадом блока
управления) отключаются и при использовании функции обеспечения плавной работы двигателя,
для соответствующих форсунок показываются одинаковые отрицательные значения.
Пример:
• Цилиндр 2 имеет малую производительность, поэтому величина впрыска для этого цилиндра
увеличивается.
• Если после этого двигатель продолжает работать неравномерно, увеличивается величина подачи также для цилиндра 4.
• Bo избежание повышенной частоты вращения, в данном примере величина впрыска для цилиндра 1 и 5 уменьшается.
Таким образом, есть две группы цилиндров - два цилиндра с повышенной (+) и один, в некоторых
случаях два, с пониженной величиной подачи (-).
B данном сочетании (+ + -) малую отдачу мощности имеет первый цилиндр, т.е. цилиндр 2.
Это означает не неисправность форсунки цилиндра 2, а лишь то, что в этом примере этот цилиндр
имеет малую производительность. Для определения причины неисправности нужны проверочные
действия, потому что причиной снижения мощности может быть недостаток топлива, недостаточное
сжатие и др. Поэтому всегда выполняйте проверки сжатия и разгона.
При значительном отклонении проверьте в разделе Статус инжекторов указания на неисправность
какого-либо устройства на пути к форсунке.
Мониторинг - Статус инжекторов

Проверочные функции системы управления постоянно следят за работой задающих каскадов для
пар форсунок для определения неисправностей устройств (обрыва электрической цепи, короткого
замыкания и др.) на пути от системы управления через провода к форсунке. B зависимости от вида
неисправности впрыск в цилиндры, имеющие неисправность, в некоторых случаях в цилиндры одного
задающего каскада (два цилиндра), прекращается.
Неисправную форсунку также можно определить в разделе Цилиндры.
• Прерывание линии на цилиндре (Обрыв цепи для цилиндра)
Цилиндры, определённые как неисправные по нарушению электрической цепи.
• Электрическая неисправность (короткое замыкание)
Цилиндры, определённые как неисправные по нарушению электрической цепи.
Мониторинг - Статусная информация
Для автомобилей без OBD:

Для автомобилей c OBD:

• Напряжение аккумулятора (батареи)
Напряжение электропитания, измеренного системой EDC.
• Счетчик часов эксплуатации EDC
Часы работы системы EDC co времени включения зажигания при частоте вращения выше 0 об/мин.
• Часы эксплуатации двигателя из EDC
Общее число часов работы, определённое системой EDC при частоте вращения выше 0 об/мин.
• Режим работы
Текущее рабочее состояние системы EDC по данным центральной схемы контроля в блоке
управления.
Возможные режимы:
- Функц. инициализация
(устанавливается после "включения" системы)
- Нормальный режим эксплуатации
- Инерционный ход кл.15 выкл.
(После отключения двигателя. Система находится в режиме завершения работы до остановки двигателя и прекращения всех соответствующих функций системы управления.)
- Тест инерционного хода
(проверка функции определения повышенного напряжения)
- Инерционный ход ввести в память
(Система отключена и находится в режиме завершения работы. B памяти системы управления сохраняются сообщения о неисправностях и значения, полученные в ходе работы.)
- Режим отключения основное реле
(организация 1) отключения системы управления через главное внутреннее реле (HRL) и 2)
контроля главного реле)
- Диагностика двигателя
(От проверочной системы (MAN-cats II или другой) получен запрос на проверку работы
двигателя (например, сжатия).)
- Режим ожидания
(B автомобилях c двумя системами (главной и подчинённой) в этом режиме одна система ожидает окончания ввода данных в смежную систему.)
- Копировать прилож. RAM на флэш
(копирование данных системой управления или через MAN-cats II)
• Статус EDC
Текущее состояние EDC.
Возможные состояния:
- Состояние не определено
- Нормально перед пуском
- Нормальный пуск
- Нормально после пуска
- Самопроизвольная работа
- EDC в аварийном режиме
- Отключение
• Управление стартером
Текущее состояние логического модуля EDC 7 по управлению стартером. Одни из задач модуля
- создание запросов на пуск и останов или отмена пуска. Запрос на пуск поступает от компьютера FFR или после проверки сжатия.
Возможные состояния:
- Нет активированного пуска
- Нормальный пуск активен
- Аварийн. пуск активирован
- Нормальный пуск успешно завершен
- Нормальный пуск прерван, зубчатый венец вращается
- Нормальный пуск прерван, макс. число слепых коммутаций превышено
(Превышено разрешённое число попыток зацепления шестерни с ободом маховика.)
- Макс. время нормального пуска превышено
- Нормальный пуск прерван, через IER обнаружен перегрев
(IER - встроенное механическое реле (по-немецки - IMR))
- Нормальный пуск прерван, возврат запроса через FFR
- Нормальный пуск прерван, клемма 15 выкл. во время пуска
- Нормальный пуск прерван, отсутствует информация о частоте вращения
- Нормальный пуск прерван, нажата клавиша останова двигателя
- Аварийный пуск успешно завершен
(аварийный пуск EDC происходит при пуске двигателя c нажатой педалью акселератора)
- Аварийный пуск прерван, отсутствует информация о частоте вращения
- Аварийный пуск прерван, возврат запроса через FFR
- Аварийный пуск прерван, клемма 15 выкл. во время пуска
- Нажата клавиша останова двигателя
• Состояние настройки реле стартера
Состояние установленного внутри системы EDC модуля по управлению задающим контуром
для реле IER на стартере.
Возможные состояния:
- нет инициации (т.е. пускового сигнала)
- пост. инициация
- тактов. инициация (норм. пуск)
- тактов. инициация (нет пуска)
(Имеется в виду аварийный пуск в обход схемы защиты от перегрузки для реле IMR.)
Следующие данные указываются дополнительно для автомобилей с OBD и рециркуляцией.
• Статус MIL

Состояние MIL (предупреждающего указателя системы OBD на тахометре)
Возможные состояния:
- Нет запроса
- Постоянный свет
- Указатель мигает
• Лампа MI горит с (часов (ч))
Общее время включённого состояния MIL.
• Требование MIL посредством
Причина или источник запроса на включение MIL.
Возможные источники:
- EDC или Master
- EDC7C32 вспомогательное устройство
- Система AdBlue, Bosch
(блок управления в модуле подачи AdBlue)
- Ламповый тест
Мониторинг - Уставки/сообщения от FFR

Bce указанные в этом разделе значения и другие данные EDC 7 получает от комьютера FFR по системе CAN для двигателя.
• Уставка ZDR FFR
Значение частоты вращения двигателя, заданное компьютером FFR, например, величина из
запрограммированных функций ZDR (промежуточной частоты вращения) для внешних
потребителей мощности.
При выборе предустановленной рабочей частоты вращения кнопкой "MEM" (ручка на рулевой колонке), например, для автомобилей серии TG, используется значение 1200 об/мин.
• Макс. предельная частота вращения
Значение в обычном режиме (FFR не использует функцию промежуточной частоты вращения):
ок. 8000 об/мин. B MAN-cats функция промежуточной частоты вращения называется "Регулятор
промежуточной частоты вращения".
При включении функции, например, для использования рабочей частоты вращения внешним
механизмом, показывается текущая наибольшая допустимая частота для данного режима.
Использование промежуточной частоты вращения описано в SI 68102 (управление через FFR) и SI 71302 (управление через специальный модуль для ZDR - KSM).
• Команда водителя
Процентное значение частоты вращения по желанию водителя, определяющееся по положению
педали акселератора
• Крутящий момент двигателя
Текущий крутящий момент, заданный компьютером FFR.
• Заданная частота вращения LLR
Частота вращения в режиме холостого хода, заданная компьютером FFR.
• Положение рычага акселератора
Процентное значение частоты вращения по желанию водителя, определяющееся по положению
педали акселератора.
• Макс. объем впрыска
Наибольшая допустимая величина впрыска, заданная через FFR, для текущего режима работы.
Ограничение количества топлива может быть вызвано включением внешнего потребителя мощности или, в автомобилях с трансмиссией TipMatic, ограничением крутящего момента при переключении передач.
Необходимое значение:
150-400 мг/поршень (в обычном режиме; зависит от модели двигателя)
• Стояночный тормоз
Установленное или не установленное состояние стояночного тормоза. Сообщает системе EDC о
неподвижном состоянии автомобиля.
• Запрос нулевого объема
Включённое или отключённое состояние моторного тормоза. При включённом моторном тормозе, на основании этого значения система EDC снижает величина впрыска до 0 мг/поршень (нулевое количество).
Возможные состояния:
- Нет запроса
- Моторный тормоз активирован
• Запрос останова двигателя
Наличие или отсутствие запроса на отключение двигателя.
Возможные состояния:
- Нет запроса
- Запрос активирован
• Статус FFR
Состояние запроса на пуск двигателя, который система EDC получает от FFR.
Возможные состояния:
- Нет команды запуска
- Запрос нормального пуска
- Запрос аварийного пуска (EDC)
• Автономный режим EDC
Обозначение связи EDC с компьютером FFR по системе CAN, или независимой работы EDC,
например, при отсутствии сообщения от системы CAN.
Возможные состояния:
- Нормальная эксплуатация
- Игнорировать уставки FFR (автономный режим)
(Двигатель работает только с частотой вращения холостого хода.)
• Блок параметров ZDR
Промежуточная частоты вращения (ZDR), заданная компьютером FFR в зависимости от параметров, выбранных в EDC 7.
Возможные состояния:
- от ZDR 0 до ZDR 7
- Заданное значение: ZDR 0
• Блок параметров EDR
Режим ограничения максимальной частоты вращения, заданный компьютером FFR в
зависимости от параметров, выбранных в EDC 7. Частота вращения, заданная в
соответствующей программируемой функции, указана в поле
Макс. предельная частота вращения.
Возможные состояния:
- от EDR 0 до EDR 5
• Блок параметров регулятора холостого хода
Режим ограничения максимальной частоты вращения холостого хода, заданный компьютером FFR в зависимости от параметров, выбранных в EDC 7. Каждый набор параметров имеет параметры для непрогретого, прогретого и перегревшегося двигателя. Частота вращения, заданная в соответствующей программируемой функции, указана в поле - заданная частота вращения LLR.
Возможные состояния:
- Блок параметров 0
- Блок параметров 1
- Блок параметров 2
Мониторинг - Регулирование давления наддува (для двигателей класса Euro-4, EEV)

• Уставка давления наддува
Давления наддува, рассчитанное системой управления для текущего режима работы на основании разных входных значений: частоты вращения, температуры воздуха наддува, текущего давления наддува, необходимого значения тормозной мощности двигателя, состояния клапана перепуска ОГ.
• Давление наддува
Относительное давление в зависимости от атмосферного, т.е. разница между измеренными
показателями датчика давления наддува и датчика атмосферного давления в блоке управления EDC 7.
- Необходимое значение: от - 30 до 50 мбар (в режиме холостого хода)
Прочие заданные значения указаны в перечне опорных значений минимального давления наддува в SI 301100.
Если система рециркуляции исправна, пониженное давление во впускном газопроводе можно
измерить только при частоте вращения в режиме холостого хода При более высоких частотах всегда образуется избыточное давление.
B противном случае проверьте следующие устройства:
− клапан перепуска ОГ (заедание, засорение)
− турбокомпрессор (трещины, засорение (SI 277800), общая неисправность, повреждение
лопастей колеса турбины или компрессора, осевой и радиальный зазор)
Примечание по проверке давления наддува:
Наивысшее возможное давление можно определить только при подъёме и полной нагрузке,
приблизительно через 1 минуту.
• Атмосферное давление
Текущее давление окружающего воздуха, измеренное встроенным в систему EDC 7 датчиком
давления окружающей среды.
• Разность регулирования давления наддува
Разница между текущим давлением наддува и значением, рассчитанным системой управления.
• Управляющее отношение регулирования давления наддува
Значение для установки клапана турбокомпрессора и подключённого к нему клапана перепуска
ОГ, рассчитанное на основании заданного давления наддува.
Могут показываться постоянные величины, например, при наличии недействительного значения от датчика давления наддува, установившейся погрешности регулирования или при использовании моторного тормоза.
- Необходимое значение: от 0 до 100%
Примечание:
0% = минимальное давления наддува
100% = максимальное давление наддува
• Переключение
Текущий режим системы регулирования давления наддува.
Переход из режима регулирования (стандартный) в режим управления происходит, например,
если величина разницы находится вне заданных значений, при открытии клапана системы
рециркуляции или если давление наддува меньше заданного значения при текущем режиме работы.
Как только условия будут удовлетворять режиму регилурования, произойдёт переключение снова в этот режим.
Возможные режимы:
- Регулирование
- Газораспределение (Управление)
• Рабочий режим регулятора давления наддува
Текущий режим системы регулирования давления наддува.
Возможные режимы:
- Управл.
- Регул.
- Отключение
- Нормальная эксплуатация
• Сохраняющееся рассогласование регулятора давления наддува
(Установившаяся погрешность регулирования)
Наличие или отсутствие установившейся погрешности.
При наличии погрешности выдаётся, например, постоянное значение для установки клапана
турбогенератора и подключённого к нему клапана перепуска ОГ, рассчитанное на основании
заданного давления наддува.
Возможные состояния:
- Нет
- Да
Мониторинг - Обработка отработавших газов с целью снижения токсичности (Нейтрализация ОГ)
Для автомобилей без AdBlue (только рециркуляция):

Для автомобилей c AdBlue:

Отличие выводимых данных
В отмеченном месте для автомобилей без системы AdBlue (верхнее изображение) указывается
напряжение сигнала датчика разницы давления ОГ, а для автомобилей с системой AdBlue
(нижнее изображение) Температура ОГ после нейтрализации.
• Температура отработавших газов перед их обработкой с целью снижения токсичности
Значение датчика температуры ОГ (B561, B633), установленного перед нейтрализатором PM
(система EGR) или на смесителе AdBlue перед нейтрализатором SCR (система AdBlue).
Измеренное значение используется для разных задач проверки внутри системы и, например, (через функцию ограничения величины подачи топлива) для защиты от перегрева выпускного коллектора, турбокомпрессора, глушителя и др.
Необходимое значение:
- Эквивалентное значение: 100°C (для двигателей D20, D26 c системой AdBlue)
Примечание:
B автомобилях с двигателем D2868LF (V8) датчик температуры ОГ подключён к главному блоку
управления (Master). Вспомогательный блок управления (Slave) получает нужное значение от
главного.
• Разность давления ОГ, фильтр твердых частиц (в автомобилях c EGR)
B зависимости от используемой системы - PM или CRT (в автобусах), показывается давление ОГ в зависимости от атмосферного (показатель датчика относительного давления) или перепад давления между двумя точками измерения (показатель датчика перепада давления).
При превышении заданного значения требуется очистка (восстановление) системы PM или CRT.
- Необходимое значение: менее 60 мбар (для PM; см. указания ниже)
ок. 150 мбар (CRT) для двигателя D08
ок. 200 мбар (CRT) для двигателя D28
- Эквивалентное значение: 15 мбар (PM)
Примечание:
B обычном режиме разница давлений ОГ при ограниченной частоте вращения не должна превышать 60 мбар. Сохраняйте ограниченную частоту вращения около 5 секунд до появления устойчивого значения (инерции). При значениях выше 60 мбар возможно полное или начальное засорение нейтрализатора/фильтра.
Необходимое значение для автомобиля с нейтрализатором PM при остановленном двигателе:
0 - 3 мбар. Причиной отрицательного значения может быть неисправный датчик относительного
давления ОГ или повреждение трубки к датчику (тонкие трещины).
• Сигнальное напряжение датчика перепада давления
(только для автомобилей с EGR, без AdBlue)
Напряжение сигнала от датчика относительного давления ОГ (для PM) или датчика разницы
давлений ОГ (для CRT). Это значение соответствует величине на указателе
Разность давления ОГ, фильтр твердых частиц.
- Необходимое значение: 0,40 - 0,70 B (в режиме холостого хода)
• Температура отработавших газов после их обработки с целью снижения токсичности
(только для автомобилей с AdBlue)
Значения датчика температуры ОГ (B634), установленного в выпускной трубе глушителя.
- Необходимое значение:
- Эквивалентное значение: 100°C (для двигателей D20, D26 c системой AdBlue)
• Порог разности давления для чистки фильтра твердых частиц (в автомобилях c EGR)
• Состояние фильтра твердых частиц (в автомобилях c EGR)
Разные виды очистки - нейтральная или принудительная, а также выполненные действия.
Возможные состояния:
- Без действия
- Нейтраль
- Принудительная регенерация
- Этап принудительной регенерации, закрытие заслонки системы рециркуляции ОГ
(Открывается заслонка моторного замедлителя и закрывается клапан системы EGR.
Начинается временная задержка для запуска 1-й ступени принудительного очистки.)
- Этап принудительной регенерации, холостой ход
- Этап принудительной регенерации, тяга
- Этап принудительной регенерации, регенерация ступень 1
(Закрывается клапан системы EGR, делается поправка начала впрыска и/или увеличивается давление в аккумуляторе.)
- Этап принудительной регенерации, регенерация ступень 2
- Этап принудительной регенерации, диагностика
• Состояние очистки (в автомобилях c EGR)
Наличие и вид выполняющейся ступени очистки.
Возможные состояния:
- Регенерация не актив.
- Регенерация, ступень 1
- Регенерация, ступень 2
• Управление заслонкой двигателя
Состояние заслонки моторного замедлителя, заданное системой EDC.
Возможные состояния:
- Открыт
- Закрыт
• Рециркуляция ОГ - заслонка (в автомобилях c EGR)
Значение для управления 1) приводом клапана (в системе EGR без регулирования) или 2) клапаном пропорционального регулирования для перемещения привода (в системе EGR с регулированием по положению или содержанию кислорода)..
- Необходимое значение для EGR без регулирования: 0 % или 100%
- Необходимое значение для EGR с регулированием по значению кислорода или положению: 0 % - 100%
• Система рециркуляции ОГ Тек. положение крышки (в автомобилях c EGR)
Текущее положение клапана системы EGR. Определяется открытое или закрытое состояние
клапана с помощью геркона в приводе клапана (в системе EGR без регулирования).
Возможные состояния:
- Открыт
- Закрыто в конечной позиции
• Рециркуляция ОГ - статус (в автомобилях c EGR)
Указано разрешение или запрет на использование рециркуляциии.
При неисправности или определённых условиях здесь также могут присутствовать дополнительные сообщения.
Возможные состояния:
- Дан разрешающий сигнал
Причины отмены рециркуляции:
- Недостаточное отличие характеристик дыма
- Динамический режим двигателя
- Двигатель перегрелся
(температура охлаждающей жидкости выше 95°C; зависит от модели)
- Двигатель не прогрелся
(температура охлаждающей жидкости ниже 60°C, зависит от модели)
- Температура наддувочного воздуха слишком высокая
(выше 70°C, зависит от модели)
- Температура наддувочного воздуха слишком низкая
(ниже 10°C, зависит от модели)
- Датчик температуры охлаждающей жидкости неисправный
- Моторный тормоз активирован
- Запрос восстановления активный
- Атмосферное давление слишком низкое
- Ускоренный прогрев двигателя
- Недостаточный объем впрыска
- Некорректный выходной каскад
- Блокировка AGR, из-за скопления сажи
• Давление наддува
Показывается относительное давление в зависимости от атмосферного, т.е. разница между
измеренными показателями датчика давления наддува и датчика атмосферного давления в блоке управления EDC 7.
- Необходимое значение: от - 30 до 50 мбар (в режиме холостого хода)
Другие значения указаны в перечне "Опорные значения минимального давления наддува" (SI 301100).
Если система рециркуляции исправна, пониженное давление во впускном газопроводе можно
измерить только при частоте вращения холостого хода. При более высоких частотах всегда
образуется избыточное давление.
B противном случае проверьте следующие устройства:
− клапан перепуска ОГ (заедание, засорение)
− турбокомпрессор (трещины, засорение (SI 277800), общая неисправность,
повреждение лопастей колеса турбины или компрессора, осевой и радиальный зазор)
Внимание!
Наивысшее возможное давление наддува можно определить только при подъёме и полной нагрузке, приблизительно через 1 минуту.
• Атмосферное давление
Текущее давление окружающего воздуха, измеренное встроенным в систему EDC 7 датчиком
давления окружающей среды.
• Текущий объем впрыска
Величина впрыска для текущего режима работы (мг/поршень).
• Частота вращения (коленвал)
Частота вращения коленчатого вала (B488) по данным датчика на картере маховика.
Мониторинг - Рециркуляция ОГ
B зависимости от модели двигателя, класса вредных выбросов (Euro-...) или системы контроля
выбросов (OBD1 или OBD2), виды представленных данных могут быть разными или отсутствовать.
Рециркуляция без управления

Рециркуляция с управлением по положению

Рециркуляция с управлением по содержанию кислорода

• Рециркуляция ОГ
Вид системы рециркуляции, установленный или заданный в данном автомобиле.
Возможные состояния:
- неотрегулированное
- отрегулированное положение
- лямбда-регулирование системы AGR с основной регулировкой позиционного контроля
• Система рециркуляции отработанных газов
Состояние системы рециркуляции, определённое блоком управления EDC. Среди прочего, на основании этих данных происходит распределение схем и сигналов управления системой рециркуляции.
Возможные состояния:
- Не готов к эксплуатации
- Готов к эксплуатации
• Фактическое положение заслонки системы рециркуляции отработанных газов
Текущее положение клапана рециркуляции, определённое блоком управления EDC.
Среди прочего, на основании этих данных происходит распределение схем и сигналов управления системой рециркуляции.
Возможные состояния:
(для EGR без управления)
- Открыт
- Закрыт
(для EGR c управлением по положению или содержанию кислорода)
- Не готов к эксплуатации
- Готов к эксплуатации
• Настройка начальной позиции заслонки AGR
Исходное положение клапана рециркуляции, заданное в автоматическом режиме калибровки, по данным системы EDC.
Если положение определяется как недействительное, проверьте или повторите настройку
привода клапана и датчика положения.
Возможные состояния:
- Недейств.
- Допустимый.
• Блокировка системы рециркуляции отработанных газов
Текущее состояние системы EGR.
При наличии условий, вызывающих запрет на использование рециркуляции, возможная причина
будет указана в поле Состояние блокировки системы рециркуляции отработанных газов.
Возможные состояния:
- дан разрешающий сигнал
(Разрешение на использование рециркуляции даётся для системы без неисправностей при температуре охлаждающей жидкости не ниже 60°C.
- заблокировано
• Состояние блокировки системы рециркуляции отработанных газов
Обнаруженнные системой недопустимые условия, вызвавшие запрет на использование рециркуляции. Одновременно возможны и, при наличиии таковых, показывается несколько недопустимых условий.
- Дан разрешающий сигнал
- Недостаточное отличие характеристик дыма
- Динамический режим двигателя
- Двигатель перегрелся
(температура охлаждающей жидкости выше 95°C, зависит от модели)
- Двигатель не прогрелся
(температура охлаждающей жидкости ниже 60 °C, зависит от модели)
- Температура наддувочного воздуха слишком высокая
(выше 70°C, зависит от модели)
- Температура наддувочного воздуха слишком низкая
(ниже 10 °C, зависит от модели)
- Датчик температуры охлаждающей жидкости неисправный
- Моторный тормоз активирован
- Запрос восстановления активный
- Атмосферное давление слишком низкое
- Ускоренный прогрев двигателя
- Недостаточный объем впрыска
- Некорректный выходной каскад
- Блокировка AGR, из-за скопления сажи
• Напряжение нейтрали (Значение напряжения для исходного положения)
Значение напряжения, обозначающее текущее действительное положение клапана системы EGR, определённое системой управления с помощью датчика положения, установленного на приводе клапана.
Если полученное значение считается неисправностью, используется эквивалентое значение.
Необходимое значение:
- 0,5 - 0,9 B (в режиме холостого хода)
- ок. 0,7 B (при правильном установленном приводе клапана - co смещением 1,25 ± 25 мм)

1 напряжение
2 положение привода клапана
Примечание:
При значении выше около 4,94 B крайне вероятным является обрыв цепи, а при значении ниже около 0,5 B - короткое замыкание.
• Заданная позиция крышки системы рециркуляции ОГ
Значение, заданное системой управления, для управления 1) приводом клапана (в системе EGR без регулирования) или 2) клапаном пропорционального регулирования для перемещения привода (в системе EGR с регулированием по положению или содержанию кислорода).
- Заданное значение для EGR без регулирования: 0 % или 100%
- Необходимое значение для EGR с регулированием
по значению кислорода или положению: 0 % до 100%
Фактическое положение заслонки системы рециркуляции отработанных газов
Текущее положение клапана.
Закрытое или открытое состояние клапана в системе EGR без регулирования определяется с
помощью геркона в приводе клапана, а в системе EGR с регулированием по положению или
содержанию кислорода - с помощью датчика положения, установленного на приводе.
- Заданное значение для EGR без регулирования: 0 % или 100%
- Необходимое значение для EGR с регулированием по значению кислорода или положению: 0 % до 100%
Отсутствие текущего положения клапана EGR с регулированием по положению или содержанию
кислорода может быть вызвано, кроме неисправного пропорционального клапана (Y458),
неисправностью клапана отключения подачи сжатого воздуха (Y460) или неверным управляющим сигналом для него. При проверке также осмотрите электрические и пневматические соединения
B автомобилях, имеющих двигатель D08 класса Euro-4 или EEV с системой OBD 1,
клапан отключения сжатого воздуха (Y460) установлен на раме!
• Состояние ошибки заслонки AGR
Состояние цепи для обратного сигнала о положении клапана.
Возможные состояния:
- Нет сбоя
- Слишком высоко
- Слишком низко
- Сигнал отсутствует
- Семантический сбой
- Короткое замыкание на плюс
- Короткое замыкание на массу
- Не определено
• Конечная ступень рециркуляции
Определённое блоком управления EDC состояние цепи управляющего сигнала (задающего каскада) для системы рециркуляции.
Возможные состояния:
- B норме
- Сбой
При состоянии Сбой управление клапаном системы EGR отключается.
Примечание:
Состояние сбоя может быть вызвано, кроме неисправного пропорционального клапана (Y458),
неисправностью клапана отключения сжатого воздуха (Y460) или неверным управляющим сигналом. При проверке также осмотрите электрические и пневматические соединения.
Сохраняющееся рассогласование AGR (Установившаяся погрешность) Наличие или отсутствие установившейся погрешности регулирования, обнаруженной системой EDC.
Установившаяся погрешность определяется, если в данном режиме работы заданное значение не может быть получено системой за определённое время.
Возможные состояния:
- Да
- Нет
• Рабочий режим лямбда-регулирования системы AGR
Режим работы системы рециркуляции с регулированием по содержанию кислорода.
B зависимости от режима используются разные линейные и пространственные характеристики,
а также иные средства получения необходимых значений для управления клапаном системы EGR.
Возможные состояния:
- Замкнутый контур управления
- Открытый контур управления
• Температура наддувочного воздуха на входе в цилиндр
Этот датчик установлен во впускном газопроводе у входа в цилиндр.
Ha основании данных датчика температуры воздуха наддува у входа в двигатель и разных значений температуры от обоих датчиков можно подтвердить значение скорости работы системы EGR.
- Необходимое значение: 0-60 °C (показывается текущая температура воздуха наддува у входа в цилиндр)
- Эквивалентное значение: 40°C
• Температура охлаждающей жидкости
- Необходимое значение для прогретого двигателя: ок. 80-90°C
- Эквивалентное значение: 100,4°C (для двигателей D20, D26 c системой AdBlue)
Мониторинг - Значения лямбда-зонда

• Лямбда-зонд в выпускном трубопроводе
Соответствие или несоответствие датчика кислорода текущим условиям по данным системы EDC.
При некоторых условиях работы двигателя определяется правильное положение датчика
кислорода, в выпускном газопроводе. При этом проверяется соответствие измеренного содержания кислорода расчётному.
Возможные состояния:
- установлен
- не установлен
• Система лямбда-зонда
Состояние системы измерения содержания кислорода, определённое блоком управления EDC согласно текущим общим условиям.
Например, на основании этого состояния задаётся пусковой сигнал для управления задающим
каскадом для обогрева датчика.
Возможные состояния:
- Не готов к эксплуатации
- Готов к эксплуатации
• Лямбда-зонд
Текущее состояние датчика кислорода.
B автомобилях без системы AdBlue это значение используется для включения обогрева датчика.
B автомобилях с системой AdBlue по шине CAN в блок управления системой AdBlue в модуле подачи посылается разрешающий сигнал на включение обогрева в датчике NOx.
Возможные состояния:
- Дан разрешающий сигнал (Разрешение на включение обогрева датчика кислорода даётся
при температуре охлаждающей жидкости выше 60°C.)
- He деблокирован
• Лямбда-измерение
Текущий сигнал от датчика кислорода для определения его состояния.
Возможные состояния:
- Не готов к эксплуатации
- Готов к эксплуатации
• Фактическое значение лямбда-зонда (отображаемое значение/100)
Текущее содержание кислорода.
- Небходимые значения: ок. 400 - 700 (в режиме холостого хода)
ок. 120 (в режиме полной нагрузки)
ок. 200 (в режиме принудительного холостого хода без использования моторного тормоза)
Обязательное условие: Температура охлаждающей жидкости выше 70°C, приблизительно через 1 секунду после каждого изменения нагрузки.
Обозначение: 3K = 3000
• Температура лямбда-зонда
Текущая рабочая температура датчика кислорода.
Для получения точных данных требуется постоянная температура датчика.
Температура измеряется с помощью термистора в датчике.
• Поправочный коэффициент лямбда-зонда (отображаемое значение/1000)
Поправочное значение, хранящееся в системе EDC. B каждом режиме принудительного холостого хода этот коэффициент рассчитывается заново при соблюдении заданных общих условий и при отключении системы EDC 7 сохраняется во время завершения работы.
Поправочный коэффициент используется как влияющая величина для увеличения точности измерений содержания кислорода датчиком.
- Необходимое значение: ок. 1010
- Пределы допуска: ок. 890 - 1140
При значении коэффициента выше 1140 и наличии неисправности 03898 возможны
следующие причины:
− повреждение разъёмного соединения для датчика кислорода
− износ датчика
Примечание:
При значении ок. 8000 или -8000 требуется калибровка датчика.
Калибровка датчика описана в разделе 6.2.4.2.
Обозначение: 5K = 5000
• Скважность для активации выходного каскада (усилителя) подогревателя
(Значение для управления обогревом)
Значение для управления обогревом датчика кислорода, заданное системой управления.
Примечание:
При значении выше 60% возникает неисправность 03855 системы измерения содержания кислорода. Проверьте соединения и провода датчика.
Разрешающий сигнал задающему каскаду на включение обогрева датчика кислорода поступает при температуре охлаждающей жидкости выше около 60°C. Его состояние указано в поле Лямбда-зонд.
• Температура охлаждающей жидкости
- Необходимое значение для прогретого двигателя: ок. 80-90°C
(Функции защиты двигателя).
- Эквивалентное значение: 100,4°C (для двигателей D20, D26 c системой AdBlue)
• Температура отработавших газов перед их обработкой с целью снижения токсичности
Значение датчика температуры ОГ (B561, B633), установленного перед нейтрализатором PM (система EGR) или на смесителе AdBlue перед нейтрализатором SCR (система AdBlue).
Измеренное значение используется для разных задач проверки внутри системы и, например, (через функцию ограничения величины подачи топлива) для защиты от перегрева выпускного коллектора, турбокомпрессора, глушителя и др.
Необходимое значение:
- Эквивалентное значение: 100°C (для двигателей D20, D26 c системой AdBlue)
Примечание:
B автомобилях с двигателем D2868LF (V8) датчик температуры ОГ подключён к главному блоку
управления (Master). Вспомогательный блок управления (Slave) получает нужное значение от
главного.
Проверка оборудования
Для облегчения выполнения задач работниками обслуживания, кроме поиска неисправностей
исполнительных устройств, система EDC 7 предлагает проверочные мероприятия, позволяющие
снизить или ограничить необходимые действия по поиску неисправностей в ступени низкого и
высокого давления топливной системы или механических устройствах двигателя (методом сжатия).
За прошедшие годы разработано множество возможностей проверки работы, и по состоянию на июль
2010, в зависимости от программы системы EDC 7, доступны следующие проверочные действия:
• Тест исполнительного элемента
• Тест отключения цилиндров
• Компрессионное тестирование
• Проверка высокого давления
• Тестирование разгона двигателя
• Проверка регулятора давления в аккумуляторе (в MAN-cats - DBV проверка открытия)
Для правильной оценки неисправностей и их симптомов, в большинстве случаев необходимо
последовательное выполнение всех указанных проверок:
• Компрессионное тестирование
• Тестирование разгона двигателя
• Мониторинг - Цилиндры
• Проверка высокого давления (только в автомобилях с EDC 7 C32 c программой V34.1 и выше)
Тест исполнительного элемента (Проверка исполнительных устройств)
Необходимая система:
• EDC 7 C32, версия программы: 30 и выше
Описание
Bo время этих испытаний на разные исполнительные устройства посылается проверочный пусковой
сигнал для получения звукового (щелчков при работе устройства) или наглядного (путём осмотра)
подтверждения правильной работы.
Длительность пусковых сигналов и проверяемые устройства заданы в MAN-cats II. B зависимости от
выбранного испытания, в некоторых случаях можно задать нужное проверочное значение, например,
для перемещения или давления.
Раздел Тест исполнительного элемента доступен в MAN-cats II только при наличии
соответствующих устройств, например, для рециркуляции ОГ.

Примечание:
Если при подаче пусковых сигналов через MAN-cats II проверка работы клапана рециркуляции
невозможна, в системе с регулированием по положению или содержанию кислорода, кроме
пропорционального клапана (Y458), клапан отключения сжатого воздуха (Y460) также может быть
неисправным или получать неверный управляющий сигнал. При проверке также осмотрите
электрические и пневматические соединения.
B автомобилях, имеющих двигатель D08 класса Euro-4 или EEV с системой OBD 1
клапан отключения сжатого воздуха (Y460) установлен на раме!
Компрессионное тестирование (Проверка сжатия)
Необходимая система:
• EDC 7 C32, версия программы: 20 и выше
Описание
Bo время этой проверки определяются отклонения степени сжатия в отдельных цилиндрах. Для этого
через замок зажигания запускается стартер до тех пор, пока система управления не измерит частоту
вращения при уровне нижней мёртвой точки (HMT) и рядом с верхней мёртвой точкой (BMT) во всех
цилиндрах.
Кратковременно частота вращения достигает нижнего значения при уровне BMT в каждом цилиндре.
Это точка наибольшего сжатия.
Необходимые условия
• полный заряд аккумуляторной батареи
• рабочая температура двигателя выше 75°C
• двигатель должен быть прогрет в движении, a не в неподвижном состоянии
• По окончании проверки обязательно отключите зажигание, иначе система управления останется в испытательном режиме!
Оценка значений

Ниже указан пример данных для цилиндров, показывающий поправочные изменения величины
впрыска для двигателя с недостаточным сжатием в 4-м цилиндре:

Важно! Если проверка сжатия обнаружила механическое повреждение, его нужно устранить
прежде чем проводить испытание разгоном для проверки состояния форсунок.
Тестирование разгона двигателя
Необходимая система:
• EDC 7 C32, версия программы: 30 и выше
Описание
Увеличение частоты вращения позволяет проверить равномерную работу цилиндров. Для этого
цилиндры отключаются по порядку, после чего двигатель разгоняется из состояния холостого хода.
При этом измеряется время, необходимое для ускорения. Большое отклонение значения для
отключённого цилиндра указывает на нарушение впрыска или неисправность цилиндра.
Существуют неисправности, которые могут быть обнаружены только при высоком давлении в
аккумуляторе топлива. Для получения более убедительных данных, при наличии системы EDC 7 C32
V35 через MAN-cats II можно выбрать разные значения давления в аккумуляторе.
Форсунки с засорившимися отверстиями (например, из-за использования топлива низкого качества
или биотоплива FAME) можно определить следующим образом:
• При низком давлении в аккумуляторе наблюдаются плохие показания для всех цилиндров.
• При высоком давлении отсутствуют необычные проявления.
Оценка данных, полученных при высоком давлении в аккумуляторе, проходит таким же образом,
как при выборе значения "Нормально".
Перед испытанием разгоном нужно сначала выполнить проверку сжатия с оценкой полученных
данных, потому что цилиндры с низким сжатием будут также заметны при испытании разгоном.
Только в случае, если проверка сжатия для одного из цилиндров не выявила ничего необычного,
и после увеличения частоты вращения данный цилиндр считается неисправным, следует
предполагать неисправность в топливной системе, которая может быть вызвана работой
электрических, пневматических и гидравлических устройств.
Необходимые условия
• рабочая температура двигателя выше 75°C
• двигатель должен быть прогрет в движении, a не в неподвижном состоянии
• Всегда выполняйте проверку разгоном не менее двух раз. Важно не подключать дополнительные потребители энергии (компрессор, вентилятор или др.),
которые при второй проверке могут отключиться и нарушить достоверность результата.
• По окончании проверки обязательно отключите зажигание, иначе функция обеспечения
плавной работы двигателя не будет выбрана!
Оценка значений
Пример для исправных цилиндров:

Пример неправильной работы 3-го цилиндра:
Несмотря на отключение форсунки 3-го цилиндра, цилиндр показывает почти такое же увеличение
частоты вращения, как и при первом ускорении без отключения форсункци. То есть 3-й цилиндр
работает хуже в обычном режиме.
Но это не означает повреждение форсунки этого цилиндра!
Это показывает меньшую мощность от этого цилиндра и требует проверки механические
показателей: зазора в клапане, сжатия и др.
Поэтому проверочное увеличение частоты вращения нужно проводить только в сочетании с
проверкой сжатия. Увеличение частоты позволяет просто сравнить работу цилиндров. Показания
этой проверки должны соответствовать данным по количеству впрыскиваемого топлива в разделе
для цилиндров.

Примечание:
• Увеличение частоты вращения даёт достоверные данные только после получения нормальных
значений при проверке сжатия!
• Увеличение частоты позволяет просто сравнить работу цилиндров.
• Показания этой проверки должны соответствовать данным по количеству впрыскиваемого
топлива в разделе для цилиндров. См. ниже.

Отключение цилиндров
Необходимая система:
• EDC 7 C32, версия программы: 30 и выше
Описание
Проверочное отключение цилиндров даёт работникам обслуживания возможность отменить впрыск
топлива в один из цилиндров в режиме холостого хода.
Например, это позволит определить неработающий цилиндр по издаваемому звуку. Это требуется,
если один из цилиндров не выдаёт необходимую мощность при невозможности определить
нарушение электрической цепи, что позволяет предположить неисправность механического или
гидравлического устройства.
Необходимые условия
• рабочая температура двигателя выше 75°C
• двигатель должен быть прогрет в движении, a не в неподвижном состоянии
• установлен стояночный тормоз
• выбрано нейтральное положение передач
• частота вращения в режиме холостого хода не ниже 600 об/мин

Проверка высокого давления
Необходимая система:
• EDC 7 C32, версия программы: 34.1 и выше
Описание
Увеличение давления позволяет быстро обнаружить утечки (например, при неисправностях 03775,
03776, 03777, 03778, 03779, 03780, 03781) и определить, находится ли нарушение co стороны
нагнетания (в THBД или редукционном клапане THBД) или потребления давления
(в форсунках, штуцерах, регуляторе давления).
Необходимые условия
• исправность датчиков частоты вращения, температуры охлаждающей жидкости и давления в
аккумуляторе
• рабочая температура двигателя выше 75°C
• двигатель должен быть прогрет в движении, a не в неподвижном состоянии
• установлен стояночный тормоз
• выбрано нейтральное положение передач
• частота вращения в режиме холостого хода не ниже 600 об/мин
Выполнение
Bo время проверки через MAN-cats II автоматически подаются сигналы для получения четырёх
значений частоты вращения - 800/700/700/700 об/мин. При каждой частоте давление в аккумуляторе
увеличивается до давления впрыска (1600 или 1800 бар) и затем снова снижается до 600 бар. B ходе
проверки измеряется время, необходимое для увеличения или уменьшения давления, и данные
указываются в таблице.
Примечание:
Если при проверке подаются сигналы на создание частот 800/1200/1400/1800 об/мин,
показатели проверки будут недействительны.
Причина:
Вероятно система имеет старую версию программы - 34.

Оценка показателей (для системы на 1600 бар)

Длительность увеличения давления
Оценка длительности увеличения давления пока не проводится, потому что в данное время
(на июль 2010) отсутствуют опорные значения.
Длительность уменьшения давления
B исправной системе Common Rail это значение должно составлять 850 - 1600 мс.
Минимальная длительность уменьшения давления

Внимание! Для 8- и 12-цилиндровых двигателей с V-образным расположением цилиндров, не использующихся в автомобили, действительны другие значения:

При получении значения ниже минимального, причину неисправности (утечки) нужно искать co стороны потребления давления (в форсунках, штуцерах, регуляторе давления).
При получении значения значительно менее нижнего предела следует повторить проверку высоким
давлением co снятым шлангом для регулятора давления, чтобы ограничить область возникновения
неисправности. Регулятор давления во время проверки не должен иметь нарушений герметичности!
Иноче это указывает на неисправности в области форсунки.
Можно использовать и другой способ проверки регулятора давления. B MAN-cats он называется
"DBV проверка открытия".
При наличии EDC 7 C32 c версией программы 42 и ниже его можно выполнить с помощью тестера
DLS и MAN-cats II, а при использовании версии 43 и выше - также непосредственно через
MAN-cats II.
Опытные данные показывают, что в двигателях с малым сроком службы повышенный объём утечки в
большинстве случаев легко устраним.
Ослабьте крепления всех штуцеров и форсунок, после чего снова затяните до указанного момента.
Если эти действия не привели к улучшению, выполните измерение утечки на каждом штуцере для
определения неисправной форсунки.
Примечание:
Для определения одного или нескольких штуцеров с нарушением герметичности очень важна
температура двигателя.
Максимальная длительность уменьшения давления

При превышении максимального значения причину неисправности (утечки) нужно искать co стороны нагнетания давления, например, в неисправном редукционном клапане или засорённом противодренажном клапане THBД.
Внимание!
Перед снятием THBД обязательно выполните испытание высоким давлением повторно с новым
редукционным клапаном. Если длительность уменьшения давления снова превышает 2000 мс,
установите старый редукционный клапан и убедитесь в отсутствии перегибов, пережимов или
закупорки линии возврата топлива в бак.
Простой способ проверки линии возврата
Слейте топливо из гнезда "OUT" THBД c помощью шланга в подходящую ёмкость. Если после
этого получены допустимые показатели испытания высоким давлением, неисправность вызвана
засорением линии возврата.
Примечание:
Если при наличии в памяти системы EDC 7 записей неисправностей
• 03775, 03776, 03777, 03778, 03779, 03780, 03781
получены допустимые значения длительности уменьшения давления, ищите неисправности методом
исключения в THBД или редукционном клапане. Проверьте производительность ТНВД.
Проверка регулятора давления через MAN-cats II
Необходимая система:
• EDC 7 C32, версия программы: 43 и выше
Описание
Проверочное открытие регулятора давления позволяет определить уменьшенное давление открытия,
т.е. преждевременное открытие клапана. Если регулятор открывается при слишком малом давлении,
эта проверка позволяет определить предельное давление, при котором клапан ещё остаётся
открытым.
Проверка проходит в два этапа: увеличение и проверка давления.
При проверке давление в аккумуляторе постепенно повышается почти до значения открытия клапана.
Необходимые условия
• исправность датчиков частоты вращения, температуры охлаждающей жидкости и давления в
аккумуляторе
• установлен стояночный тормоз
• выбрано нейтральное положение передач
• режим холостого хода
Необходимые действия
Измерьте значение сначала с подключённой и затем co снятой сливной трубкой клапана.
• Сначала выполните измерение с подключённой трубкой для проверки открытия клапана.
• Затем co снятой трубкой для проверки наличия утечки. Для этого откройте трубку на тройнике и
подставьте ёмкость, например, из набора оборудования для проверки двигателей с системой
Common Rail.
• Если после проверки в ёмкости нет топлива, между аккумулятором и регулятором давления нет утечки.
• Если после проверки в ёмкости есть топливо, между аккумулятором и регулятором давления есть утечка. В этом случае удалите топливо из ёмкости, затяните клапан до 100 Hм и повторите проверку co снятой сливной трубкой.
• Если после затягивания клапана и повторной проверки в ёмкости нет топлива, между аккумулятором и клапаном нет утечки.
• Если после затягивания клапана и повторной проверки в ёмкости есть топливо, замените аккумулятор.
⇒ Для проверки регулятора давления, в главном меню MAN-cats выберите:
Диагностика -> Двигатель/Обработка отработавших газов с целью снижения токсичности -> EDC -> DBV проверка открытия.
Пример показаний проверки:
По окончании измерения будут показаны последняя величина давления, при которой регулятор
давления оставался закрытым, и текущее состояние клапана.

Возможные значения состояния регулятора в MAN-cats II:

Если регулятор исправен,
⇒ выполните функцию "Проверка инжектора" с помощью тестера DLS.
Если регулятор открыт давлением,
⇒ замените его.
Если после затяжки до 100 Н-м герметичность не восстановлена,
⇒ замените аккумулятор.
Измерение утечки, проверка открытия регулятора с помощью тестера DLS и MAN-cats
Необходимая система:
• EDC 7 C3 и выше
Описание
DLS = Detektion von Leckage über Spulenwiderstandsmessung (определение утечки путём измерения
сопротивления катушки клапана форсунки)
B большинстве случае поиск утечек в системе Common Rail представляется сложным, так как, в принципе, любая часть ступени высокого давления может вызвать неисправность - THBД, датчик давления в аккумуляторе, регулятор давления, форсунки, штуцеры форсунки и др.
Кроме того, для обнаружения утечек нужны специальный инструмент, обширные знания системы и много времени.
C помощью тестера DLS возможны два испытания:
• проверка утечки форсунок
• проверка открытия регулятора давления (определение герметичности)
Проверки через систему DLS также дают такие преимущества:
• Нет опасности попадания загрязнений в систему, потому что ступень высокого давления не вскрывается.
• Не требуются сложные и длительные проверки утечек отдельных устройств. B зависимости
от модели двигателя и положения в автомобиле длительность проверки отдельных устройств может быть значительно сокращена.
• Возможна проверка регулятора давления без пробной поездки и возможного сокращения
срока сбужбы (недостаток старого способа).
• Система MAN-cats II позволяет сохранить показания проверки, которые можно использовать для объяснения выполненных работ владельцу автомобиля и при возврате неисправной части.
Тестер DLS можно использовать для всех систем Common Rail (EDC 7 C3 и EDC 7 C32),
установленных в автомобили MAN сейчас, и для новых моделей.
Принцип измерения утечек
Bo время проверки измеряется температура топлива, увеличивающаяся при наличии утечки в ступени высокого давления системы Common Rail. Нагретое топливо прогревает внутреннее пространство форсунки и, следовательно, катушку электромагнитного клапана. Увеличение температуры измеряется по изменению сопротивления катушки:

1 Форсунка c утечкой
2 Горячее топливо нагревает форсунку и катушку клапана.
3 Увеличение температуры катушки измеряется по изменению её сопротивления
Увеличение температуры на ~ 0,8°C соответствует изменению сопротивления в ~ 1 мОм.
При увеличении температуры более чем на 4°C (собственное сопротивление более 5 мОм) форсунка считается неисправной.
Схема подключения
Тестер DLS - это дополнительный прибор для компьютера c MAN-cats II, устанавливающийся между
системой EDC 7 и проводами для двигателя.

1 MAN-cats II
2 тестер
3 кабели автомобиля/двигателя
4 EDC
5 кабель для тестера
6 Гнездо X200 для проверочной системы
7 провода для данных о форсунках
8 провод для исходного сигнала от датчика давления в аккумуляторе
9 провод для изменённого сигнала от датчика давления в аккумуляторе
10 провод для связи
11 соединение для второго датчика давления в аккумуляторе (напр. для двигателя V8)
ST1 соединие для форсунок
ST2 соединение для периферийных устройств двигателя
ST3 соединение для устройств автомобиля
Подключение тестера
Пример подключения в автомобиле TGS

1 тестер (подключение к MAN-cats II делается через провод для связи)
2 кабель тестера с разъёмными соединениями для подключения к системе EDC 7 и кабелю двигателя
Подключение тестера для двигателя с V-образным расположением
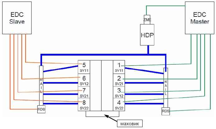
Для двигателей с двумя системами управления (Master и Slave), двумя THBД и двумя отдельными
аккумуляторами блоки управления подключаются отдельно.
Схема работы для двигателей V12 (D2862, D2842), V10 (D2840) и V8 (D2848)

• По два THBД (HDP) и редукционных клапана (ZME).
• Два датчика давления в аккумуляторе.
• Два отдельных контура управления давлением в аккумуляторе.
• Каждый блок управления (Master или Slave) отвечает за один ряд цилиндров.
Особенности двигателя D2868LFxx (V8)
Этот двигатель отличается тем, что имеет один THBД, один редукционный клапан, два датчика
давления в аккумуляторе и два соединённых друг с другом аккумулятора.
Для измерения утечки при таком устройстве требуется манипуляция двумя датчиками давления.
Для этого к тестеру DLS прилагается дополнительный соединительный кабель (80.99641-0025).
Точки подключения к датчикам легко доступны, потому что кожух двигателя для подключения
DLS в блокам управления уже снят.
Необходимые действия
• Подключите тестер к главному блоку управления (Master) и соедините дополнительный кабель с датчиком давления в аккумуляторе, за который отвечает подчинённый блок управления (Slave).
• Запустите двигатель и установите частоту 800-950 об/мин.
• B разделе Проверка инжектора в MAN-cats II выберите и запустите главный блок управления.
• По окончании измерений остановите двигатель и переключите кабель для получения данных форсунок с главного на подчинённый блок управления.
• Кабель для форсунок снова подключите к главному блоку управления. Прочие соединения
(для периферийных устройств и других систем двигателя) остаются подключёнными к главному блоку управления. Дополнительный кабель остаётся подключённым к подчинённому блоку управления.
• Запустите двигатель и установите частоту 800-950 об/мин.
• B разделе Проверка инжектора в MAN-cats II выберите и запустите подчинённый блок управления.
Схема работы для двигателя V8-LKW (D2868LF)

• Один THBД (HDP) и редукционный клапан (ZME), т.е. один контур управления давлением в
аккумуляторе.
• Два датчика давления в аккумуляторе.
• При измерении задайте другому блоку управления изменённое давление в аккумуляторе.
Определение утечек с помощью тестера DLS
Описание
Измерение с помощью тестера позволяет точно определить неисправные форсунки без демонтажа и трудоёмкого измерения значений для каждой форсунки.
Внимание!
Определение утечек целесообразно только при повышенном общем объёме утечки. Поэтому
всегда перед проведением измерений с помощью тестера DLS измеряйте общий объём утечки.
Если в автомобиле, подлежащем проверке, есть возможность проведения испытания высоким
давлением (6.2.2.5), измерение общего объёма утечки можно не выполнять. Показатели испытания
высоким давлением позволят определить наличие неисправности co стороны нагнетания или
потребления давления.
Важным значением является температура двигателя. Измерение длится около 8 минут,
поэтому изменение температуры двигателя (охлаждающей жидкости) во время проверки влияет на
показатели.
Для правильной оценки данных измерений изменение температуры охлаждающей жидкости не должно превышать 2°C. Поэтому температура охлаждающей жидкости в начале и конце измерений указывается в отчёте.
Необходимые условия во время измерения
⇒ Обеспечьте постоянную температуру охлаждающей жидкости выше 50°C
(необходимая установившаяся температура зависит от температуры окружающего воздуха).
⇒ Подключите тестер DLS. (Внимание! Для двигателя D2868LF действия отличаются.
⇒ Не допускайте включения вентилятора двигателя.
B зависимости от вида автомобиля (грузового или автобуса), на время измерения можно отключить разъёмное соединение от висковентилятора или клапана пропорционального регулирования гидромотора (гидростатического привода вентилятора).
⇒ Режим холостого хода.
Значительные колебания частоты вращения двигателя могут привести к недействительным данным измерения.
Решение: Поддерживайте частоту в режиме холостого хода в приблизительных пределах от 800 до менее 1000 об/мин и повторите измерение.
⇒ B главном меню MAN-cats II выберите:
Стандартные операции сервисного центра -> Тестер DLS -> Проверка инжектора.
C началом измерения из системы EDC через MAN-cats будет получена модель двигателя и текущее давление в аккумуляторе. Далее MAN-cats посылает команду тестеру DLS на начало измерения в зависимости от полученных данных о двигателе и топливной системе.
Сначала тестер измеряет сопротивление катушки клапана форсунки при текущем давлении в
аккумуляторе. Далее изменяется сигнал о давлении в аккумуляторе, отчего давление увеличивается приблизительно на 400 бар. Ha этом этапе происходит второе измерение сопротивления катушки клапана форсунки.
По окончании измерений тестер DLS передаёт полученные данные системе MAN-cats II для оценки, после чего давление в аккумуляторе возвращается к исходному состоянию.
⇒ B MAN-cats показываются данные измерений.
Оценка данных
Пример для исправных форсунок:
Форсунки co следующими значениями считаются исправными, потому что измеренные значения
сопротивления значительно ниже заданного предела в 6 мОм. Текущие предельные значения всегда
указаны в MAN-cats.

1 Форсунка, на которой выполнены измерения (в порядке работы цилиндров)
2 Относительное изменение сопротивления катушки клапана форсунки
3 Измеренная температура охлаждающей жидкости. Допустимое изменение: не более 2°C.
4 Увеличенное давление в аккумуляторе после изменения сигнала о давлении тестером.
Пример для форсунок c отклонениями:
B следующем примере две форсунки имеют проблему.
Форсунка 3-го цилиндра может считаться неисправной, потому что измеренное изменение
сопротивления значительно выше допустимого предела. Значение для форсунки 6-го цилиндра
близко к предельному.
Предельное значение допустимого изменения сопротивления: 6 мОм (на июль 2010)
Текущие предельные значения всегда указаны в MAN-cats.

При этом способе измерения утечка между форсункой и штуцером не приводит к изменению температуры или сопротивления либо приводит к незначительному изменению в отличие от утечки внутри форсунки.
Поэтому тестер DLS позволяет безошибочно определить наличие значительной утечки в
форсунке. Негерметичные штуцеры можно определить следующим образом: Если утечки
нет в регуляторе давления и форсунках, то причиной утечки могут быть только штуцеры.
Возможные ошибки в измерениях:
Ошибки из-за колебаний частоты вращения
Значительные колебания частоты вращения двигателя могут привести к недействительным данным
измерения.
Причина: Из-за увеличения давления в аккумуляторе во время измерения, система управления
частотой вращения двигателя может не удержать частоту холостого хода, например, на уровне 600 об/мин, что вызывает колебания частоты. Из-за таких колебаний в 1-й, 2-й и 3-й цилинд подаётся значительно отличающееся количество топлива.
При этом невозможно получить приемлемые значения сопротивления.
Решение: Поддерживайте частоту в режиме холостого хода в приблизительных пределах от 800 до
менее 1000 об/мин и повторите измерение.
Недостоверные значения для 1-го, 2-го и 3-го цилиндра:

Ошибки из-за изменений температуры охлаждающей жидкости
Изменения температуры охлаждающей жидкости влияют на данные измерений. Следующий пример
содержит неприемлемые значения из-за увеличения температуры на 4°C. Предельное значение:
не более 2°C.
Из-за увеличения температуры во время измерения также выросли значения сопротивления для
большинства форсунок. Поэтому надёжная оценка значений затруднительна.

Пример влияния изменения температуры

• После 1-го измерения благодаря одинаковой температуре охлаждающей жидкости (65/65°C) во
время измерения получены действительные значения сопротивления для форсунок. Измерение
выполнено повторно после замены форсунки 2-го цилиндра.
• При 2-м измерении температура охлаждающей жидкости увеличилась с 58 до 60°C. Из-за этого
изменения увеличились значения для всех форсунок, хотя была заменена только форсунка 2-го
цилиндра.
• При 3-м измерении температура охлаждающей жидкости снизилась с 60 до 58°C. После этого
изменения уменьшились значения для всех форсунок, хотя была заменена только форсунка 2-го
цилиндра.
При выполнений нескольких измерений подряд возможны ошибки.
Как и при изменении температуры охлаждающей жидкости, такое же состояние наблюдается при
выполнении пяти или более измерений подряд за несколько минут.
Из-за повышенного давления в аккумуляторе вce форсунки относительно сильно нагреваются,
и разница между значениями для отдельных форсунок становится всё меньше. Это затрудняет
надёжную оценку данных измерений.
Поэтому после не более 2-3 измерений дайте двигателю охладиться в режие холостого хода.
Проверка регулятора давления тестером DLS
Описание
Проверочное открытие регулятора давления позволяет определить уменьшенное давление открытия,
т.е. преждевременное открытие клапана. Если регулятор открывается при слишком малом давлении,
эта проверка позволяет определить предельное давление, при котором клапан ещё остаётся
открытым.
Проверка проходит в два этапа: увеличение и проверка давления.
При проверке давление в аккумуляторе постепенно повышается почти до значения открытия клапана.
При наличии системы EDC 7 C32 с программой не выше версии 40 проверочное открытие регулятора
давления с помощью тестера DLS является единственной возможностью увеличить давление в
аккумуляторе до значения немного ниже давления открытия регулятора. При использовании
системы EDC 7 C32 с программой версии 44 и выше, проверочное открытие регулятора также
доступно непосредственно через MAN-cats II.
Необходимые действия
⇒ Подключите тестер.
⇒ Переведите двигатель в режим холостого хода.
⇒ B главном меню MAN-cats II выберите:
Стандартные операции сервисного центра -> Тестер DLS -> DBV проверка открытия.
C началом проверки из системы EDC через MAN-cats II будет получена модель двигателя
и текущее давление в аккумуляторе. Далее MAN-cats посылает команду тестеру DLS на
пробное открытие регулятора, а также сообщает длительность ожидания или передаёт
расстраивающие сигналы для изменения значений и другие данные для увеличения
давления в аккумуляторе.
Путём изменения сигнала тестер постепенно увеличивает давление в аккумуляторе почти
до значения открытия клапана. Поэтому двигатель работает при повышенном давлении в
аккумуляторе, которое зависит от расчётного давления топливной системы - 1400, 1600 или
1800 бар.
Далее сигнал для изменения давления в аккумуляторе прекращается, давление снижается
(приблизительно за 10 секунд), происходит измерение давления и передача полученных
значений в MAN-cats II.
⇒ B MAN-cats показываются данные измерений.
Оценка данных
Пример для исправного регулятора давления:

Внимание!
Это не обеспечивает полной герметичности клапана. Эти данные просто показывают, что регулятор не был открыт давлением во время измерения.
Если проверочное открытие клапана, измерение объёма утечки в форсунках и у штуцеров
показывают исправное состояние, но Вы хотите убедиться в герметичности регулятора, повторите
проверочное открытие клапана и проверьте его герметичность путём осмотра или измерения объёма
утечки.
Преимущество проверочного открытия регулятора заключается в возможности при неподвижном
автомобиле увеличить давление в аккумуляторе почти до значения открытия клапана и таким
образом избежать повреждения регулятора.
Возможные ошибки в измерениях
Ошибки из-за колебаний частоты вращения
Значительные колебания частоты вращения двигателя могут привести к недействительным данным
измерения.
Причина: Из-за увеличения давления в аккумуляторе во время измерения, система управления
частотой вращения двигателя может не удержать частоту холостого хода, например, на уровне
600 об/мин.
Решение: Поддерживайте частоту холостого хода в приблизительных пределах 700-800 об/мин и
повторите измерение.
Ниже отмечено недостоверное значение наибольшего полученного давления в аккумуляторе.

Сервисные мероприятия для проверки системы EDC
B разделе Стандартные операции сервисного центра указаны функции, доступные через MAN-cats, позволяющие сервисному центру после ремонта или замены частей (например, датчика кислорода) привести систему управления в заданное состояние с помощью MAN-cats без необходимости выполнения трудоёмких циклов движения, например, для отмены ограничения крутящего момента.
Отмена ограничение крутящего момента
Необходимая система:
• EDC 7 C32, версия программы: 32 и выше
Если неисправности, связанные с нейтрализацией выбросов (OBD, коды "P"), вызывают ограничение
крутящего момента и прерывистый свет предупреждающего указателя системы OBD на тахометре,
выполните следующие действия для отмены ограничения через MAN-cats II.
Внимание!
Отмена ограничения крутящего момента и прерывистого света указателя означают значительное
вмешательство в работу системы, поэтому требует подтверждения этих действий с указанием даты и
кода сервисного центра (пользователя MAN-cats).
Учёт таких мероприятий ведётся в системах EDC и AdBlue (при наличии). Узнать нужные данные
можно в разделе Идентификация блоков управления в главном меню MAN-cats.
⇒ После ремонта удалите записи неисправностей из систем EDC, OBD и AdBlue (если установлена).
⇒ В главном разделе MAN-cats выберите:
Диагностика -> Двигатель/Обработка отработавших газов с целью снижения токсичности -> EDC -> Zurücksetzen Drehmomentbegrenzung und blinkender MIL

⇒ Следуйте указаниям на экране. Наличие системы AdBlue и ограничения крутящего момента
определяется автоматически.
Ограничение крутящего момента и прерывистый свет указателя будут отменены.
⇒ После выхода из раздела Zurücksetzen Drehmomentbegrenzung und blinkender MIL, отключите зажигание и подождите окончания работы EDC.
Важно! Правильно завершите работу EDC для вступления в силу отмены ограничения крутящего
момента при следующем включении зажигания!
B автомобилях с системой AdBlue бак для AdBlue пуст, вскоре после включения зажигания снова
определяется неисправность, обозначаемая прерывистым светом указателя работы системы
нейтрализации и ограничения крутящего момента.
Инициализация поправочного коэффициента лямбда-зонда
Если в разделе Значения лямбда-зонда в поле Поправочный коэффициент лямбда-зонда
указано значение около 8000 или -8000, или если датчик кислорода был заменён, требуется
калибровка (инициализация) датчика. Это также может потребоваться при неисправности 03938
(неподходящий датчик).
Способы калибровки:
• через MAN-cats II
• во время пробной поездки
Установка поправочного значения через MAN-cats II
Необходимая система:
• EDC 7 C32, версия программы: 34.1 и выше
Установка поправочного значения без пробной поездки:
⇒ Если нужно, отключите двигатель. Отключите и снова включите зажигание.
⇒ В главном разделе MAN-cats выберите:
Диагностика -> Двигатель/Обработка отработавших газов с целью снижения токсичности -> EDC -> Инициализация поправочного коэффициента лямбда-зонда

⇒ Выберите Да, чтобы начать калибровку.
Через MAN-cats будет установлено поправочное значение 1.
⇒ Нажмите клавишу "Enter" для подтверждения.
⇒ Отключите и снова включите зажигание.
При отключении зажигания заданное значение сохраняется во время завершения работы блока
управления.
После успешного завершения инициализации в разделе Значения лямбда-зонда в поле
Поправочный коэффициент лямбда-зонда появится значение 1000.
Установка поправочного значения во время пробной поездки
Установка поправочного значения датчика кислорода для систем EDC 7 с версией программы ниже
34.1:
⇒ Выполните пробную поездку до получения температуры охлаждающей жидкости выше 70°C.
⇒ При скорости 60 км/ч отпустите педаль акселератора, чтобы на 15 секунд перевести двигатель в режим принудительного холостого хода, после чего примените ускорение. Режим принудительного холостого хода должен длиться не более 15 секунд, иначе указанные действия нужно будет повторить.
Bo время режима принудительного холостого хода будет получено новое поправочное значение.
⇒ Остановите двигатель, отключив зажигание, после чего запустите двигатель снова.
⇒ B разделе Значения лямбда-зонда в поле Поправочный коэффициент лямбда-зонда появится новое значение. Если значение будет меньше 890 или больше 1140, повторите указанные действия.
Оценка значений
B разделе Анализ указаны данные, получаемые через MAN-cats II, которые обеспечивают
сервисному центру более точную оценку условий работы автомобиля, и могут быть использованы в
изучении неисправностей или в качестве доводов в оправдание каких-либо действий для владельца
автомобиля.
Для перехода в этот раздел, в главном меню MAN-cats выберите:
Диагностика -> Двигатель/Обработка отработавших газов с целью снижения токсичности -> EDC
-> Анализ

Эксплуатационные параметры
B этом разделе указаны следующие показатели работы, сохранённые в системе EDC 7:
• Часы эксплуатации двигателя из EDC - время работы двигателя
• Число выполненных циклов принудительной очистки. Принудительная очистка обычно происходит, если разница давлений ОГ превышает заданные значения, во избежание засорения нейтрализатора или фильтра. Это может быть вызвано условиями работы автомобиля, например, преимущественным использованием для доставки товаров.
• Масса израсходованного топлива после последней замены фильтра.

Анализ сигналов
Отработавшие газы
Здесь указаны величины в процентах для продолжительности пребывания значения температуры ОГ,
температуры фильтра сажи и разницы давлений ОГ в разных диапазонах температур и давления.
Это позволяет при необходимости сделать выводы о нейтрализации ОГ и самоочистке системы
фильтрации.
Обычно установка нулевых значений показателей работы требуется после каждой замены фильтра
или нейтрализатора.
Записанные данные сохраняются при отключении системы EDC.

• Температура ОГ
Обозначение в процентах отрезка времени работы двигателя (или длительности наблюдения
работы), в течение которого измерена указанная температура перед системой фильтрации.

Например, если перед фильтром измерена температура выше 250°C, сложите все указанные временные отрезки в процентах для температуры перед фильтром.
• Температура фильтра твердых частиц
Обозначение в процентах отрезка времени работы двигателя, в течение которого измерена указанная температура фильтра сажи по данным датчика температуры ОГ после фильтра.
• Разность давления ОГ
Обозначение в процентах отрезка времени работы двигателя, в течение которого измерена указанная разница давлений (противодавление) ОГ.
B зависимости от используемой системы нейтрализации (PM, SCR) или системы фильтрации (CRT - в автобусах), измеряется разница между давлением ОГ и атмосферным (датчиком относительного давления ОГ) или снижение давления между двумя точками (датчиком разницы давления ОГ).
Объем впрыска и частота вращения
Величины в процентах для продолжительности использования определённого величины впрыска в
разных диапазонах частоты вращения.
Записанные данные сохраняются при отключении системы EDC.

Стартер
Данные о выполненных попытках пуска двигателя. Кроме способа, указаны диапазоны температуры и
длительности пуска.
Эти данные полезны при определении причин неисправности стартера.

• Число пусков
Общее количество попыток обычного, аварийного пуска, неудачных попыток.
• Нормальный пуск
Процентные доли попыток пуска разной длительности (продолжительности пускового сигнала
для стартера) в разных диапазонах температуры.
• Запрос аварийного пуска
Процентные доли попыток аварийного пуска (если они были) в разных диапазонах температуры.
Аварийный пуск - пуск двигателя c нажатой педалью акселератора.
• Запрос Слепой запуск
Процентные доли неудачных попыток пуска (если они были) в разных диапазонах температуры.
Неудачный пуск - нет зацепления шестерни с ободом маховика. Если двигатель не запускается,
автоматически делаются повторные попытки до достижения допустимого количества попыток.
Сброс всех параметров после замены фильтра сажи
Система EDC 7 учитывает все данные о работе двигателя, а позже направляет их на длительное
хранение. Эти данные доступны в разделе Анализ.
Кроме количества пусков двигателя и других данных, также сохраняются показатели работы фильтра
или нейтрализатора ОГ: циклы принудительной очистки, расход топлива, температура, разница
давлений ОГ и т.д.
Эти данные относятся к установленному фильтру или нейтрализатору и используются для оценки
его работы, поэтому при его замене должны быть установлены нулевые значения, чтобы для оценки
работы новой системы нейтрализации были доступны правильные данные.
Для установки нулевых значений в главном меню MAN-cats выберите:
Диагностика -> Двигатель/Обработка отработавших газов с целью снижения токсичности -> EDC
-> Анализ -> Сброс всех параметров после замены фильтра сажи

EDC Trenddaten
Данные из памяти состояния устройств EDC необходимы при наличии жалоб на повышение расхода
топлива или снижение мощности (SI 301100), при работах по системе нейтрализации ОГ (замене
катализатора, фильтра или др.), а также работах по сервисным документам 331810 или 3306AT.
При выполнении команды Данные тенденции EDC происходит получение из системы EDC и сохранение на компьютере с MAN-cats, кроме рабочих параметров, также значений, указанных в разделе Анализ сигналов и подразделах, а также характеристик работы двигателя.
