См. также:
Электросхема Steyr
9080 MT, 9085 MT, 9090 MT, 9095 MT, 9100 MT, 9105 MT
Просматривать и распечатывать все схемы в высоком качесте и описания
могут только пользователи
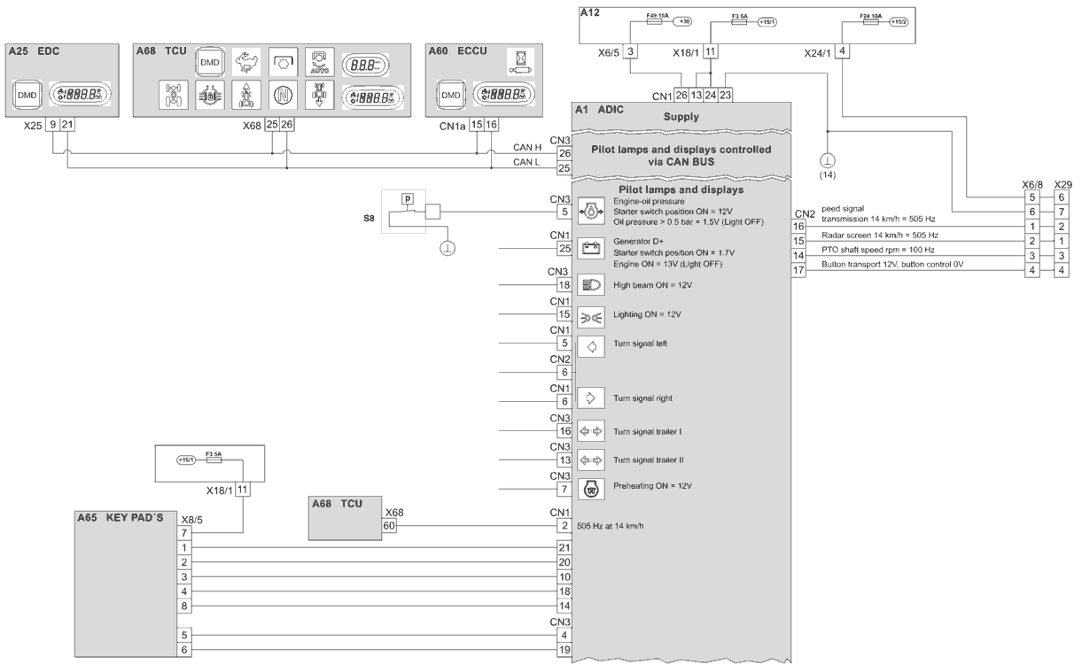
ADIC
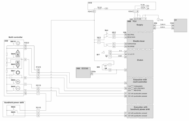
Transmission
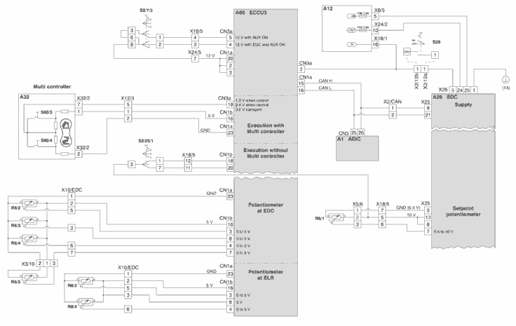
EDC
Transmission

CAN BUS

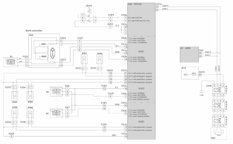
Auxiliary control units

Подписывайтесь на наш канал в Telegram и будьте всегда в курсе самых последних сообщений и публикаций с сайта. |


