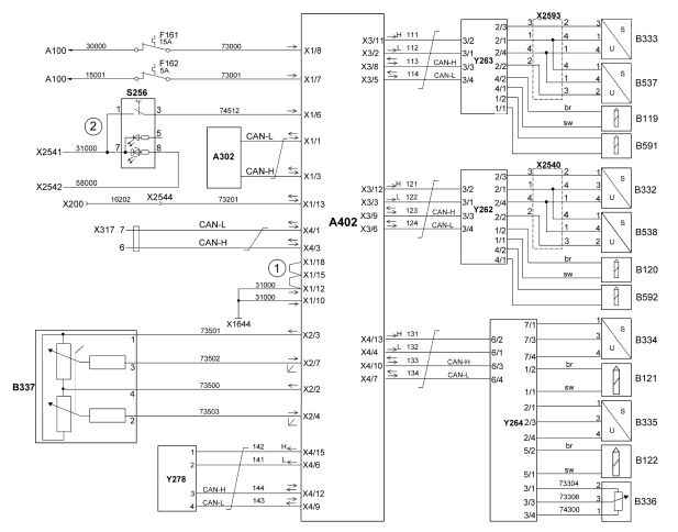
A100 Центральное лектрооборудование
A302 Центральный компьютер 2
A402 Устройство управления EBS
B119 Датчик скорости вращения переднего моста слева
B120 Датчик скорости вращения переднего моста справа
B121 Датчик скорости вращения заднего моста слева
B122 Датчик скорости заднего моста справа
B332 Датчик тормозной накладки 1-моста справа
B333 Датчик тормозной накладки 1-моста слева
B334 Датчик тормозной накладки 2-моста справа
B335 Датчик тормозной накладки 2-моста слева
B336 Датчик ALB заднего моста
B337 Тормозной датчик EBS
F161 Предохранитель EBS/ABS электропитания клапана регулирования давления
F162 Предохранитель управления EBS/ABS
S256 Клавишный переключатель повышения порога проскальзывания ASR
X1644 Точка массы кабины рядом с центральной электрической сетью
X200 Штепсельный разъем 37-конт. Диагностика (MAN-cats)
X2541 Распределитель потенциалов 21-штырьковый Линия 31000
X2542 Распределитель потенциалов 21-штырьковый Линия 58000
X2544 Распределитель потенциалов 21-штырьковый Линия К
X317 Розетка прицепа ABS
Y262 Модуль регулировки давления переднего моста справа
Y263 Модуль регулировки давления переднего моста слева
Y264 Модуль регулировки давления заднего моста
Y278 Модуль управления тормозами прицепа
1 Распознавание выпадения штекера: Пружина короткозамыкателя зафиксирована посредством X1/15 отсека блока управления в подсоединенном состоянии. В неподсоединенном состоянии Pin X1/12 и X1/18 замкнуты накоротко.
2 Для ASR с ESP S256 заменяется на S788.
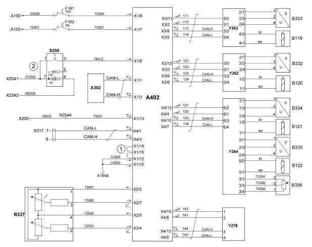
EBS с 3 мостами/4 мостами

A100 Центральная электрическая сеть
A302 Центральный компьютер 2
A402 Блок управления EBS
B119 Датчик частоты вращения переднего моста слева
B120 Датчик частоты вращения переднего моста справа
B121 Датчик частоты вращения заднего моста слева
B122 Датчик частоты вращения заднего моста справа
B332 Датчик тормозной накладки 1-го моста справа
B333 Датчик тормозной накладки 1-го моста слева
B334 Датчик тормозной накладки 2-го моста справа
B335 Датчик тормозной накладки 2-го моста слева
B336 Датчик ALB заднего моста
B337 Тормозной датчик EBS
B529 Датчик тормозной накладки дополнительного моста справа
B530 Датчик тормозной накладки дополнительного моста слева
B537 Датчик тормозной накладки 2-го переднего моста слева (отсутствует в модели с 3 мостами)
B538 Датчик тормозной накладки 2-го переднего моста справа (отсутствует в модели с 3 мостами)
B591 Датчик частоты вращения 2-го переднего моста слева (отсутствует в модели с 3 мостами)
B592 Датчик частоты вращения 2-го переднего моста справа (отсутствует в модели с 3 мостами)
F161 Предохранитель EBS/ABS электропитания клапана регулирования давления
F162 Предохранитель управления EBS/ABS
S256 Кнопка повышения порога проскальзывания ASR
X1644 Точка массы кабины рядом с центральной электрической сетью
X200 Штекерное соединение 37-конт. Диагностика (MAN-cats)
X2431 Датчик-распределитель тормозной накладки слева
X2432 Датчик-распределитель тормозной накладки справа
X2539 Датчик-распределитель тормозной накладки слева
X2540 Датчик-распределитель тормозной накладки справа
X2541 Распределитель потенциалов 21-контактного провода 31000
X2542 Распределитель потенциалов 21-контактного провода 58000
X2544 Распределитель потенциалов 21-контактного К-провода
X317 Розетка прицепа ABS
Y262 Модуль регулировки давления переднего моста справа
Y263 Модуль регулировки давления переднего моста слева
Y264 Модуль регулировки давления заднего моста
Y278 Модуль управления прицепа
1 Распознавание выпадения штекера: Пружина короткозамыкателя зафиксирована посредством X1/15 отсека блока управления в подсоединенном состоянии. В неподсоединенном состоянии Pin X1/12 и X1/18 замкнуты накоротко.
2 Для ASR с ESP S256 заменяется на S788.