Описание селекторов передач DW-3 и ERGO II
ZF- ERGOPOWER (4 WG-190/210)
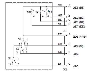
СЕЛЕКТОР DW-3

F = ВПЕРЁД
N = НЕЙТРАЛЬ
R = ЗАДНИЙ ХОД
D = МЕХАНИЧЕСКАЯ НЕЙТРАЛЬНАЯ БЛОКИРОВКА
1 = 1-АЯ ПЕРЕДАЧА
2 = 2-АЯ ПЕРЕДАЧА
3 = 3-ЬЯ ПЕРЕДАЧА
4 = 4-АЯ ПЕРЕДАЧА
КОДИРОВКА СЕЛЕКТОРА

ЭЛЕКТРИЧЕСКАЯ СХЕМА СЕЛЕКТОРА

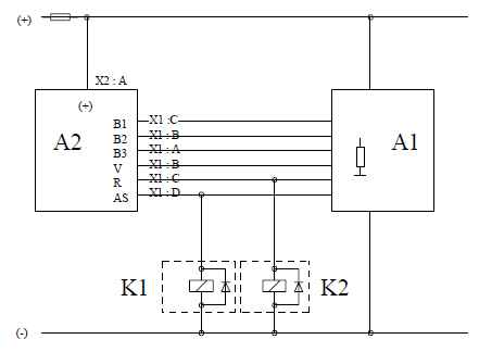
СХЕМА ПОДКЛЮЧЕНИЯ СЕЛЕКТОРА

K1 = РЕЛЕ ЗАПУСК-БЛОКИРОВКА
К2 = РЕЛЕ ФАРА ЗАДНЕГО ХОДА
А1 = ЭЛЕКТРОНИКА EST-37
A2 = СЕЛЕКТОР
СЕЛЕКТОР ERGO II

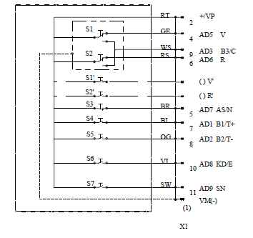
КОДИРОВКА СЕЛЕКТОРА

ЭЛЕКТРИЧЕСКАЯ СХЕМА СЕЛЕКТОРА

S1 = КНОПКА ПЕРЕКЛЮЧЕНИЯ ДВИЖЕНИЯ ВПЕРЁД И C-СИГНАЛ ВПЕРЁД
S2 = КНОПКА ПЕРЕКЛЮЧЕНИЯ ДВИЖЕНИЯ ВПЕРЁД И C-С-СИГНАЛ ВПЕРЁД
S3 = КНОПКА НЕЙТРАЛЬ
S4 = КНОПКА ВКЛЮЧЕНИЯ БОЛЕЕ ВЫСОКОЙ ПЕРЕДАЧИ
S5 = КНОПКА ВКЛЮЧЕНИЯ БОЛЕЕ НИЗКОЙ ПЕРЕДАЧИ
S6 = КНОПКА «КИК-ДАУН» / ДЕБЛОКИРОВКА
S7 = КНОПКА ЛОПАСТЬ-НЕЙТРАЛЬ
СХЕМА ПОДКЛЮЧЕНИЯ СЕЛЕКТОРА

K1 = РЕЛЕ ЗАПУСК-БЛОКИРОВКА
K2 = РЕЛЕ ФАРА ЗАДНЕГО ХОДА
K3 = РЕЛЕ КОНТРОЛЯ ПОЛОЖЕНИЯ ЛОПАСТЕЙ ГИДРОТРАНСФОРМАТОРА (СПЕЦИФИКА КЛИЕНТА)
A1 = ЭЛЕКТРОНИКА EST-37
A2 = СЕЛЕКТОР ERGO II