Описание дополнительного отопителя Webasto Thermo 90
Оглавление
- Назначение жидкостных предпусковых подогревателей Вебасто
- Технические характеристики предпусковых подогревателей Webasto
- Правила установки подогревателей Вебасто
- Место установки предпусковых подогревателей Webasto (Вебасто)
- Подключение предпусового подогревателя к системе охлаждения автомобиля
- Подключение предпусковой подогреватель к топливной системе автомобиля
- Автомобили с дизельными двигателями
- Подогреватели Webasto (Вебасто) с бензиновыми двигателями
- Топливопроводы
- Дозирующий насос
- Топливный фильтр
- Подача воздуха для горения
- Выхлопной трубопровод
- Электрические подключения предпускового подогревателя Webasto (Вебасто)
- Блок управления Webasto (Вебасто)
- Установка пороговых температур для переключения режимов работы
- Электрические подключения в автомобилях для перевозки опасных грузов
- Легенда к электросхемам и электросхемы предпусковых подогревателей Вебасто
- Первый пуск в эксплуатацию Webasto (Вебасто)
- Неисправности
- Диагностика при аварийной блокировке
- Диагностика при аварийной блокировке Вебасто Thermo 90
- Диагностика при аварийной блокировке Webasto Thermo 90S
Жидкостные подогреватели (предпусковые подогреватели) Thermo 90 S и Thermo 90SТ фирмы "Вебасто" Webasto - в сочетании со штатной системой отопления автомобиля - служат для:
• предпускового прогрева (до запуска двигателя) и поддержания рабочей температуры (во время работы) двигателя автомобиля (с жидкостным охлаждением), а также • прогрева и размораживания стекол кабины (салона) автомобиля.
Жидкостные предпусковые подогреватели Webasto (Вебасто) работают независимо от двигателя автомобиля и подключаются к системе охлаждения (охлаждающему контуру), топливной системе и бортовой сети автомобиля.
В качестве топлива пригодно топливо, предписанное изготовителем автомобиля. Для бензиновых предпусковых подогревателей можно использовать как этилированный, так и неэтилированный бензин.
Дизельные подогреватели при переходе на морозостойкое дизтопливо нужно запускать примерно на 15 мин, чтобы наполнить топливный насос и топливопроводы новым топливом. Присадки к дизтопливу не оказывают вредного воздействия на работу предпускового подогревателя.

Пример установки подогревателя
1. теплообменник системы отопления автомобиля
2. выключатель вентилятора системы отопления автомобиля
3. реле вентилятора автомобиля
4. таймер подогревателя
5. колодка предохранителей автомобиля
6. обратный клапан с выпускным отверстием
7. Т-образный топливозаборник для топливопровода
8. двигатель автомобиля
9. жидкостный подогреватель
10. циркуляционный насос подогревателя
11. жидкостный насос автомобиля
12. радиатор
13. регулировочный клапан
14. глушитель на выхлопной трубе
15. дозирующий насос подогревателя
16. воздухозаборный трубопровод
17. термостат
18. блок управления при установке отдельно от подогревателя
19. блок управления при установке на подогревателе

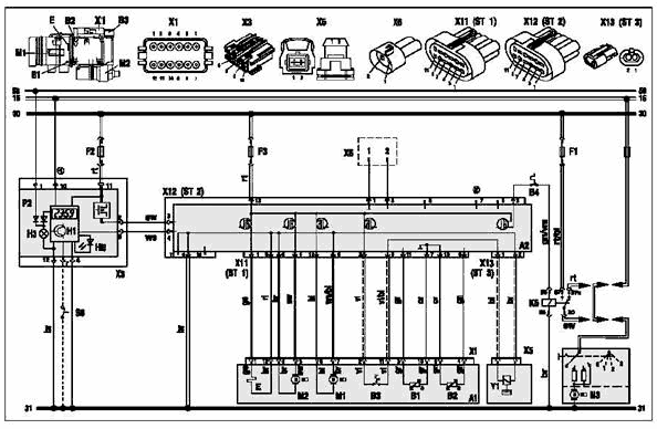
Электросхема Thermo 90S, 12 и 24 В, со стандартным таймером

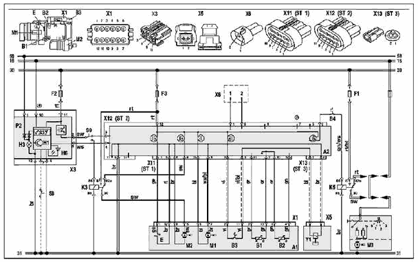
Электросхема Thermo 90S, 12 и 24 В, со стандартным таймером и сепаратно управляемым циркуляционным насосом
Все схемы в высоком качестве и полные описания в