Обозначения на схемах автобусов VOLVO

Название электросхемы компонента, вариант/подназвание и условное обозначение.

Координаты (строка В столбец 1)

- Напряжение аккумулятора.
- 30 напряжение с подключенной клавишей S12 (главный выключатель).
- Напряжение для вождения при ключе зажигания в положении вождения, преднагрева и пуска.

Точка подключения.

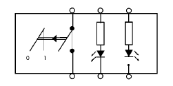
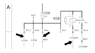
Предохранитель.

Стрелка справки для электрической схемы BA, координата 0 С, компонента А17, разъем PA, контакт 29.

В электрическую схему выключено максимальное количество модификаций. Как следствие, помните, что не все компоненты и кабели, указанные здесь, установлены в вашем автомобиле. Их наличие или отсутствие зависит от модификаций, использующихся в данном автомобиле.

Переключатель.

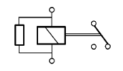
Реле.

Токопроводящая дорожка на печатной плате.

Разъем МВ контакт 9.

Сечение кабеля и цвет.

Одиночные линии, кабели.

Подключение к заземлению на печатной плате.

Беспроводное соединение с заземлением.

Одна и та же точка подключения может показываться на нескольких схемах. Кабель от точки соединения до заземления отображен и имеет кодировку только на одной схеме (соединения ZC с заземлением). На других схемах он отображается так же, как на иллюстрации.
Цветовые коды электрических проводов
BL.................................................... Синий
BN ................................................... Коричневый
GN................................................... Зеленый
GR................................................... Серый
OR................................................... Оранжевый
P...................................................... Розовый
R...................................................... Красный
SB ................................................... Черный
VO................................................... Фиолетовый
W..................................................... Белый
Y...................................................... Желтый
Внимание: Если электрический провод двухцветный, его маркировка будет указана в следующем виде: Y/R = желтый/красный.