Автономный водяной отопитель Hydronic M

На отопительном приборе установлены следующие устройства управления и предохранительные
устройства.
• Если отопительный прибор не запускается в течение 105 секунд после начала подачи топлива, то старт выполняется заново.
Если отопительный прибор снова не запускается после следующих 75 секунд, то производится аварийное отключение. После определенного количества неудачных запусков происходит блокировка блока управления*.
• Если процесс горения в камере сгорания прекращается сам по себе, то производится новый запуск.
Если отопительный прибор не запускается через 105 секунд после возобновления подачи топлива, происходит аварийное отключение.
Аварийное отключение может быть деактивировано путем быстрого выключения и включения.
• При перегреве (напр., недостаток охлаждающей жидкости, плохая деаэрация контура ее циркуляции) срабатывает датчик перегрева, прекращается подача топлива, происходит аварийное отключение.
После устранения причины перегрева отопительный прибор можно запустить вновь путем выключения и последующего включения (условие: отопительный прибор достаточно остыл, температура
охлаждающей жидкости < 70°C).
После определенного количества отключений вследствие перегрева происходит блокировка блока
управления*.
• При достижении нижней или верхней границ напряжения происходит аварийное отключение.
• При выходе из строя штифтового электрода накаливания или обрыве электропроводки дозирующего насоса отопительный прибор не запускается.
• Число оборотов двигателя вентилятора контролируется непрерывно.
Если не запускается вентилятор, то он блокируется; если число оборотов отклоняется от нормы более чем на 40%, то через 60 секунд происходит аварийное отключение.
* Снятие блокировки либо считывание сообщений об ошибках возможно:
• через модульное реле / EasyStart T
• при помощи блока радиоуправления TP5 / EasyStart R / EasyStart R+.
Через другие элементы управления путем подключения:
• диагностического прибора
• программы технического обслуживания KD2000 / EDITH.
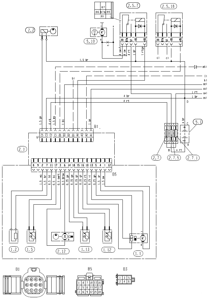
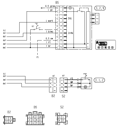
Спецификации монтажных схем HYDRONIC M – 24 В и элементов управления
1.1 Двигатель сгорания
1.2 Штифтовой электрод накаливания
1.5 Датчик перегрева
1.12 Датчик горения
1.13 Температурный датчик
2.1 Блок управления
2.2 Дозирующий насос
2.5.7 Реле, вентилятор системы охлаждения автомобиля
2.5.18 Реле, переключение контура циркуляции охлаждающей жидкости – установка самим заказчиком при необходимости
2.7 Главный предохранитель 12 В = 20 A
24 В = 15 A
2.7.1 Предохранитель срабатывания 5 A
2.7.5 Предохранитель вентилятора системы охлаждения автомобиля, 25 A
2.12 Водяной насос
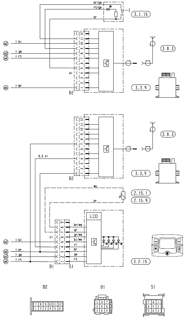
2.15.1 Датчик температуры внутри салона
2.15.9 Датчик наружной температуры
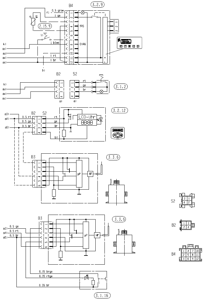
3.1.2 Включатель, обогрев (длительный режим работы)
3.1.16 Кнопочный выключатель, радиоуправление
3.1.18 Кнопочный выключатель, CALLTRONIC
3.2.9 Часовое реле
3.2.12 Часовое реле, мини
3.3.6 Радиоуправление, стационарная часть TP41i
3.3.7 Радиоуправление, стационарная часть TP5
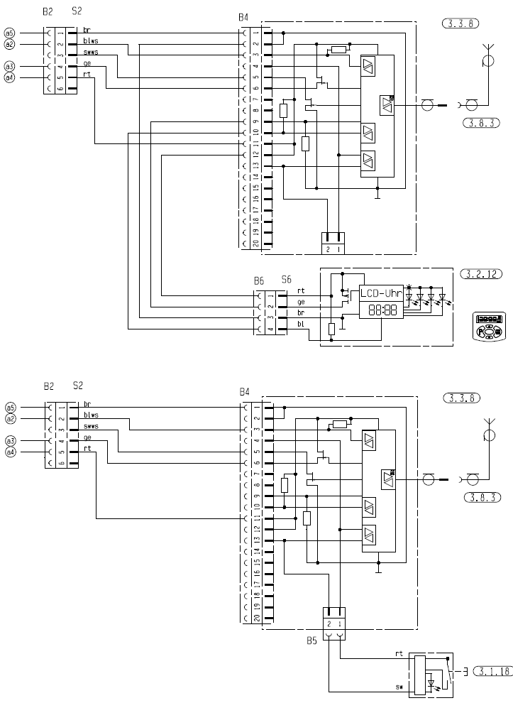
3.3.8 Радиоуправление, CALLTRONIC
3.8.3 Антенна
3.9.1 Диагностический прибор (диагностика компании Eberspacher)
5.1 Аккумулятор
5.10 Вентилятор автомобиля
a) Разъем для подключения устройства управления
b) Удаленное управление водяным насосом (с плюсовым сигналом)
c) Переключение контура циркуляции охлаждающей жидкости: Реле выполняет закрытие при 68°C и открытие при 63°C
d) Зажигание (клемма +15)
f) Освещение (клемма 58)
g) Разъем подключения отопительного прибора
h) Зажигание (клемма +15)
i) Разъем для подключения внешней кнопки включения отопительного прибора
k) Подключить кабели к штекерам B2, B3 или B4
l) Понижение температуры (с плюсовым сигналом)
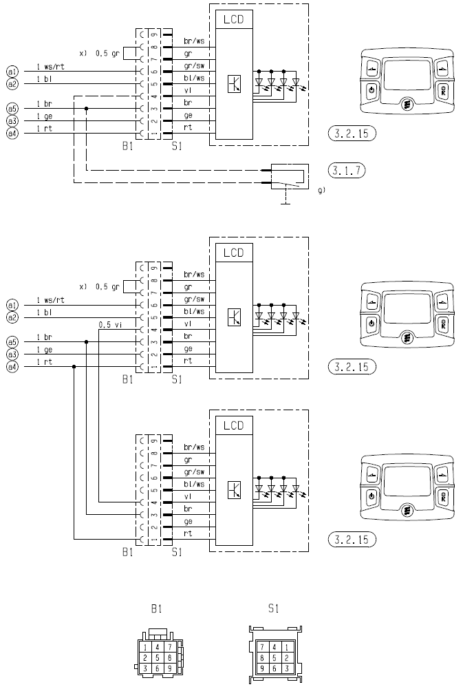
x) Разъединить кабель
a2) Диагностика
a3) Сигнал включения S+
a4) Питание, плюс, +30
a5) Питание, минус, –31
a6) (+) Управление разъединителем аккумулятора (диоды: номер по каталогу 208 00 012)
Монтажная схема HYDRONIC M – 24 В

Монтажная схема – элементы управления



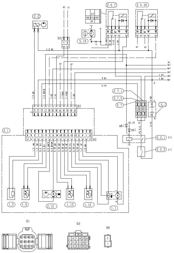
Спецификации монтажных схем HYDRONIC M – ADR – 24 В и элементов управления
1.1 Двигатель сгорания
1.2 Штифтовой электрод накаливания
1.5 Датчик перегрева
1.12 Датчик горения
1.13 Температурный датчик
2.1 Блок управления
2.2 Дозирующий насос
2.5.7 Реле, вентилятор системы охлаждения автомобиля
2.5.18 Реле, переключение контура циркуляции охлаждающей жидкости – установка самим заказчиком при необходимости
2.7 Главный предохранитель 12 В = 20 A
24 В = 15 A
2.7.1 Предохранитель срабатывания 5 A
2.7.5 Предохранитель вентилятора системы охлаждения автомобиля, 25 A
2.12 Водяной насос
3.1.2 Включатель, обогрев (длительный режим работы)
3.2.9 Часовое реле
5.1 Аккумулятор
5.2.1 Главный выключатель аккумулятора (управление работой, напр., через замок зажигания)
5.2.2 Разъединитель аккумулятора (функция АВАР-ВЫКЛ согласно ADR)
5.10 Вентилятор автомобиля
a) Разъем для подключения устройства управления
b) Удаленное управление водяным насосом (с плюсовым сигналом)
c) Для ADR D+ (генератор)
d) Для ADR HA– (вспомогательный привод / электропривод) плюсовое включение
e) Переключение контура циркуляции охлаждающей жидкости: Реле выполняет закрытие при 68°C и открытие при 63°C (с устройством понижения температуры 58°C / 45°C)
f) Зажигание (клемма +15)
k) Подключить кабели к штекерам B2 или B5
l) Разъем подключения отопительного прибора
m) Освещение (клемма 58)
n) Разъем для подключения внешней кнопки включения отопительного прибора
p) Понижение температуры (с плюсовым сигналом)
r) При использовании только одного включателя для поз. 5.2.1 и 5.2.2 необходимо, чтобы при активации функции „Размыкание разъединителя аккумулятора“ (функция Авар-ВЫКЛ согласно ADR) выключатель всегда немедленно (вне зависимости от состояния отопительного прибора) размыкался и все электрические цепи отопительного прибора обесточивались.
x) Разъединить кабель
a1) Обратный сигнал ADR
a2) Диагностика
a3) Сигнал включения S+
a4) Питание, плюс, +30
a5) Питание, минус, –31
a6) (+) Управление разъединителем аккумулятора (диоды: номер по каталогу 208 00 012)
Монтажная схема HYDRONIC M – ADR – 24 В

Монтажная схема – элементы управления ADR

Спецификация монтажных схем элементов управления EasyStart – ADR
2.15.1 Датчик температуры внутри салона (для EasyStart R+ входит в комплект поставки для EasyStart R и EasyStart T - опция)
2.15.9 Датчик наружной температуры
3.1.7 Кнопка „ВКЛ / ВЫКЛ“
3.1.16 Кнопочный выключатель радиоуправления
3.2.15 Часовое реле EasyStart T
3.3.9 Радиоуправление EasyStart R (стационарный элемент)
3.3.10 Радиоуправление EasyStart R+ (стационарный элемент)
3.6.1 Переходный кабель
3.8.3 Антенна
c) Клемма 58 (освещение)
e) Подключение часового реле EasyStart T
g) Вынесенная кнопка „ВКЛ / ВЫКЛ“ (опция)
x) Перемычка ADR
Монтажная схема органа управления EasyStart R+

Монтажная схема органа управления EasyStart R

Монтажная схема органа управления EasyStart T

Монтажная схема органа управления EasyStart T – ADR

Цвета проводов
rt = красный
bl = синий
ws = белый
sw = черный
gn = зеленый
gr = серый
ge = желтый
vi = фиолетовый