SHACMAN Схемы X500
(газовый)
Содержание
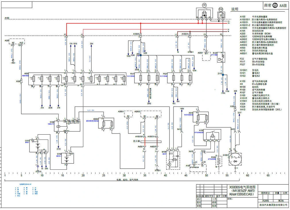
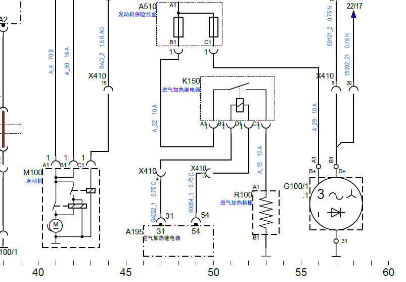
- Электропитание, запуск, подогрев впуск
- PEPS, подогрев масляного фильтра, 15-секционный переключатель
- Комбинированный переключатель, выключатель света
- Передние фары
- Выключатель аварийной сигнализации, габаритные огни, осушитель
- Задние фонари, розетка прицепа
- Стеклоочистители, разбрызгиватели, датчики дождя и света, диагностический интерфейс
- Приборы
- Освещение салона, электрический люк
- Освещение инструментального ящика, освещение спального места
- Двойные топливные баки, контрольные лампы, подогрев сидений
- VCU
- ЭБУ двигателя, очистка выхлопных газов
- Трансмиссия AMT, ретардер
- ADAS, контроль давления в шинах, холодильник, диспенсер для воды, мониторинг поведения
- Система мониторинга окружающей среды


Все схемы в высоком качестве смотри в "Большой энциклопедии для автоэлектриков и диагностов"