Тормозная система с электронным управлением (EBS) VOLVO
EBS-STD, EBS-MED, EBS-HIG
Тормозная система с электронным управлением (EBS) выпускается в трех различных комплектах:
- EBS-STD, стандартный комплект.
- EBS-MED, промежуточный комплект.
- EBS-HIG, полнофункциональный комплект.
В следующей таблице приведены функции, доступные в различных комплектах EBS.

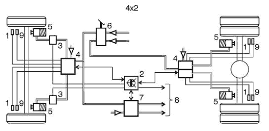
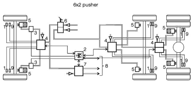
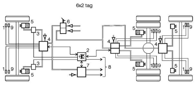
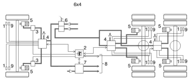
Расположение компонентов
Тонкими линиями показана электропроводка, толстыми – пневмопроводы.
1. Датчик частоты вращения колеса
2. Блок управления EBS
3. Электромагнитный клапан, ABS
4. Модуляторы, канал 1 и 2
5. Тормозные камеры
6. Клапан ножного тормоза
7. Модулятор управления для прицепов
8. Соединения для тормозов прицепов
9. Датчики износа



Hyper-V



Функции, EBS-STD, EBS-MED, EBS-HIG
ABS
ABS не содержит новых функций.
Торможение с регулированием замедления и пробуксовки
Регулирование замедления
При нажатии педали тормоза блок управления EBS посылает модуляторам запрос на замедление.
Определенному нажатию педали соответствует определенное снижение скорости (замедление). Давление в тормозных камерах также может изменяться, например, в зависимости от массы груза и уклона дороги, но при этом обеспечивается такое же замедление и сохраняется такое же ощущение педали.
Конфигурация 1: Торможение тормозом-замедлителем без датчика определения нагрузки
Система EBS получает информацию о загруженности автомобиля без использования датчиков определения нагрузки. С помощью датчиков скорости колес блок управления EBS получает информацию о скорости на различных осях. Блок управления сопоставляет, насколько автомобиль ускоряется при определенном открытии дроссельной заслонки и насколько сильно он замедляется при определенном тормозном давлении. После двух-трех переключений передач и задействований тормоза система определяет, какой груз несет автомобиль и регулирует соответствующим образом тормозное давление. Поэтому при первом задействовании тормоза непосредственно после погрузки или разгрузки реакция тормозов несколько отличается.
Такая стратегия торможения используется в автомобилях со сдвоенными колесами на осях.
Конфигурация 2: Торможение тормозом-замедлителем с датчиком определения нагрузки
Система EBS получает информацию о загруженности автомобиля с помощью датчиков определения нагрузки.
Такая стратегия торможения используется в автомобилях с тремя или более осями.
В автомобилях с пневматической подвеской блок управления EBS получает информацию о массе автомобиля от системы подвески.
В автомобилях с подвеской на листовых рессорах блок управления EBS получает информацию о массе
автомобиля с блока управления автомобилем (VECU).
Распределение тормозных усилий
EBS распределяет тормозные усилия между мостами тягача, а также между тягачом и прицепом так, чтобы обеспечивалось соответствующее торможение.
Взаимная подстройка тормозов переднего и заднего мостов автомобиля
При слабом торможении на передний и задний мосты распределяется примерно одинаковое тормозное усилие, износ накладок при этом равномерный. Наиболее часто торможение происходит в этой области (≈2 бар).
Во время более интенсивного торможения (сильное замедление) система работает с использованием так
называемого регулирования пробуксовки. Тормозное усилие распределяется так, чтобы передний и задний мосты имели одинаковую скорость. Если по сигналам с датчиков частоты вращения колес определяется, что задние колеса вращаются медленнее передних колес, тормозное усилие автоматически возрастает на переднем мосту, и уменьшается на заднем до тех пор, пока колеса не будут вращаться с одинаковой частотой.
Описание подстройки тормозов
Отношение между передним и задним тормозными усилиями называется Phi:
Phi = переднее тормозное усилие/заднее тормозное усилие Phi высокое, если переднее тормозное усилие больше заднего. Например, короткобазовый грузовой автомобиль с высоким центром тяжести должен иметь большое тормозное усилие на переднем мосту.
Phi≈1, когда переднее и заднее тормозные усилия примерно одинаковы. Например, длиннобазовый автобус с низким центром тяжести тормозит приблизительно одинаково на всех мостах.

A: Колесная база
В: Центр тяжести
С: Phi
Распределение износа по мостам
Датчики износа накладок расположены на всех рабочих тормозах и передают блоку управления данные о толщине тормозных накладок каждый раз, когда ключ поворачивается в положение «движение». На основе этих данных тормозное давление регулируется между передним и задним мостами так, чтобы износ тормозных накладок был максимально равномерный. При этом общее тормозное усилие автомобиля остается таким же.
Иногда тормозные накладки на одном мосту изнашиваются значительно медленнее, чем на других мостах, например, на подъемном поддерживающем мосту. В этом случае попытки обеспечить равномерный износ всех накладок являются нецелесообразными. Поэтому распределение износа регулируется так, чтобы комплект накладок подъемного поддерживающего моста изнашивался за такой же период, как два комплекта накладок ведущего моста. В результате тормозные накладки подъемного поддерживающего моста нуждаются в замене в два раза реже, чем тормозные накладки ведущего моста, и тормозные накладки обоих мостов заменяются одновременно.

Этот символ загорается на дисплее, когда остается менее 20% от первоначальной толщины тормозных
накладок.
Подстройка тормозов тягача и прицепа
Автоматическая подстройка тормозов оптимизирует тормозное давление между тягачом и прицепом, что обеспечивает более равномерный износ тормозных накладок и улучшает устойчивость между тягачом и прицепом. Тормозное давление на прицепе может регулироваться в пределах от +1.5 до -0,5 бар по отношению к тормозному давлению на тягаче.
Если прицеп оснащен EBS, тормозная система автопоезда в целом работает с регулированием пробуксовки.
Тормозное усилие распределяется так, чтобы частота вращения колес на тягаче и прицепе была одинаковой.

P: Тормозное давление на прицепе
Z: Требуемое замедление
Защита от опрокидывания
При интенсивном торможении тягача без сочлененного прицепа, особенно при движении на спуске, существует риск подъема задней части и опрокидывания автомобиля вперед. Переднее тормозное давление уменьшается, если возникает опасность блокировки задних колес.

Совмещенная работа тормозов
Функция совмещенной работы тормозов (BBL) основана на том, что вспомогательные тормоза используются в основном для того, чтобы уменьшить износ рабочих тормозов.
С помощью функции совмещенной работы тормозов сначала включаются рабочие тормоза (1), затем
вспомогательные (2). При этом для включения вспомогательных тормозов требуется больше времени, чем для рабочих. Поэтому рабочие тормоза оказывают дополнительную помощь, обеспечивая постоянную величину общего тормозного усилия (3). См. график.
Внимание: Когда выключатель блокировки дифференциала находится в среднем положении (промежуточная блокировка дифференциала) или в нижнем положении (полная блокировка дифференциала), функция комбинированного торможения будет деактивизирована. Дополнительные сведения о блокировке дифференциала см. в Функции, EBS-MED, EBS-HIG.
Функции BBL со всеми типами вспомогательных тормозов включаются рычагом. Функция активна, когда рычаг установлен в автоматическое положение (положение A).

На незагруженных автомобилях функция совмещенной работы тормозов активизируется не полностью, чтобы избежать блокировки ведущих колес.
Для активизирования "функции очистки тормозов" вспомогательные тормоза НЕ включаются при каждом десятом торможении и также могут создавать проблемы, если тормоза задействуются слишком слабо.

A: Тормозная мощность
t: время
1. Рабочие тормоза
2. Вспомогательные тормоза
3. Общее тормозное усилие рабочих и вспомогательных тормозов
Предупреждение о перегреве тормозов
Температура тормозных накладок оценивается без использования прямых измерений. Предупреждение о перегреве тормозов водитель получает двумя путями: загорается сигнальная лампа и изменяется
характеристика нажатия на педаль. Водитель ощущает снижение эффективности торможения, поэтому сильнее нажимает на педаль тормоза.

Загорается желтая сигнальная лампа и на дисплее появляется данный символ.

1: Характеристика нормального торможения
2: Характеристика ухудшенного торможения
A: Тормозная мощность
P: Нажатие педали тормоза
Функция тормозов прицепа (TB)
Эта функция позволяет выполнять проверку безопасности при смене прицепов. Когда функция включена, система EBS подает на прицеп постоянное давление 4 бар.
Функция, активизируемая при нажатии и удержании клавиши на скорости автомобиля <4 км/час, отключается на скорости >7 км/час или после отпускания клавиши.

Функция противопробуксовочной системы (TCS)
TCS (Противобуксовочная система) повышает курсовую устойчивость и проходимость. Система активизируется автоматически в нормальном режиме или в режиме бездорожья после запуска двигателя.
Получая информация о буксовании ведущих колес из системы EBS, система TCS противодействует буксованию, регулируя крутящий момент двигателя (EMS) и тормоза (EBS).
Система TCS активизирована

TCS управления двигателем

Система EBS обнаруживает буксование ведущих колес, сопоставляя частоту вращения ведущих колес (1) с частотой вращения неведущих колес (2).
Система TCS понижает крутящий момент двигателя (3) до уровня, при котором частота вращения ведущих колес чуть выше частоты вращения неведущих колес. Водитель может по-прежнему добиться большей степени буксования/проскальзывания, нажимая педаль акселератора более резко.
TCS управления тормозами

Система EBS может обнаруживать и начало буксования одного из колес (4) ведущих мостов, например, когда колеса с одной стороны автомобиля движутся по обледеневшей обочине.
При этом буксующее колесо (6) притормаживается до скорости ниже 40 км/ч. Буксующее колесо
притормаживается настолько, насколько уменьшается крутящий момент на втором ведущем колесе (5). При этом частоты вращения обоих колес синхронизируются (4, 5). При этом система TCS работает как
автоматический дифференциал повышенного трения.
Регулирование крутящего момента при закрывании дроссельной заслонки

RET (замедлитель) = опция
Регулирование крутящего момента при отпускании педали акселератора позволяет предотвратить блокировку ведущих колес, когда педаль акселератора отпускается на скользком дорожном покрытии. Если колеса начинают блокироваться (7), дополнительные тормоза отпускаются (9), и ведущие колеса начинают вращаться с частотой, соответствующей скорости автомобиля (8). Благодаря этому колеса восстанавливают сцепление с дорожным покрытием. Функция автоматически перезапускается, когда автомобиль разгоняется до скорости выше 10 км/час. Функция автоматически отключается при выключении сцепления или срабатывании ABS на переднем мосту.
Функция TCS для бездорожья
Нажатие кнопки TCS для бездорожья позволяет водителю задать большую степень буксования. Это может потребоваться для преодоления труднопроходимых участков и когда автомобиль застревает в песке, в грязи или в снегу. Поскольку функция TCS для бездорожья снижает курсовую устойчивость автомобиля, ее можно включать только на время.
Система TCS отключена
Внимание: Отключение системы TCS возможно только в более новых версиях программного обеспечения.
При движении по неровным или незащищенным от ветра дорогам систему TCS можно отключить, удерживая выключатель нажатым в течение короткого времени. На дисплее отображается символ, сигнализирующий, что система TCS отключена.

Внимание: Отключение TCS снижает стабильность ESP.
Внимание: Учтите, что функция автоматической блокировки дифференциала (DLC) отключается при
включении TCS для бездорожья или полном отключении системы TCS.
Систему TCS необходимо отключать на время испытаний на роликовом стенде или буксировки с вывешенным мостом. Для отключения системы TCS воспользуйтесь экранным меню настройки "Контроль тяги". Автомобиль должен стоять неподвижно. Функция TCS снова включится при следующем повороте ключа зажигания в положение для движения, или когда скорость на колесах переднего моста превысит 12 км/ч.
Система TCS может активизироваться после замены ведущих колес на колеса меньшего размера. Ведите
автомобиль на скорости более 25 км/ч. Система EBS будет адаптироваться к разнице в размерах колес.
Расстояние, которое необходимо преодолеть, зависит от разницы в размерах колес. Возможно снижение
приемистости автомобиля, поскольку система TCS ограничивает крутящий момент двигателя. В этом случае активизируйте функцию TCS для бездорожья (или отключите систему TCS). Функция TCS для бездорожья допускает большее отличие частот вращения колес передней и ведущей осей. С включенной функцией TCS для бездорожья адаптация системы EBS к разнице размеров колес занимает больше времени.
Контроль состояния EBS
Регистратор состояния является диагностической функцией.
Он служит для сохранения информации о работе конкретных функций EBS.
Это позволяет сервис-инженерам понять работу функций EBS в автомобиле, когда требуется детальный анализ системы EBS.
Далее приведены примеры регистрируемых/контролируемых функций EBS (см. перечень ниже).
Регистратор состояния
Система EBS регистрирует события активации следующих функций безопасности, сохраняя в
энергонезависимом ОЗУ их количество, а также дату и время последнего события.
- ABS
- ESP: система защиты от опрокидывания
- ESP: система курсовой устойчивости
- Контроль тяги
- Система экстренного торможения
- Предупреждение о снижении эффективности тормозов
Счетчики указанных функций безопасности обнулены, когда ECU поставляется компанией Knorr-Bremse, и возрастают на единицу при каждой активации функций. При достижении максимального значения (65535) счетчик блокируется, его обнуление невозможно. Метка времени обновляется с каждым событием даже после достижения предельного значения счетчика. Показания счетчиков и метку времени можно считывать через диагностический интерфейс SAE J1587.
Функции, EBS-MED, EBS-HIG
Механизм блокировки дифференциала
Функция блокировки дифференциала обеспечивает синхронизацию частоты вращения ведущих колес перед включением блокировки дифференциала.

Автоматическая блокировка дифференциала
Автоматическая блокировка дифференциала (DLC, управление блокировкой дифференциала) автоматически активизируется, когда ведущие колеса начинают вращаться с разными частотами. Перед активизированием функции частоты вращения колес синхронизируются. Автоматическая блокировка дифференциала работает только на скоростях <15 км/час и автоматически отключается при превышении скорости 15 км/час.

1 Отключение системы TCS возможно только в более новых версиях программного обеспечения.
Помощь при трогании на подъеме
Функция помощи при трогании на подъеме облегчает трогание автомобиля на подъеме. Когда эта функция включена, тормоза выключаются не сразу, поэтому у водителя есть дополнительное время для нажатия педали акселератора. Функция отключается при повторном нажатии выключателя.
Функция помощи при трогании на подъеме работает по-разному, в зависимости от коробки передач.
Механическая коробка передач. Тормозное давление поддерживается до тех пор, пока педаль сцепления отпущена или пока не будет достигнут определенный крутящий момент двигателя.
Автоматическая коробка передач. Тормозное давление поддерживается постоянным в течение
определенного периода времени после отпускания педали тормоза или до тех пор, пока не будет достигнут определенный крутящий момент двигателя.

Функция экстренного торможения
Система воспринимает резкое нажатие педали тормоза как экстренное торможение. Требуемое тормозное давление автоматически возрастает в соответствии с возросшим замедлением.
Контроль рабочих тормозов
Эта функция предупреждает водителя о снижении эффективности одних рабочих тормозов в сравнении с другими, например, из-за загрязнения маслом тормозных накладок. Система EBS непрерывно контролирует эффективность тормозов каждого колеса, поэтому может определить снижение эффективности тормозов на каком-либо колесе.

Функции, EBS-HIG
Система электронной стабилизации
ESP встроена в систему EBS.

Компоненты
Модуляторы
Одноканальный модулятор

Двухканальный модулятор

Электромагнитный клапан, ABS
На автомобилях с одинарными передними мостами в качестве электромагнитного клапана ABS используется электромагнитный регулирующий клапан. Он управляется одноканальным модулятором и активен только тогда, когда активна функция ABS.

Клапан ножного тормоза
При нажатии ножного тормоза включается переключатель, который активирует функцию пробуждения.
