Молекулярный накопитель энергии МНЭ 100/28БМ КАМАЗ
Автомобиль, оборудованный молекулярным накопителем энергии (МНЭ) имеет автоматическую
систему управления включением МНЭ. Перед пуском двигателя автомобиля необходимо произвести заряд МНЭ - выключатель приборов и стартера в положении «I» выдержать не менее 20 сек. далее произвести пуск стартером. После пуска двигателя МНЭ отключится автоматически.
При повторном запуске двигателя процедура пуска аналогична.
Молекулярный накопитель энергии МНЭ 100/28БМ используется в качестве дополнительного источника стартерного тока двигателей автомобилей к аккумуляторным батареям в системах электрического пуска с номинальным напряжением 24 В.
Совместное применение МНЭ и АКБ обеспечивает раскрутку стартером коленчатого вала двигателя до пусковых оборотов, и тем самым обеспечивает надежный пуск двигателя при экстремальных температурах окружающей среды и/или снижении емкости АБ; одновременно увеличивается срок службы АБ. После пуска двигателя МНЭ 100/28БМ автоматически отключается от бортовой сети.
На автомобиле КАМАЗ установлены две аккумуляторные батареи 6ТСТС-100А, соединенные
последовательно. Плюсовый вывод батареи соединяется с выводом стартера, а минусовый - с выключателем батарей, а через него - с корпусом автомобиля. Аккумуляторные батареи располагаются в ящике-гнезде, который крепится к раме автомобиля сзади кабины с левой стороны. МНЭ подключается параллельно к АКБ через контактор ТКС 601 ДОД (выключатель МНЭ) по цепи «минус». Управление контактором обеспечивается автоматически блоком БУВМНЭ 1802.3765 - устанавливается в панели приборов в кабине.
Выключатель аккумуляторных батарей 1402.3747 установлен с боковой стороны ящика-гнезда ближе к кабине, а кнопка дистанционного управления расположена в кабине на панели щитка приборов.

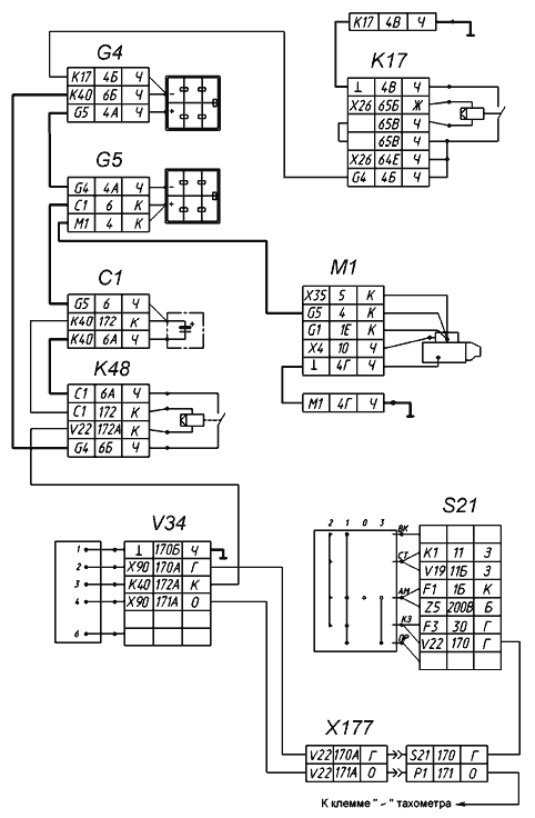
G4, G5 - батарея 6СТСТ-100А;
C1 - молекулярный накопитель энергии;
K48 - контактор;
V34 - блок управления включения МНЭ;
K17 - выключатель аккумуляторной батареи;
M1 - стартер;
S1 - выключатель приборов и стартера;
X177 - разъем двухконтактный.
C1 - молекулярный накопитель энергии;
K48 - контактор;
V34 - блок управления включения МНЭ;
K17 - выключатель аккумуляторной батареи;
M1 - стартер;
S1 - выключатель приборов и стартера;
X177 - разъем двухконтактный.
Состав, устройство и работа МНЭ
Молекулярный накопитель энергии является монолитным не разборным изделием цилиндрической формы и представляет собой конденсатор большой емкости, накопление заряда в котором осуществляется в двойном электрическом слое в объеме сверхпористого углерода.
Корпус МНЭ, представляющий из себя герметичный цилиндр диаметром 230 мм, изготавливается из нержавеющей стали или стали с антикоррозийным покрытием и состоит из обечайки и крышек, сваренных друг с другом аргонодуговой сваркой. Токовыводы расположены на торцевых сторонах цилиндра (по центру крышек).
Внутри корпуса находятся блоки накопительных элементов, представляющих собой многослойную тонкоплёночную конструкцию, состоящую из пористых углеродных электродов, сепаратора и токосъемных пластин.
Подсоединение МНЭ к электрической цепи осуществляется при помощи многожильных проводов с поперечным сечением 50 мм2, которые крепятся к токовыводам при помощи болта М10 с установкой плоской и пружинной шайб, поставляемых совместно с изделием и должны быть защищены консистентной смазкой. При подсоединении МНЭ строго соблюдать полярность.
Плюсовой токовывод МНЭ находится со стороны крышки, имеющей шильдик с условным обозначением изделия и маркировку «+».
МНЭ устойчив к токам короткого замыкания.
МНЭ не содержит токсичных материалов.
Рабочее положение МНЭ при хранении и эксплуатации произвольное.
МНЭ в составе системы электростартерного пуска (СЭП) транспортного средства во время работы может находиться в следующих состояниях:
- заряд накопителя до номинального напряжения от АБ перед пуском двигателя - не менее 20 сек.;
- стартерный разряд совместно с АБ при пуске двигателя;
- саморазряд после отключения МНЭ от АБ.
При использовании в составе СЭП двух и более МНЭ они могут соединятся параллельно.
Внимание! После заряда и импульсного стартерного разряда МНЭ должен быть отключен от источников тока (зарядных цепей).
Установка батарей и МНЭ на автомобиле

1 - гнездо аккумуляторных батарей; 2 - рамка крепления АКБ; 13 - аккумуляторные батареи 6TCTC-I00A;
14 - молекулярный накопитель энергии МНЭ-100/28БМ; 15 - контактор ТКС-601 ДОД.
Описание схемы управления включения/отключения МНЭ 100/28БМ
1. Перед пуском двигателя необходимо включить аккумуляторные батареи G4, G5 в систему электроснабжения (СЭС) автомобиля посредством К17 - выключателя массы.
2. S21 - выключатель приборов и стартера перевести с положения «0»-выключено в положение «1»-включено. V34 - блок управления МНЭ получит питание с S21 и включит электромагнит (катушку) контактора К48, силовые контакты К48 замыкаются - начинается заряд молекулярного накопителя С1. Заряд проводить 30 сек.
3. По истечении времени зарядки МНЭ провести пуск двигателя стартером М1, для чего S21 перевести в положение «2» (стартер), при этом с S21 подается питание (сигнал) на V34 о том, что включен стартер, и сигнал (частота) с «фазы» генератора G1. Во время пуска двигателя до достижения скорости вращения коленчатого вала 380 об/мин или по истечения 5сек., или при возврате с положения «2» в положение «1» выключателя S21 - V34 снимает питание с катушки К48. К48 размыкает силовые контакты - С1 отключается от бортсети автомобиля.
4. Повторный запуск двигателя произвести по аналогичному алгоритму.