Регулировка CO2 на автономном отопителе AT 2000
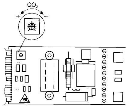
Содержание СО2 в отработавших газах регулируется с помощью потенциометра, расположенного на
управляющей плате.
В отопителе предварительно отрегулирован на заводе-изготовителе нагнетатель воздуха для горения и отапливающего воздуха. Потенциометр установлен после заводской регулировки на среднее значение. В случае случайного смещения потенциометра достаточно вернуть его в среднее положение.
Заводскую настройку также можно откорректировать, отрегулировав положение потенциометра. Для этого следует использовать небольшую отвертку для винтов со шлицевой головкой (с шириной рабочей части прим. 2,5 мм).

С диагностикой
ВНИМАНИЕ
Потенциометр переводить медленно, закрутив до упора.
Регулировку можно производить при любом бортовом напряжении.
Закручивание вправо вызывает повышение числа оборотов нагнетателя и уменьшение содержания СО2. Закручивание влево вызывает уменьшение числа оборотов двигателя и повышение содержания СО2 в выхлопе.
Если диапазон регулирования недостаточен (напр. после замены нагнетателя воздуха для горения и
отапливающего воздуха), то заводскую настройку можно сбить к новым настройкам.

Без диагностики
ВНИМАНИЕ
Заводская настройка не восстанавливается.
1. Снять крышку с верхней части корпуса.
2. Включить отопитель и дать ему поработать не менее чем 3 мин.
3. Потенциометр плавно, на протяжении 5 секунд, дважды повернуть по всему диапазону регулирования (напр. макс. - мин. - макс.).
4. K системе отвода отрабоавших газов подключить газоанализатор и установить нужный уровень СО2.
5. Выключить отопитель.
6. Вставить и застопорить крышку.