См. также:
Отключение массы и последствия на атобусах SCANIA 4 серии
Преждевременное отключение питания (до окончания проверки при отключении EDC)
приводит к уменьшению крутящего момента двигателя
Имели место случаи, когда водитель выключал «массу» менее чем через 3 секунды после выключения
двигателя. Если это повторится десять раз, блок управления для EDC будет блокирован в положении
безопасности и уменьшит крутящий момент двигателя.
В производстве блокировка введена начиная с номеров шасси:
- Scania Sodertalje 1 856 424
- Scania Latin America 3 594 492
Комплект для доработки имеющейся проводки
Реле (R925) 1 431 781
Диодный объединитель 414 562
Колодка диодного объединителя 813 552
Электропроводка для 11 и 12 л двигателя
1 459 089 » 1 783 310
Электропроводка для 9 л двигателя
1 435 347 » 1 784 276
Работа по доработке проводки
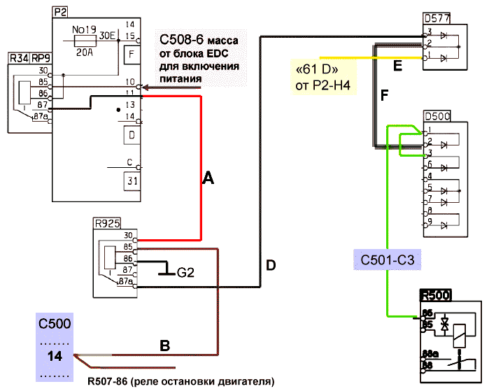
1. Между P2/D11 и новым реле R925-30 проложите и подсоедините красный провод A.
2. Между C500-14 и R925-85 проложите и подсоедините коричневый провод В.
3. Между R925-86 и точкой заземления или R522-30 проложите и подсоедините черный провод С.
4. Между R925-87a и штырем 3 в колодке 813 552 проложите и подсоедините зеленый провод D.
5. Зеленый провод E перенесите с D500-2 на штырь 1 колодки 813 552.
6. Между D500-2 и штырем 2 в колодке 813 552 проложите и подсоедините белый провод F.
7. Установите диодный объединитель D577 на колодку 813 552.

Еще больше интересного - смотрите в