Функциональое описание компонентов системы управления двигателем
MS 6.4 MAN
РАДИАЛЬНО-ПОРШНЕВОЙ РАСПРЕДЕЛИТЕЛЬНЫЙ ТНВД VP 44 MS 6.4
Конструкция

ТНВД VP 44 состоит в основном из следующих компонентов:
- Лопастной насос
- Датчик угла поворота
- Блок управления насоса
- Радиально-поршневой насос высокого давления
- Муфта опережения впрыскивания
- Магнитный клапан муфты опережения впрыскивания
- Магнитный клапан муфты опережения впрыскивания
- Выпускной клапан
- Магнитный клапан высокого давления
Далее приводится краткое описание вышеназванных компонентов или узлов
Блок управления двигателя (A435)

Общая информация
Блок управления двигателя обрабатывает сигналы датчиков и рассчитывает командные сигналы для
исполнительных элементов. Он передает на блок управления насоса следующие принятые или
просчитанные параметры:
- текущая частота вращения коленчатого вала,
- объем впрыска,
- начало подачи,
- соответствующая настройка распределительного вала для требующейся интенсивности впрыска.
В рамках концепции безопасности блок управления двигателя осуществляет контроль на всей системой
впрыска топлива.
Чтобы двигатель мог работать с оптимальным сгоранием в любом эксплуатационном состоянии, блок
управления двигателя проводит расчет соответствующего объема впрыска. При этом учитываются
следующие параметры:
- объем впрыска топлива при пуске;
- режим движения автомобиля;
- регулирование холостого хода;
- регулирование скорости;
- регулирование ограничения объема впрыска.
Объем впрыска топлива при пуске:
При пуске двигателя расчет объема впрыска происходит в зависимости от температуры и частоты
вращения. При низких температурах двигатель нуждается в значительно большем объеме впрыска, чем в прогретом состоянии. Водитель не имеет возможности влиять на объем впрыска топлива при пуске
двигателя.
Эксплуатация:
В режиме нормальной эксплуатации расчет объема впрыска происходит в зависимости от положения
педали акселератора и частоты вращения. Расчет происходит на основании характеристики динамических свойств.
Регулирование холостого хода:
На холостом ходу двигателя расход топлива определяется в основном эффективностью работы и частотой вращения двигателя на холостых оборотах. При этом происходит настройка по возможности низкой частоты вращения двигателя на холостом ходу. Тем не менее холостой ход должен быть отрегулирован таким образом, чтобы не допустить значительного падения частоты вращения двигателя на холостом ходу, работы двигателя с перебоями или остановки двигателя при любых условиях, как, например, нагруженная бортовая сеть, включенный кондиционер, включенная передача на автоматической коробке передач, активированный гидроусилитель рулевого управления и т. д.
Для настройки заданной частоты вращения на холостом ходу регулятор холостого хода варьирует объем впрыска до тех пор, пока замеренная фактическая частота вращения не будет соответствовать заданной частоте вращения.
Разводка контактов блока управления двигателя EDC 6.4 ступень 1



Разводка контактов блока управления двигателя EDC 6.4 ступень 2



Датчик движения иглы (B198)
Датчик движения иглы не требуется, начиная с MS 6.4 ступень 2.

Экспликация
1 Катушка
2 Нажимной палец
Датчик движения иглы определяет начало впрыска топлива при помощи сенсора, который интегрирован непосредственно в корпус форсунки 1-го цилиндра. Данный сенсор воспроизводит момент впрыска топлива (начало впрыска) на основании движения иглы.
Таблица штекерной разводки контактов

Штекерная разводка контактов

Датчик частоты вращения (B199)

Датчик частоты вращения отслеживает частоту вращения коленчатого вала двигателя. Датчик частоты
вращения состоит из постоянного магнита и катушки с большим количеством витков. Магнит "касается"
своим магнитным полем контролируемой, вращающейся части агрегата; как правило зубчатого или
шлицевого венца.
При прохождении зубца или шлица через магнитное поле датчика магнитный поток усиливается или
соответственно уменьшается. Данный процесс вызывает индуктированное напряжение в катушке датчика, которое анализируется управляющей электроникой. Расстояние от датчика до шлицевого венца составляет примерно 1 мм.
Таблица штекерной разводки контактов

Штекерная разводка контактов

Коммутационная схема

Датчик температуры охлаждающей жидкости (B124)

Датчик температуры охлаждающей жидкости представляет собой терморезистор с отрицательным ТКС.
Датчик находится в контуре охлаждения и предоставляет блоку управления информацию о температуре
охлаждающей жидкости.
В зависимости от температуры охлаждающей жидкости блок управления вызывает различные
характеристики режимов работы двигателя, например, пуск холодного или прогретого двигателя,
характеристика дымления или защита от перегрева.
Таблица штекерной разводки контактов

Штекерная разводка контактов

Коммутационная схема

Датчик давления наддува (B125)

Датчик давления наддува предназначен для замера абсолютного давления наддува.
Тензорезистивный элемент датчика и электроника для усиления сигнала и компенсации температуры
интегрированы в кремниевый кристалл. Активная поверхность кремниевого кристалла находится под
воздействием эталонного вакуума. Давление впускного трубопровода подводится через напорный
патрубок к задней стороне мембраны, которая резистентна среде измерения.
Датчик давления наддува установлен на впускном трубопроводе.
Характеристика
Выходная характеристика при US = 5 В

Таблица штекерной разводки контактов

Штекерная разводка контактов

Выключатель на приближение (S158/S159)

Выключатели на приближение являются бесконтактными выключателями. Они установлены на педальном механизме и контролируют нажатие педали сцепления и педали тормоза.
Выключатель на приближение действует по принципу индуктивно-емкостного резонансного контура со
следующей аналитической логикой. Ферромагнитный сердечник катушки открыт с одной стороны. Если
рядом с ферромагнитным сердечником проводится металл (например, педаль тормоза), происходит
рассогласование резонансного контура (частотное и амплитудное колебание), что приводит к нарастанию тока. Аналитическая логика подает команду на полевой транзистор (Gate).Полевой транзистор становится низкоомным и пропускает таким образом нагрузочный ток.
M2000-M

Выключатель на приближение тормозного сигнала S158 (сенсор 1)
Выключатель на приближение сцепления S159 (сенсор 2)
L2000 / M2000-L

Выключатель на приближение сцепления (сенсор 3)
Выключатель на приближение стоп-сигнала S161 (сенсор 4)
Педальный датчик (B127)

Педальный датчик передает команду водителя дальше на блок управления. В зависимости от положения педали потенциометр определяет значения углового градуса, которые передаются на блок управления в качестве параметров деления напряжения. Положение холостого хода определяется блоком управления через предохранительный выключатель. Через второй выключатель, выключатель режима "кик-даун", информация "режим резкого ускорения "кик-даун" включен" передается на элемент управления коробкой передач.
Таблица штекерной разводки контактов

Штекерная разводка контактов

Коммутационная схема

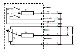
Элемент управления (S157)

Элемент управления (комбинированный переключатель на рулевой колонке) позволяет изменять частоту вращения двигателя на холостом ходу, регулировать промежуточную частоту вращения, задавать скорость движения (функции Темпомат) и ограничение максимальной скорости (функция Temposet или v-set).
Управление осуществляется на основании кодировки сопротивления, иными словами, если при помощи
данного элемента управления выполняется какая-либо функция, соответствующий сигнал потенциометра передается по кабелю на блок управления. На основании соответствующей величины напряжения блок управления определяет функцию, которую нужно выполнить. Поэтому для всех функций требуется только один кабель на блок управления. По этой причине данный выключатель также называют "однопроводным элементом управления".
Функции переключения элемента управления реализованы через коммутационные контакты.
Таблица штекерной разводки контактов

Коммутационная схема

- WA Воспроизведение (MEMORY)
- V/S Настройка замедления (SET–)
- B/S Настройка ускорения (SET+)
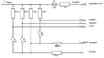
Переключатель FGR/FGB (S284)

При помощи данного выключателя можно по выбору активировать функцию "Регулирование скорости" (FGR)
- полноценную функцию Темпомат или функцию "Ограничение скорости" (FGB)
- функция v-SET (функция Temposet).
После этого при помощи функций SET+ или SET– элемента управления можно разогнаться до требуемой максимальной скорости. По достижении требуемой скорости следует отпустить переключатель и нажать педаль акселератора. Эта скорость (например, 50 км/ч в условиях городского движения) не может быть превышена даже при полностью выжатой педали акселератора и остается в памяти до осознанного отключения при помощи выключателя FGR/FGB на приборной панели (без обычных условий отключения через сцепление, тормоз и т. д.); иными словами, нажатия кнопки MEMORY (ПАМЯТЬ) для повторной настройки скорости не требуется. Контрольная лампа выключателя и световой диод комбинированного переключателя показывают активированную функцию ограничения скорости FGB.
Таблица штекерной разводки контактов (например, M2000-M)

Штекерная разводка контактов

Коммутационная схема

Группа резисторов (многоступенчатый выключатель) (R134)

Через группу резисторов имеется возможность реализации различных специальных функций. В
зависимости от величины сопротивления и результирующегося из нее напряжения, которое присутствует на блоке управления контакт B19 или B 28, можно вызывать различные функции блока управления EDC.
Дополнительная информация приводится в описаниях соответствующих интерфейсов, издававшихся в
качестве сервисной информации (SI) или публикуемых отделом "Технический сервис".
Таблица штекерной разводки контактов

Штекерная разводка контактов

Коммутационная схема
