Электросхема фронтального погрузчика NEW HOLLAND (сери 6)
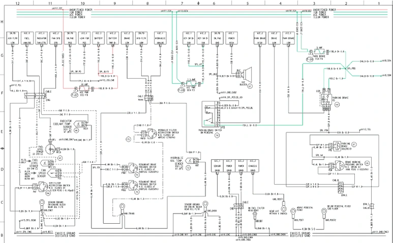
— Instrument cluster
# Location Component
- 63 5F Warning buzzer
- 64 3F Parking brake relay
- 65 11E Fuel level sender
- 66 11C Air filter restriction switch
- 67 2D Parking brake solenoid
- 68 10E Radiator coolant temperature sender
- 69 2D Brake pressure warning switch
- 72 9E Hydraulic filter restriction switch
- 73 7D Hydraulic oil temperature sender
- 74 6E Park brake switch
- 75 8D Redundant brake pressure switch 1
- 76 8D Redundant brake pressure switch 2
- F-27 10F Fuse ECC-F8 : AIC power
- F-28 7F Fuse ECA-F3 : AIC power
- F-29 3G Fuse ECA-F6 : Park brake
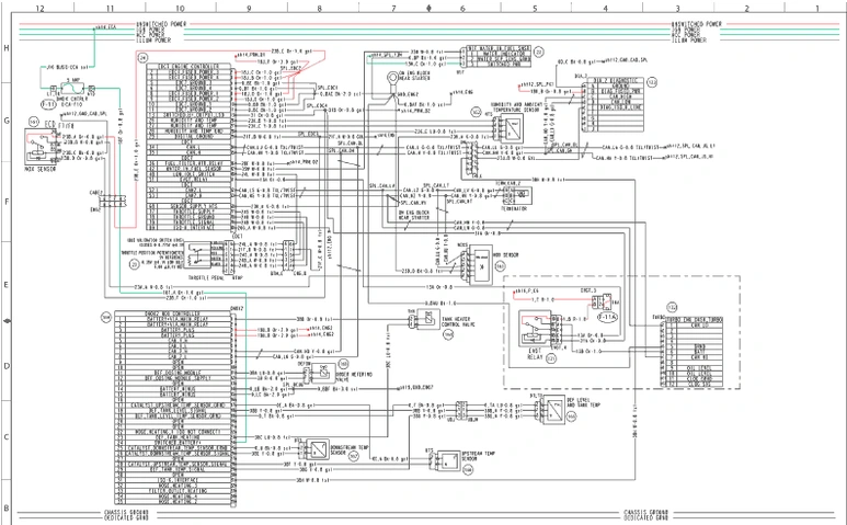
— Engine control
# Location Component
- 22 6H Water in fuel sensor
- 23 10E Throttle potentiometer
- 24 10G Engine controller
- 161 12G NOX sensor relay
- 162 5G Humidity and ambient temperature sensor
- 163 6E NOX sensor (NOXS)
- 164 7E Tank heater control valve
- 165 5C DEF level and tank temperature
- 166 6C Upstream temperature sensor
- 167 8C Downstream temperature sensor
- 168 8D Doser metering valve
- 169 10D DNOX controller
- F-11 12G Fuse ECA-F10 : DNOX controller
- F-11A 4E Fuse EVGT_3 :Turbo
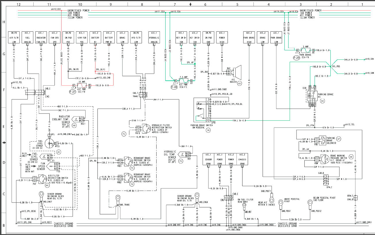
— Machine controls
# Location Component
- 25 5H Return to travel float switch
- 26 5G Height control switch
- 27 5E Electromagnetic detents
- 28 2D Return to dig proximity switch
- 29 2F Pilot Pressure control relay ECD-K3
- 30 2C Height control and return to travel proximity switch
- 31 5F Return to dig switch
- 32 10F Pin engage switch (option)
- 33 2F Pilot pressure solenoid
- 34 9D Pin engage solenoid
- 35 9H Ride control switch (option)
- 36 8G Ride control relay (option)
- 37 12E Fan control switch (option)
- 38 11D Fan reverse relay (option)
- 39 3E Pilot control switch
- 40 7C Ride control solenoid (option)
- 41 7C Rollback pressure switch (XT with ride control only)
- 42 8C Rollback jumper
- 43 10C Fan PWM solenoid
- 44 10C Fan reverse solenoid (option)
- 98 7E Horn relay
- 99 7D Horn
- 134 10B Heat load valve solenoid
- F-30 12F Fuse ECA-F7 : Pin engage \ fan reverse (option)
- F-31 7H Fuse ECC-F6 : Horn
- F-32 2H Fuse ECA-F5 : Pilot \ ride control \ EM detents
Больше информации доступно только пользователям


