См. также:
Электросхемы автобуса ЛИАЗ 5292_22
Электрооборудование автобуса
Номинальное напряжение бортовой электросети автобуса, которым питаются основные потребители - 24 В,
Система проводки смешанная - одно- и двухпроводная. Большая часть приборов включена по однопроводной схеме, в которой отрицательные полюсы источников и потребителей энергии соединены с общим обратным проводником - металлическим кузовом автобуса (''массой").
Часть приборов и аппаратов подключена по двухпроводной схеме, и питание их не отключается при отключении аккумуляторов от "массы", в частности:
- фонари указателей поворотов;
- аварийная сигнализация и аварийный выключатель;
- электропневматические клапаны управления дверными механизмами;
- розетки переносных ламп.
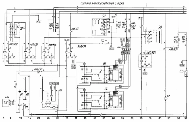
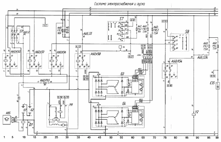
В качестве источников электроэнергии на автобусе используются две аккумуляторные батареи и два генератора.
Управление выключателем "массы" - дистанционное, от двух кнопочных выключателей, один из которых расположен на щитке приборов в кабине, а другой на щитке мотоотсека.
Выключить "массу" можно только тогда, когда отключены "зажигание" в кабине и приборы в мотоотсеке, иначе предусмотрена специальная блокировка. Отключить "массу" можно также независимо от положения выключателей поворотом рычага аварийного выключателя на щитке приборов кабины во второе нефиксируемое положение.
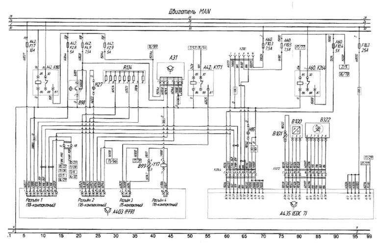
Управление двигателем обеспечивает его пуск (включая пуск в холодное время года), останов, сигнализацию и контроль работы, диагностику.
Пуск осуществляется стартером, комплектующим двигатель. Стартер включается поворотом ключа в замке "зажигания" в нефиксированное положение "II" или нажатием кнопки на щитке мотоотсека. Включение стартера из кабины возможно только при закрытой крышке мотоотсека, что обеспечивается концевым выключателем, расположенным под крышкой.
Пуск двигателя возможен только при включенной нейтрали в АКП.
Останов двигателя из кабины осуществляется выключением "зажигания" (установкой ключа в замке "зажигания" в положение "О"), а из мотоотсека - выключателем. Из кабины двигатель можно остановить также аварийным выключателем при установке его рычага в фиксированное положение "I".
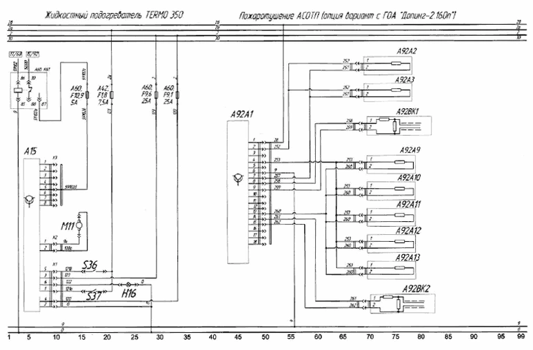
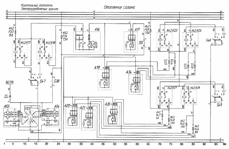
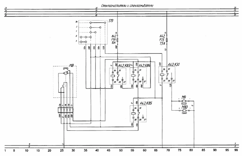
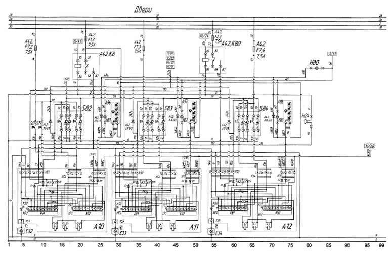
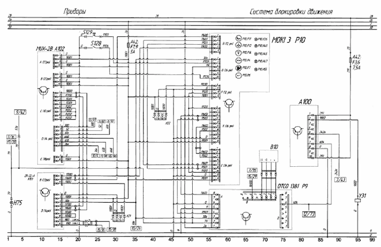
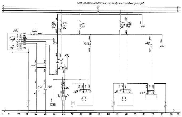
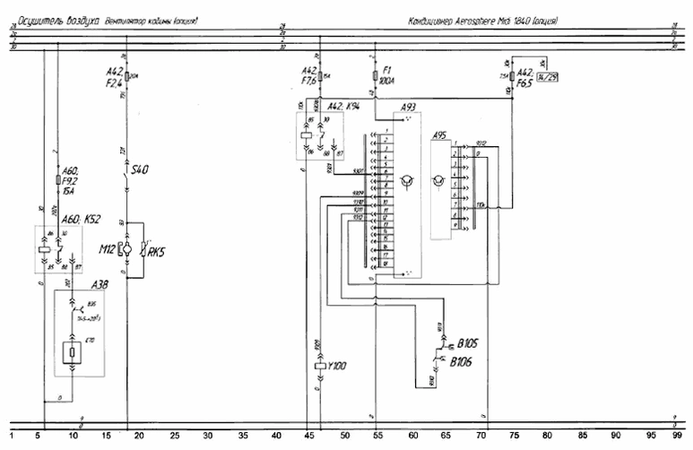
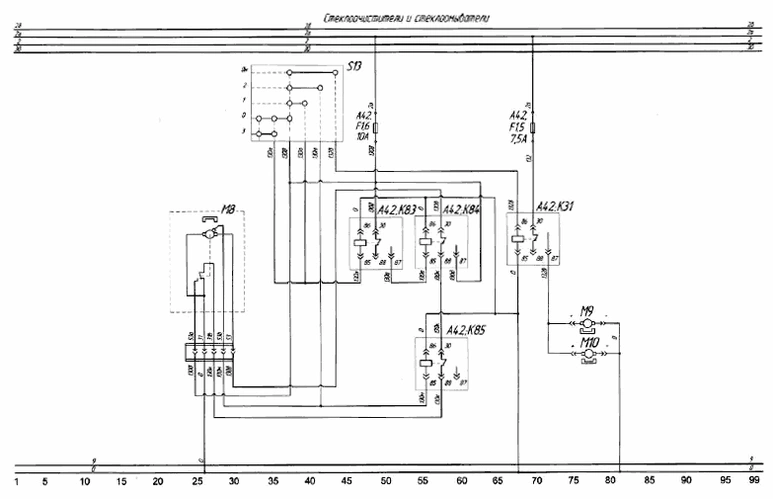
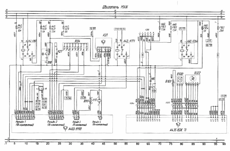
ЭЛЕКТРИЧЕСКАЯ СХЕМА
Далее приведена электрическая схема автобуса.
Провода №№ 2, 2а, 26, 2ж, 30, 9, 0 проходят через все листы схемы. Они показаны сверху и снизу на каждом листе. Для других проводов, проходящих по двум листам схемы и более, принята следующая система связи: на каждом листе провод условно оборван и на месте обрыва проставлены в прямоугольнике через дробь два числа, первое из которых обозначает номер листа, на котором данный провод начинается (продолжается), а второе - номер зоны на этом листе. Нумерация зон проставлена внизу на каждом листе.
После схемы помещен перечень элементов, изображенных на схеме.
На схемах и в перечне применены следующие обозначения:
- все электрические устройства (аппараты, узлы, приборы), их элементы имеют обозначения по стандартам ЕСКД;
- провода имеют цифровые или цифро-буквенные обозначения, соответствующие маркировке,
нанесенной на самих проводах методом горячего тиснения;
- контакты имеют цифровые, буквенные или цифро-буквенные обозначения, соответствующие их маркировке на изделиях;
Следует иметь ввиду, что могут быть варианты комплектования автобуса отдельными агрегатами
и в связи с этим будут отличия в той части схемы, которая связана с этими агрегатами.
















