Диагностика двигателей
ЯМЗ-536, ЯМЗ-5361, ЯМЗ-5362, ЯМЗ-5363, ЯМЗ-5364,
их модификации и комплектации
СИСТЕМА EOBD (БОРТОВОЙ ДИАГНОСТИКИ)
В соответствии с требованием правил ЕЭК ООН №49-05В1 система контроля эмиссии EOBD стадии II сигнализирует водителю о наличии неисправности в работе систем двигателя и системы выпуска отработавших газов, которые приводят к отклонению выбросов NOx более 5 г/кВт ч по циклу испытаний OBD (сокращенному циклу ESC). В случае превышения порогового значения выбросов NOx 7 г/кВт∙ч и твердых частиц 0,1 г/кВт∙ч и эксплуатации транспортного средства с неисправностью в течение 50 часов, система контроля эмиссии ограничивает крутящий момент двигателя до 60% номинального вращающего момента независимо от частоты вращения двигателя (для транспортных средств категории N3>16 т, M3/III и M3/B>7,5 т).
Система EOBD обеспечивает хранение кодов ошибок и передачу посредством CAN линии данных электронным устройствам контроля двигателя EECU, а также фиксацию времени работы двигателя при активной индикации неисправностей связанных с эмиссией.
Система контроля эмиссии работоспособна:
при всех окружающих температурах между минус 7°C и плюс 35°C);
на всех высотах ниже 1600 м;
при температурах охлаждающей жидкости двигателя более чем 70°C.

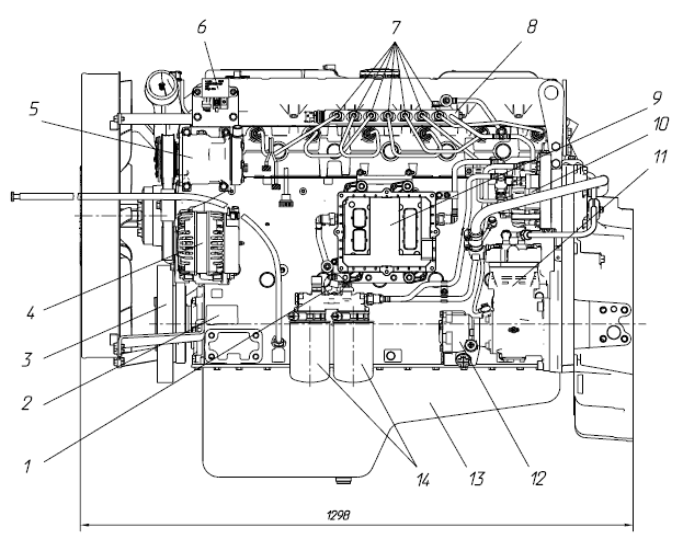
Расположение агрегатов и узлов, габаритные размеры двигателя ЯМЗ-536 (вид слева):
- 1 - датчик давления и температуры топлива;
- 2 - место установки заводской таблички;
- 3 - гаситель крутильных колебаний;
- 4 - генератор;
- 5 - компрессор кондиционера;
- 6 - реле предпускового подогревателя;
- 7 - топливные трубки высокого давления;
- 8 - рампа;
- 9 - электронный блок управления;
- 10 - насос топливный высокого давления;
- 11 - компрессор пневмотормозов;
- 12 - насос гидроусилителя руля (НГУР);
- 13 - картер масляный;
- 14 - фильтр тонкой очистки топлива

Расположение агрегатов и узлов двигателя ЯМЗ-536 (вид справа):
- 1 - смотровой лючок механизма проворота коленчатого вала;
- 2 - датчик давления и температуры масла;
- 3 - управление заслонкой рециркуляции отработавших газов EGR;
- 4 - датчик температуры охлаждающей жидкости;
- 5 - турбокомпрессор;
- 6 - датчик давления и температуры наддувочного воздуха;
- 7 - пневмоклапан управления заслонкой EGR;
- 8 - фильтр масляный;
- 9 - пневмоклапан управления заслонкой моторного тормоза;
- 10 - стартер

Расположение агрегатов и узлов двигателя ЯМЗ-536 (вид сверху):
- 1 - указатель уровня масла;
- 2 - система рециркуляция отработавших газов EGR;
- 3 - система вентиляции картера;
- 4 - датчик частоты вращения коленчатого вала;
- 5 - датчик давления топлива в рампе;
- 6 - крышка маслозаливная
СИСТЕМА ПИТАНИЯ ТОПЛИВОМ
ОБЩЕЕ УСТРОЙСТВО И РАБОТА
Топливная система аккумуляторного типа – Common Rail System (CRS) с электронным управлением подачей топлива производства фирмы Robert Bosch (Германия).
CRS BOSCH с электронным блоком управления обеспечивает:
- точную дозировку цикловой подачи топлива для каждого рабочего режима и многофазный впрыск;
- регулировку углов опережения впрыска топлива в зависимости от частоты вращения, нагрузки, температуры;
- гибкое регулирование давления впрыскивания топлива в широком диапазоне;
- легкий пуск двигателя с минимальным выбросом вредных веществ в атмосферу при любых температурных условиях;
- корректировку процесса топливоподачи в зависимости от условий окружающей среды с целью снижения выбросов вредных веществ;
совместимость с электронными системами автомобиля и бортовой системой контроля и диагностики по каналу CAN, обеспечивает диагностику, выполняет функции ограничения скорости, аварийной защиты двигателя, круиз-контроля и дублирования управления от дополнительного органа с пульта оператора.

Основные узлы топливной системы Common Rail
Топливная система работает следующим образом:
топливо из топливного бака через фильтр предварительной очистки топлива и электронный блок управления 3 подается шестеренчатым топливоподкачивающим насосом, выполненным в едином корпусе топливного насоса высокого давления 10, под давлением 700…800 кПа (7…8 кгс/см2) в фильтр тонкой очистки топлива 1, обеспечивающим высокую степень очистки топлива, так как система «Common Rail» более чувствительна к загрязнению. В контуре низкого давления системы питания в магистрали всасывания установлен запорный клапан, предотвращающий слив топлива во время стоянки при неработающем двигателе.
Далее топливо поступает в трехплунжерный ТНВД, который запитывается через дозирующее устройство с электроклапаном.
Из топливного насоса топливо под давлением поступает в общий топливопровод – рампу 8 (аккумулятор), далее по трубкам высокого давления 4 подводится к каждой форсунке 5. Форсунки подают топливо под давлением в камеру сгорания. Продолжительность впрыскивания определяется длительностью электрического импульса от электронного блока управления двигателя.
Уровень давления топлива в рампе, оптимальный данному режиму работы двигателя, задается электронным блоком управления и определяется балансом расхода топлива через форсунки и производительностью топливного насоса.
В системе Common Rail давление впрыскивания топлива не зависит от момента начала и продолжительности впрыскивания.
Это делает возможным, наряду с основным впрыскиванием, от которого зависит крутящий момент двигателя, осуществлять другие фазы впрыскивания:
предварительное впрыскивание с незначительной величиной подачи, которое снижает главным образом шум сгорания;
дополнительное впрыскивание, позволяющее снизить уровень эмиссии отработавших газов.
Действительная величина подачи топлива обусловлена давлением и продолжительностью впрыскивания.
Датчики, расположенные на двигателе, передают информацию о работе систем на электронный блок управления, который использует эту информацию для управления впрыском и подачи сигнала о работе других систем на щиток приборов и управления исполнительными механизмами, обеспечивающими работу двигателя.

Схема топливной системы:
- 1 – фильтр тонкой очистки топлива;
- 2 – трубка подвода топлива к двигателю;
- 3 – электронный блок управления (ЭБУ);
- 4 – трубки высокого давления;
- 5 – форсунка;
- 6 – штуцер боковой;
- 7 – трубка слива топлива с двигателя;
- 8 – рампа;
- 9 – трубка высокого давления ТНВД;
- 10 – ТНВД с топливоподкачивающим насосом;
- 11 – трубка подвода топлива к топливоподкачивающему насосу;
- 12 – трубка подвода топлива к ТНВД;
- 13 – трубка подвода топлива к фильтру
Электронная система управления двигателем обеспечивает самодиагностику работы блока управления, датчиков и других устройств транспортного средства. При обнаружении отклонений в работе двигателя в кабине транспортного средства загорается диагностическая лампа. В этом случае необходимо обратиться на станцию технического обслуживания для определения причин неисправности.
ВНИМАНИЕ!
1. ВО ИЗБЕЖАНИЕ ПОЛОМКИ ТНВД НЕ ДОПУСКАЕТСЯ ПЕРЕКРЫТИЕ МАГИСТРАЛИ СЛИВА ТОПЛИВА С ДВИГАТЕЛЯ, В ТОМ ЧИСЛЕ НА НЕРАБОТАЮЩЕМ ДВИГАТЕЛЕ (ПРИ ВКЛЮЧЕННОМ И ВЫКЛЮЧЕННОМ ПОЛОЖЕНИИ ВЫКЛЮЧАТЕЛЯ ПРИБОРОВ И СТАРТЕРА, ПРИ БУКСИРОВКЕ И ПУСКЕ ДВИГАТЕЛЯ МЕТОДОМ БУКСИРОВКИ).
2. ТОПЛИВНАЯ АППАРАТУРА НЕ ПОДЛЕЖИТ ТЕХНИЧЕСКОМУ ОБСЛУЖИВАНИЮ. В СЛУЧАЕ ОБНАРУЖЕНИЯ ЛЮБЫХ НЕИСПРАВНОСТЕЙ ПО ТОПЛИВНОЙ АППАРАТУРЕ НЕОБХОДИМО ОБРАЩАТЬСЯ НА СЕРВИСНЫЕ СТАНЦИИ.
ДИАГНОСТИКА ЭЛЕКТРОННОЙ СИСТЕМЫ УПРАВЛЕНИЯ
Электронная система управления двигателем обеспечивает самодиагностику работы блока управления, датчиков и других устройств транспортного средства (ТС).
При обнаружении отклонений в работе двигателя в кабине ТС загорается диагностическая лампа.
При загорании диагностической лампы, необходимо нажать и удерживать диагностическую клавишу более 2 секунд. После отпускания клавиши диагностическая лампа «промигает» блинк-код неисправности двигателя в виде серии вспышек (см. пример блинк-кода 1-2-4 на рисунке).
При следующем нажатии на диагностическую клавишу будет «мигать» блинк-код следующей неисправности. Таким образом, выводятся все неисправности, хранящиеся в электронном блоке.
После вывода последней запомненной неисправности блок управления начинает вновь выводить первую неисправность.

Пример блинк-кода 1-2-4 (пониженное напряжение бортовой сети)
ПЕРЕЧЕНЬ РАБОТ ПО ДИАГНОСТИКЕ
№1 ДИАГНОСТИКА АКТИВАЦИИ (ВКЛЮЧЕНИЯ) СТАРТЕРА
1. Подключить диагностический прибор и проверить наличие ошибок в ЭСУ.
2. Проверить наличие напряжения на реле стартера (реле блокировки, устанавливаемое заводом-изготовителем шасси).
3. Если напряжение отсутствует, проверить состояние промежуточного жгута, при необходимости, заменить жгут.
4. Проверить состояние контактов разъема промежуточного жгута 37 и 51. Восстановить контакты, при необходимости, заменить жгут.
5. При наличии напряжения заменить тяговое реле стартера или стартер.
6. После устранения неисправности удалить ошибки.
№2 ДИАГНОСТИКА ДАТЧИКОВ ЧАСТОТЫ ВРАЩЕНИЯ КОЛЕНЧАТОГО И РАСПРЕДЕЛИТЕЛЬНОГО ВАЛОВ
1. Подключить диагностический прибор и проверить наличие ошибок в ЭСУ.
2. Проверить состояние жгута проводов датчиков двигателя, при необходимости, восстановить или заменить жгут.
3. Проверить состояние контактов 9, 10, 19 и 23 разъема жгута проводов датчиков на ЭБУ, при необходимости, восстановить контакты или заменить ЭБУ.
4. Проверить зазоры между: датчиком частоты вращения коленчатого вала и маховиком; датчиком частоты вращения распределительного вала и его шестерней. Они должны составлять 1±0,5 мм.
5. Проверить состояние датчиков (сопротивление исправного датчика 1±0,1 кОм), при необходимости, заменить датчики.
6. Проверить параметр «Синхронизация датчиков частоты вращения».

После устранения неисправности удалить ошибки.
№3 ДИАГНОСТИКА ДРЕНАЖА
1. Отсоединить дренажные топливопроводы.
2. При прокрутке двигателя стартером визуально (по характеру истечения) оценить количество топлива, отводимого от ТНВД, рампы и форсунок по отдельности. В дренаж форсунок (из головки цилиндров) и рампы (из аварийного клапана) топливо не должно поступать, допускается несколько капель.
При поступлении топлива в дренаж форсунок, проверить правильность установки боковых штуцеров форсунок и, соблюдая требования, установить боковые штуцеры форсунок, при необходимости, заменить их.
3. При поступлении топлива в дренаж рампы (допускается несколько капель), заменить рампу.
№4 ДИАГНОСТИКА ПОДКАЧИВАЮЩЕГО НАСОСА И ТНВД
1. Подключить диагностический прибор и проверить наличие ошибок в ЭСУ.
2. Проверить показания датчика давления и температуры топлива в КНД (установлен в корпус фильтра тонкой очистки топлива) при прокрутке двигателя стартером (должно быть не менее 0,2 МПа (2 кГс/см2)).
3. При отсутствии давления осмотреть топливопроводы на предмет их негерметичности и деформации.
4. Отсоединить трубку подвода топлива к фильтру тонкой очистки топлива или от фильтра к ТНВД. При прокрутке двигателя стартером убедиться, что подкачивающий насос осуществляет подачу топлива. При необходимости, заменить ТНВД в сборе.
5. При наличии давления проверить подачу топлива из ТНВД в рампу, отсоединив трубку высокого давления ТНВД, и, при необходимости, заменить ТНВД.
6. После устранения неисправности удалить ошибки.
№5 ДИАГНОСТИКА КОНТУРА НИЗКОГО ДАВЛЕНИЯ (КНД)
1. Подключить диагностический прибор и проверить наличие ошибок в ЭСУ.
2. Проверить уровень засоренности фильтров очистки топлива и состояние топливопроводов, при необходимости, заменить сменные фильтры и восстановить топливопроводы.
3. Проверить показания датчика давления и температуры топлива в КНД (установлен в корпус фильтра тонкой очистки топлива) при прокрутке двигателя стартером (должно быть не менее 0,2 МПа (2 кГс/см2)).
При отсутствии давления осмотреть подкачивающий насос, при необходимости, заменить ТНВД в сборе.
4. Проверить показания датчика давления и температуры топлива в КНД при минимальной частоте вращения холостого хода (для чистых фильтров и при отсутствии других источников сопротивления должно быть 0,5-0,6 МПа(5-6 кГс/см2)).
При давлении более 0,9 МПа (9 кГс/см2) (полное засорение) фиксируется неисправность «Засорение ФТОТ» - заменить сменный фильтр фильтра тонкой очистки топлива (ФТОТ).
При давлении менее 0,4 МПа (4 кГс/см2) проверить линию подвода топлива от бака к двигателю на наличие участков с повышенным сопротивлением. Устранить неисправности, при необходимости, заменить деформированные топливопроводы или сменный фильтр фильтра предварительной очистки топлива.
5. Проверить показания счетчика открытия аварийного клапана, при необходимости, обнулить.
6. После устранения неисправности удалить ошибки.
№6 ДИАГНОСТИКА ДАТЧИКОВ ПОЛОЖЕНИЯ ПЕДАЛИ АКСЕЛЕРАТОРА
1. Подключить диагностический прибор и проверить наличие ошибок в ЭСУ.
2. Проверить сигналы, поступающие с датчиков педали акселератора.
Если во время движения с постоянным положением педали фиксируются случаи изменения положения педали до 0, необходимо проверить электрическую цепь до датчиков педали и, при необходимости, заменить жгут или педаль акселератора.
3. Замерить напряжение на датчиках положения педали акселератора. Рабочие напряжения приведены в таблице

4. После устранения неисправности удалить ошибки.
№7 ДИАГНОСТИКА МАГИСТРАЛИ СЛИВА ТОПЛИВА С ДВИГАТЕЛЯ
1. Подключить диагностический прибор и проверить наличие ошибок в ЭСУ.
2. Сравнить заданную и текущую величины давления топлива в рампе. При работе двигателя в режиме минимального холостого хода, при возникновении повышенного сопротивления в магистрали слива топлива с двигателя (при условии, что клапан дозатор исправен, см. «№8 Диагностика управляющего клапана ТНВД»), наблюдается медленный рост давления топлива в рампе до величины открытия аварийного клапана.
3. Проверить магистраль слива топлива с двигателя и устранить дефекты, при необходимости, заменить вышедшие из строя детали.
4. Проверить показания счетчика открытия аварийного клапана. Обнулить показания счетчика открытия аварийного клапана.
5. После устранения неисправности удалить ошибки.
№8 ДИАГНОСТИКА УПРАВЛЯЮЩЕГО КЛАПАНА (КЛАПАНА ДОЗАТОРА) ТНВД
1. Подключить диагностический прибор и проверить наличие ошибок в ЭСУ.
2. Проверить параметр «Действительное значение тока для управляющего клапана ТНВД». На прогретом двигателе при минимальной частоте холостого хода ток должен быть 1100 … 1500 мА. Если показания выходят из диапазона, заменить управляющий клапан ТНВД.
3. Проверить значение параметра «Скважность тока для управляющего клапана ТНВД». На прогретом двигателе при минимальной частоте холостого хода данный параметр находится в диапазоне 18…20%. Максимальный диапазон индикации 0…50%. Если наблюдается расхождение показаний, заменить
управляющий клапан ТНВД.
4. Проверить состояние электрической цепи от управляющего клапана ТНВД до разъема на ЭБУ (контакты 9 и 10) согласно электрической и монтажной схемам жгута проводов форсунок, при необходимости, восстановить или заменить жгут.
5. Проверить показания счетчика открытия аварийного клапана, при необходимости, обнулить.
ДОПОЛНИТЕЛЬНО ПРИ ЗАВИСАНИИ КЛАПАНА В ОТКРЫТОМ СОСТОЯНИИ:
6. Замерить давление топлива в рампе. При пуске двигателя давление топлива в рампе резко поднимается выше 200 МПа (2000 кГс/см2), а затем падает до 80-90 МПа (800-900 кГс/см2).
Вывести параметр «Давление топлива в аккумуляторе топлива» в графическом виде.
7. Проверить показания счетчика открытия аварийного клапана, при необходимости, обнулить показания счетчика.
8. Заменить управляющий клапан топлива или ТНВД.
9. После устранения неисправности удалить ошибки.
№9 ДИАГНОСТИКА ФИЛЬТРА ТОНКОЙ ОЧИСТКИ ТОПЛИВА
1. Подключить диагностический прибор и проверить наличие активных и сохраненных ошибок в ЭБУ.
2. Проверить показания датчика давления и температуры топлива в КНД (установлен в корпус фильтра тонкой очистки топлива) при минимальной частоте вращения холостого хода.
Должно быть не более 0,9 МПа (9 кГс/см2). При давлении более 0,9 МПа фиксируется неисправность «Засорение ФТОТ».
Заменить сменный фильтр для топлива фильтра тонкой очистки.
3. После устранения неисправности удалить ошибки.
№10 ТЕСТ ФОРСУНОК
1. Подключить диагностический прибор и проверить наличие ошибок в ЭСУ.
2. Провести тест форсунок при частоте вращения холостого
хода 1000 мин-1 или в режиме минимального холостого хода.
3. Вычислить разницу между полученными значениями частоты вращения для каждого цилиндра до их отключения и после.
4. Определить среднее значение этой разницы для цилиндров, в которых она находится примерно на одном уровне.
5. Отклонение от среднего значения не должно превышать ±15 мин-1.
6. При необходимости, заменить распылители или форсунки.
7. После устранения неисправности удалить ошибки.
№11 ТЕСТ КОМПРЕССИИ
1. Подключить диагностический прибор и проверить наличие ошибок в ЭСУ.
2. Провести тест компрессии при прокручивании двигателя стартером. Разброс между результатами теста по каждому цилиндру должен находиться в пределах 12 мин-1.
3. Заменить вышедшие из строя детали.
4. После устранения неисправности удалить ошибки.
№12 ДИАГНОСТИКА СИСТЕМЫ РЕЦИРКУЛЯЦИИ ОТРАБОТАВШИХ ГАЗОВ (РОГ)
1. Подключить диагностический прибор и проверить наличие ошибок в ЭСУ.
2. При повороте ключа включения приборов и стартера в положение «I» (включены приборы и система управления двигателем) проверить «Действительное положение заслонки EGR», должно быть «0 %». При этом «Напряжение с датчика заслонки рециркуляции» должно быть в пределах 0,5 – 0,9 В.
3. Проверить заклинивание самой заслонки.
4. Заменить заслонку системы РОГ.
5. После устранения неисправности удалить ошибки.
№13 ДИАГНОСТИКА МОТОРНОГО ТОРМОЗА
1. Подключить диагностический прибор и проверить наличие ошибок в ЭСУ.
2. Нажать несколько раз кнопку включения моторного тормоза, отслеживая статус кнопки по показаниям диагностического прибора (возможные значения 0 или 1).
3. Проверить состояние кнопки включения моторного тормоза.
4. Проверить состояние электрической цепи от кнопки моторного тормоза до разъема на ЭБУ согласно электрической и монтажной схеме промежуточного жгута.
5. Проверить состояние контакта 48 разъема промежуточного жгута на ЭБУ, при необходимости, восстановить контакты или заменить ЭБУ.
6. После устранения неисправности удалить ошибки.
№14 ДИАГНОСТИКА ДАТЧИКА ТЕМПЕРАТУРЫ ОЖ
1. Подключить диагностический прибор и проверить наличие ошибок в ЭСУ.
2. Проверить состояние жгута проводов датчиков двигателя, при необходимости, восстановить или заменить жгут.
3. Заменить датчик температуры ОЖ.
4. После устранения неисправности удалить ошибки.
№15 ДИАГНОСТИКА ДАТЧИКА ДАВЛЕНИЯ В РАМПЕ
1. Подключить диагностический прибор и проверить наличие ошибок в ЭСУ.
2. При обрыве или коротком замыкании электрической цепи ЭБУ зафиксирует ошибку. При обрыве или отключении датчика давление в рампе принимает замещающее значение равное 850 бар (850 кГс/см2).
3. Проверить состояние электрической цепи от датчика давления до разъема на ЭБУ согласно схеме электрической принципиальной и монтажной схеме жгута проводов датчиков двигателя, при необходимости, восстановить или заменить жгут.
4. Если сигнал с датчика давления находится в пределах 0,5-4,5В, ЭСУ может не диагностировать неисправность самого датчика. Ошибка диагностируется наблюдением за изменением показаний датчика (давление в рампе должно меняться с изменением частоты вращения). При работе двигателя на
холостом ходу давление в рампе 350-400 бар (350-400 кГс/см2).
5. Осмотреть визуально состояние датчика.
6. При необходимости, заменить датчик.
7. После устранения неисправности удалить ошибки.