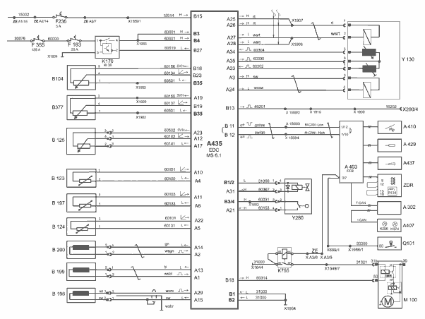
Электрическая схема EDC MS 6.1 MAN
- A302 Центральный бортовой компьютер (ЦБК)
- A403 Управляющий процессор автомобиля
- A407 Приборная панель
- A410 Педаль акселератора
- A429 Выключатель Темпомат
- A435 Блок управления EDC
- A437 Сенсорный переключатель тормоза-замедлителя
- B104 Датчик давления масла
- B123 Датчик температуры наддувочного воздуха
- B124 Датчик температуры охлаждающей жидкости
- B125 Датчик давления наддува
- B197 Датчик температуры топлива
- B198 Датчик движения иглы
- B199 Датчик частоты вращения
- B200 Вспомогательный датчик частоты вращения
- B377 Датчик давления топлива
- F163 Предохранитель регулировки двигателя (кл. 30)
- F236 Предохранитель регулировки двигателя (кл. 15)
- F355 Главный предохранитель 30-2
- H296 Контрольная лампа EDC
- H374 Контрольная лампа загрязнения воздушного фильтра
- K170 Главное реле
- K755 Реле управления стартером
- M100 Стартер
- Q101 Выключатель стартера
- R134 Группа резисторов
- X200 Разъем диагностики MAN-cats (ISO К-кабель)
- X669 Штекерное соединение блокировки пуска
- X1549 Штекерное соединение двигатель/коробка передач
- X1559 Штекерное соединение EDC
- X1644 Точка массы в кабине
- X1680 Штекерное соединение EDC (кл. 15)
- X1904 Шпилька M6 (блок MP)
- X1906 Шпилька M6 (блок MP)
- X1907 Шпилька M6 (блок MP)
- X1966 Штекерное соединение замка зажигания
- X1982 Шпилька M5 (блок MP)
- X1983 Шпилька M6 (блок MP)
- X1990 Шпилька M5 (блок MP)
- Y130 Регулятор ТНВД
- Y280 Цилиндр рециркуляции ОГ (AGR)
- ZDR Интерфейс промежуточной частоты вращения
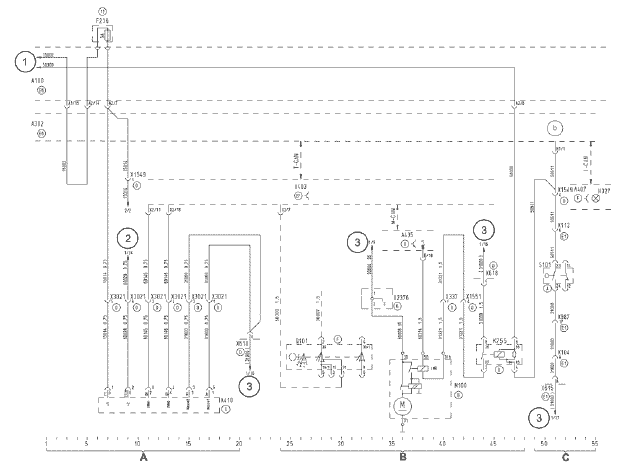
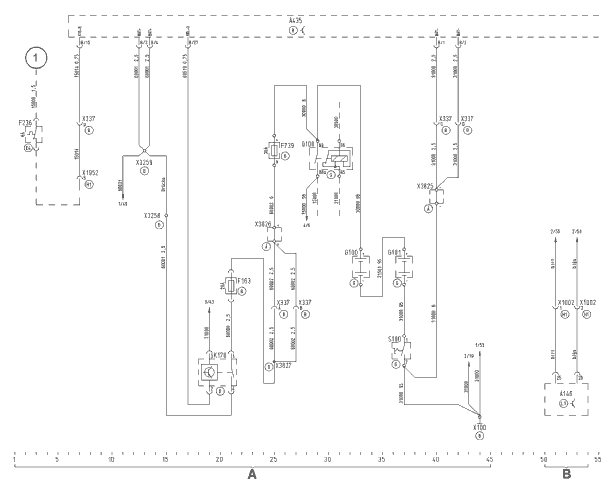
EDC MS 6.1 туристические автобусы
(Лист 1 из 4)
- A Модуль педали акселератора
- B Стартерная система/стартер
- C Блокировка пуска через роликовый выключатель в задней части
- A100 Блок предохранителей и реле (БПР)
- A302 Центральный процессор 2
- A403 Управляющий процессор автомобиля
- A407 Приборная панель
- A410 Модуль педали акселератора
- A435 Блок управления EDC
- F236 Предохранитель регулировки двигателя (клемма 15)
- H327 Контрольная лампа блокировки стартера
- K755 Реле управления стартером
- M100 Стартер
- Q101 Замок рулевого колеса
- S101 Пусковой блокиратор
- X104 Штекерное соединение главный фидер - приборная плата 1
- X113 Штекерное соединение главный фидер - задняя часть кузова
- X337 Штекерное соединение EDC/CNG разъем двигателя
- X615 Распределитель кабеля 31000
- X618 Распределитель кабеля 31000
- X987 Штекерное соединение главный фидер - задняя часть кузова
- X1549 Штекерное соединение двигатель/EDC/коробка передач I
- X1551 Штекерное соединение двигатель/EDC/коробка передач II
- X2376 Разъем стартера
- X3021 Штекерное соединение датчика педали акселератора
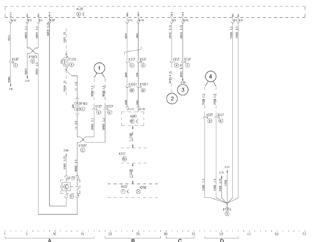
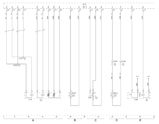
(Лист 2 из 4)
- A Электропитание EDC
- B Шина данных CAN
- C Диагностика
- D Точка массы блока MP
- A302 Центральный процессор 2
- A403 Управляющий процессор автомобиля
- A407 Приборная панель
- A435 Блок управления EDC
- F163 Предохранитель регулировки двигателя (клемма 30)
- F355 Главный предохранитель (клемма 30-2)
- H296 Контрольная лампа EDC (сбой)
- K170 Реле электропитания регулировки двигателя (клемма 30)
- X337 Штекерное соединение EDC/CNG разъем двигателя
- X1001 Штекерное соединение шина данных CAN регулирование двигателя
- X1904 Шпилька M6 (блок MP)
- X1983 Шпилька M6 (блок MP)
- X1987 Шпилька M6 (блок MP)
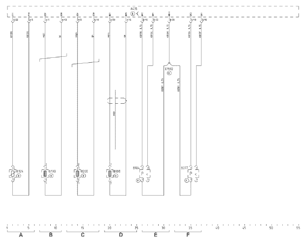
(Лист 3 из 4)
- A Регулятор
- B Датчик температуры топлива
- C Датчик давления наддува
- D Датчик температуры воздуха
- E Цилиндр рециркуляции ОГ
- A435 Блок управления EDC
- B123 Датчик температуры наддувочного воздуха
- B125 Датчик давления наддувочного воздуха
- B197 Датчик температуры топлива
- X1906 Шпилька M6 (блок MP)
- X1907 Шпилька M6 (блок MP)
- Y130 Регулятор ТНВД
- Y280 Цилиндр рециркуляции ОГ (AGR)
(Лист 4 из 4)
- A Датчик температуры воды
- B Датчик частоты вращения
- C Вспомогательный датчик частоты вращения
- D Датчик движения иглы
- E Датчик давления масла
- F Датчик давления топлива
- A435 Блок управления EDC
- B104 Датчик давления масла
- B124 Датчик температуры охлаждающей воды
- B198 Датчик движения иглы
- B199 Датчик частоты вращения
- B200 Вспомогательный датчик частоты вращения
- B377 Датчик давления топлива
- X1982 Шпилька M5 (блок MP)
EDC MS 6.1 междугородные автобусы с двигателем D2866 LUH 27/28/29
(Лист 1 из 4)
- A Регулятор
- B Датчик температуры топлива
- C Датчик давления наддува
- D Датчик температуры воздуха
- E Цилиндр рециркуляции ОГ
- A435 Блок управления EDC
- B123 Датчик температуры наддувочного воздуха
- B125 Датчик давления наддувочного воздуха
- B197 Датчик температуры топлива
- X3260 Ультразвуковое сварное соединение
- X3261 Ультразвуковое сварное соединение
- X3288 Штекерное соединение адаптации системы фильтрации
- Y130 Регулятор ТНВД
- Y280 Цилиндр рециркуляции ОГ (AGR)
(Лист 2 из 4)
- A Датчик температуры воды
- B Датчик частоты вращения
- C Вспомогательный датчик частоты вращения
- D Датчик движения иглы
- E Датчик давления масла
- F Датчик давления топлива
- G Точка массы двигателя
- A435 Блок управления EDC
- B104 Датчик давления масла
- B124 Датчик температуры охлаждающей воды
- B198 Датчик движения иглы
- B199 Датчик частоты вращения
- B200 Вспомогательный датчик частоты вращения
- B377 Датчик давления топлива
- X100 Подключение на массу двигателя
- X3262 Ультразвуковое сварное соединение
- X3344 Штекерное соединение двигатель/EDC 2
(Лист 3 из 4)
- A Шина данных M-CAN
- B Диагностика
- C Электропитание
- D Дозаправка масла
- A403 Управляющий процессор автомобиля
- A435 Блок управления EDC
- B264 Уровневый контактор дозаправки масла
- F163 Предохранитель регулировки двигателя (клемма 30)
- K170 Реле электропитания регулировки двигателя (клемма 30)
- X3255 Шпилька M10 (силовой блок)
- X3258 Шпилька M5 (силовой блок)
- X3259 Шпилька M8 (силовой блок)
- X3343 Штекерное соединение двигатель/EDC 1
- X3344 Штекерное соединение двигатель/EDC 2
(Лист 4 из 4)
- A Управление стартером
- A435 Блок управления EDC
- K755 Реле управления стартером
- M100 Стартер
- Q101 Замок рулевого колеса
- S101 Пусковой блокиратор
- X1124 Точка массы на основной коммутационной панели
- X3255 Шпилька M10 (силовой блок)
- X3256 Шпилька M10 (силовой блок)
- X3257 Шпилька M5 (силовой блок)
- X3344 Штекерное соединение двигатель/EDC 2
- X3438 Точка массы в задней части кузова (кожух моторного отсека)
- X3470 Цоколь реле K755, K315
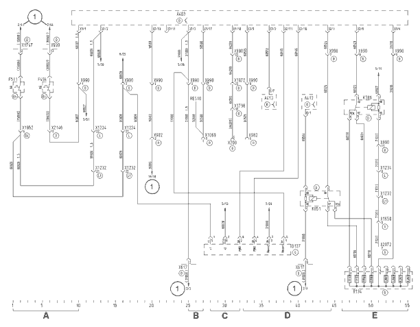
EDC MS 6.1 маршрутные автобусы
(Лист 1 из 6)
- A Регулятор
- B Датчик температуры топлива
- C Датчик давления наддува
- D Датчик температуры воздуха
- E Цилиндр рециркуляции ОГ
- A435 Блок управления EDC
- B123 Датчик температуры наддувочного воздуха
- B125 Датчик давления наддува
- B197 Датчик температуры топлива
- X3260 Ультразвуковое сварное соединение
- X3261 Ультразвуковое сварное соединение
- X3288 Штекерное соединение адаптации системы фильтрации
- Y130 Регулятор ТНВД
- Y280 Цилиндр рециркуляции ОГ (AGR)
(Лист 2 из 6)
- A Датчик температуры воды
- B Датчик частоты вращения
- C Вспомогательный датчик частоты вращения
- D Датчик движения иглы
- E Датчик давления масла
- F Датчик давления топлива
- G Шина данных CAN
- H T-CAN
- A360 Мультиплексный центральный процессор (ZBRO)
- A402 Блок управления EBS
- A403 Управляющий процессор автомобиля
- A435 Блок управления EDC
- B104 Датчик давления масла
- B124 Датчик температуры охлаждающей жидкости
- B198 Датчик движения иглы (EDC)
- B199 Датчик частоты вращения
- B200 Вспомогательный датчик частоты вращения
- B377 Датчик давления топлива
- R155 Нагрузочное сопротивление шины данных CAN
- X337 Штекерное соединение EDC/CNG разъем двигателя
- X1007 Штекерное соединение шины данных CAN CRT - ECU
- X1008 Штекерное соединение шины данных CAN
- X1232 Штекерное соединение поворотный круг - тягач справа
- X1234 Штекерное соединение передняя часть автопоезда - поворотный круг справа
- X1788 Ультразвуковое сварное соединение, центральный бортовой компьютер T-CAN
- X1791 Штекер шины данных CAN EBS
- X2504 Штекер шины данных CAN управляющего процессора
- X3262 Ультразвуковое сварное соединение
(Лист 3 из 6)
- A Электропитание
- B T-CAN
- A146 Блок управления коробки передач
- A435 Блок управления EDC
- F163 Предохранитель регулировки двигателя (клемма 30)
- F236 Предохранитель регулировки двигателя (клемма 15)
- F739 Главный предохранитель EDC
- G100 Аккумуляторная батарея 1
- G101 Аккумуляторная батарея 2
- K170 Реле электропитания регулировки двигателя (клемма 30)
- Q100 Главный выключатель аккумулятора
- S100 Прерыватель аккумулятора
- X100 Подключение на массу двигателя
- X337 Штекерное соединение EDC/CNG разъем двигателя
- X1002 Штекерное соединение шины данных CAN коробки передач
- X1952 Штекерное соединение приборной платы, крыша
- X3258 Шпилька M5 (силовой блок)
- X3259 Шпилька M8 (силовой блок)
- X3825 Штекерное соединение EDC, вывод потенциала -
- X3826 Штекерное соединение EDC, вывод потенциала +
- X3827 Ультразвуковое сварное соединение
(Лист 4 из 6)
- A Управление стартером
- B Диагностика
- C Дозаправка масла
- A292 Реле блокировки/повтора пуска
- A418 Мультиплексный узел сзади справа 1.8
- A428 Мультиплексный узел сзади слева 2.8
- A435 Блок управления EDC
- B264 Уровневый контактор дозаправки масла
- F102 Предохранитель управления пуском
- K755 Реле управления стартером
- M100 Стартер
- S101 Пусковой блокиратор
- X113 Штекерное соединение главный фидер - задняя часть кузова
- X200 Штекерное соединение диагностики
- X337 Штекерное соединение EDC/CNG разъем двигателя
- X615 Распределитель кабеля 31000
- X968 Штекерное соединение главный фидер - двигатель
- X990 Штекерное соединение основная коммутационная панель - регулировка двигателя
- X999 Распределитель кабеля 30022
- X1086 Штекерное соединение основной кабельный жгут - приборная плата
- X1220 Штекерное соединение поворотный круг - тягач справа
- X1226 Штекерное соединение передняя часть автопоезда - поворотный круг справа
- X1228 Штекерное соединение поворотный круг - тягач справа
- X1798 Штекерное соединение основная коммутационная панель - перегородка места водителя
- X1872 Штекерное соединение перегородка места водителя - основная коммутационная панель
- X3255 Шпилька M10 (силовой блок)
- X3256 Шпилька M10 (силовой блок)
- X3257 Шпилька M5 (силовой блок)
(Лист 5 из 6)
- A Электропитание
- B Диагностика
- C Повышение холостого хода
- D Интерфейс CAN/Педальный узел
- E Группа резисторов
- A403 Управляющий процессор автомобиля
- A413 Мультиплексный узел спереди, блоки управления 1.3
- B127 Педаль акселератора
- F494 Предохранитель резерв основной коммутационной панели (30022)
- F511 Предохранитель резерв задней части кузова (15008)
- K386 Реле передачи заднего хода, сокращение газа на сочлененном автобусе
- K851 Реле ограничения крутящего момента при угле излома 17°
- R134 Группа резисторов EDC
- RES10 Учитывайте указание на электрическую схему.
- X200 Штекерное соединение диагностики
- X617 Распределитель кабеля 31000
- X982 Штекерное соединение узла регулировки двигателя
- X990 Штекерное соединение основная коммутационная панель - регулировка двигателя
- X999 Распределитель кабеля 30022
- X1069 Штекерное соединение основная коммутационная панель - узел регулировки двигателя
- X1232 Штекерное соединение поворотный круг - тягач справа
- X1234 Штекерное соединение передняя часть автопоезда - поворотный круг справа
- X1650 Штекерное соединение приборной платы CNG
- X1747 Распределитель кабеля 15008
- X1798 Штекерное соединение основная коммутационная панель - перегородка места водителя
- X1872 Штекерное соединение перегородка места водителя - основная коммутационная панель
- X1952 Штекерное соединение приборной платы, крыша
- X2072 Штекерное соединение фидер задней части - E 4 (система поддержки при трогании с места)
- X2146 Передаточный штекер поперечного канала
(Лист 6 из 6)
- A Ретардер ВКЛ
- B Группы резисторов управляющего процессора, сбой
- C Стояночн. тормоз
- D Останов двигателя
- A403 Управляющий процессор автомобиля
- A413 Мультиплексный узел спереди, блоки управления 1.3
- A421 Мультиплексный узел спереди справа 2.1
- R234 Группа резисторов снижения потенциала
- R235 Группа резисторов снижения потенциала
- X115 Штекерное соединение основная коммутационная панель - передняя часть
- X617 Распределитель кабеля 31000
- X867 Штекерное соединение основная коммутационная панель - центральный процессор
- X869 Штекерное соединение основная коммутационная панель - центральный процессор
- X990 Штекерное соединение основная коммутационная панель - регулировка двигателя














