Тренинг персонала по топливной системе EDC MS 5 MAN

Содержание
- Электрооборудование
- Содержание
- Алфавитный указатель
- Сокращения
- Общая информация
- Правила техники безопасности
- Системное описание
- Общая информация
- Структура и принцип действия
- Интерфейсы к другим системам
- Функциональное описание
- Указания по обслуживанию
- Блок управления EDC
- Разводка контактов блока управления.
- ТНВД MS 5
- Электромагнитный регулятор MS 5
- Плунжерный регулятор
- ТНВД M(S)
- Электромагнитный регулятор M(S) 5
- Датчик движения иглы
- Датчик частоты вращения
- Датчик температуры охлаждающей жидкости
- Датчик температуры топлива
- Датчик температуры воздуха наддува
- Датчик давления наддува
- Выключатель на приближение
- Педальный датчик
- Элемент управления (переключатель на рулевой колонке)
- Коммутатор FGR/FGB
- Группа резисторов- 2
- Регулятор рециркуляции ОГ (AGR)
- Электрогидравлический механизм останова EHAB
- Описание компонентов
- Блок управления EDC
- ТНВД MS 5
- Датчик движения иглы
- Датчик частоты вращения
- Датчик температуры охлаждающей жидкости
- Датчик температуры топлива
- Датчик температуры воздуха наддува
- Датчик давления наддува
- Выключатель на приближение
- Педальный датчик
- Элемент управления (переключатель на рулевой колонке)
- Коммутатор FGR/FGB
- Группа резисторов
- Регулятор рециркуляции ОГ (AGR)
- Электрические схемы
- Содержание
- Диагностика
- Описание самодиагностики
- Мигающий код
- Перечень мигающих кодов MS 5 ступень 2
- Диагностика
- Перечень мигающих кодов MS 5 ступень 3 /4
- Перечень мигающих кодов MS 5 ступень 5
- Кнопка запроса мигающего кода
- Контрольный перечень быстрого тестирования
- План поиска сбоев
- Программа поиска сбоев
- Кривые осциллоскопа
- Программирование EOL
- Ввод в эксплуатацию и базовое программирование
- Базовое программирование MS 5 ступень 3/4
- Базовое программирование MS 5 ступень 5
- Экранные интерфейсы EOL MS 5 ступень 3 /4
- Экранные интерфейсы EOL MS 5 ступень 5
Сокращения
- a Ускорение
- ABS Антиблокировочная система
- ABV Автоматическое противоблокировочное устройство
- ACC Автоматический круиз-контроль (режим постоянной скорости Темпомат с автоматическим поддержанием безопасной дистанции)
- ADR Международное соглашение по автомобильной транспортировке опасных грузов
- AGB Автоматический ограничитель скорости
- AGND Analog Ground (аналоговая масса)
- AGR Рециркуляция ОГ
- AHV Тормозной клапан прицепа
- ALB Автоматическая система регулирования тормозного усилия в зависимости от нагрузки
- AMA Антенная мачта
- ANH Прицеп/полуприцеп
- AS Автоматическая коробка передач
- ASM Модуль управления прицепа
- ASR Антипробуксовочная система
- ASV Клапан управления прицепа
- ATC Automatic Temperature Control (автоматическое регулирование температуры)
- ATF Automatic Transmission Fluid (трансмиссионное масло автоматической коробки передач)
- AV Выпускной клапан
- AVS Автоматическая преселективная система
- BA Руководство по эксплуатации
- BAM Broadcast Announce Message (извещение о последующем сообщении/информации)
- BBA Рабочая тормозная система
- BBV Рабочий тормозной клапан
- BKR Регулятор тормозных сил
- BV Резервный клапан (запасной клапан)
- BVA Индикатор износа тормозных накладок
- BVS Сенсор износа тормозных накладок
- BVV Питание датчика износа тормозных накладок
- BW Бундесвер
- BWG Тормозной датчик
- BZ Тормозной цилиндр
- CAN Controller Area Network (шина данных с бит-серийной передачей)
- CAN-H Линия передачи данных CAN-high
- CAN-L Линия передачи данных CAN-low
- CATS Computer-Assisted Testing and diagnosting System (компьютерная система контроля и диагностики)
- CBH CAN тормоза High
- CBL CAN тормоза Low
- CCVS Cruise Control Vehicle Speed (режим поддержания постоянной скорости Темпомат)
- CKD Complete Knocked Down (полностью разобранный автомобиль)
- CNG Compressed Natural Gas (природный газ)
- CPU Central Processing Unit (центральный процессор)
- CRT Continuously Regenerating Trap (глушитель, катализатор окисления, фильтр дизельных частиц)
- CS Кнопка управления сцеплением Comfort-Shift
- DA Destination Address (цель/адрес)
- DBR Реле тормоза-замедлителя
- DF Датчик частоты вращения
- DFU Дистанционная передача данных
- DIA Диагностический и информационный дисплей
- DIAK Диагностика, K-кабель (линия передачи данных)
- DIAL Диагностика, L-кабель (линия возбуждения)
- DIAR Диагностика, последующее возбуждение
- DIN Немецкий промышленный стандарт
- DKV Уставка дроссельной заслонки (угол)
- DKE Открытие дроссельной заслонки (регулирование ASR)
- DKR Закрытие дроссельной заслонки (регулирование ASR)
- DKV Уставка дроссельной заслонки (регулирование ASR)
- DLB Пневматическая тормозная система
- DLC Data Length Code (управляющий байт для длины кадра данных)
- DM Diagnostic message (сообщение диагностики)
- DNR Нейтраль заднего хода (рычажной коммутатор автоматической коробки)
- DPF Фильтр дизельных частиц
- DRM Модуль регулирования давления
- DS Сенсор давления
- DSV Ограничительный клапан
- DTC Diagnostic Trouble Code (код регистратора неисправностей)
- DV Дроссельный клапан
- DZM Тахометр
- EBS Электронная тормозная система
- ECAM Electronically Controlled Air Management (электронная пневматическая система)
- ECAS Electronically Controlled Air Suspension (электронная пневматическая подвеска)
- ECU Electronic Control Unit (блок управления)
- EDC Electronic Diesel Control (электронная система управления впрыском дизельного топлива)
- EDR Регулирование максимальной частоты вращения
- EEC Электронный контроллер двигателя
- EEPROM ЭСППЗУ - стираемая и перезаписываемая (программируемая) энергонезависимая память
- EFR Электронная система регулирования ходовой части
- EHAB Электрогидравлический блокиратор
- ELAB Электрический блокиратор
- ELF Электронная пневматическая подвеска
- EMS Электронная система управления мощностью двигателя
- EMV Электромагнитная совместимость
- EOL End Of Line (программирование End Of Line)
- EP ТНВД (топливный насос высокого давления)
- ER Тормоз-замедлитель двигателя (моторный тормоз)
- ETC Электронная система управления мощностью двигателя
- EV Впускной клапан
- FBA Стояночная тормозная система
- FDR Регулирование динамики движения
- FFL Freeze Frame Length (блокировка данных на неопределенное время)
- FFR Управляющий процессор автомобиля
- FGB Система ограничения скорости
- FGR Система регулирования скорости
- FM Система управления автомобилем
- FMI Failure Mode Idetifikation (тип сбоя)
- FMR Регулирование двигателя автомобиля
- FS Тахоспидограф
- GDK Д изельный катализатор
- GET Коробка передач
- GGVS Норматив перевозки опасных грузов автомобильным транспортом
- GS Система управления коробкой передач
- GND Ground (масса)
- GP Планетарная группа (задний делитель)
- GV Передний делитель (группа передач делителя)
- HA Задний мост
- HBA Вспомогательная тормозная система
- HGB Ограничение максимальной скорости
- HST Основная коммутационная плата
- HTS Высокотактовая защита
- Hz Герц (смена/период в секунду)
- IBIS Интегрированная бортовая информационная система
- IC Integrated Circuit (интегрированная коммутируемая схема)
- ICOM Соединение CAN между двумя процессорами в комбинированном устройстве
- ID Идентификация
- INA Информационный дисплей
- IMR Интегрированный механический релейный модуль (стартерная система)
- IR Индивидуальное регулирование
- IRM Модифицированное индивидуальное регулирование
- ISO International Standard Organisation (Международная ассоциация стандартизации)
- KBZ Комбинированная тормозная камера
- KP Кинг контакт (седельная цапфа)
- KSM Спецмодуль заказчика
- KSW Особое пожелание заказчика
- KWP Key Word Protocol (протокол диагностики с MAN-cats)
- LBH Ресивер
- LCD Liquid Crystal Display (жидкокристаллический дисплей)
- LDA Зависимый от давления наддува ограничитель хода рейки ТНВД
- LDF Датчик давления наддува
- LDS Система амортизации пневматических рессор
- LED Light Emitting Diode (светодиод)
- LF Пневматическая подвеска
- LLR Частота вращения двигателя на холостом ходу
- LNG Liquified Natural Gas (сжиженный природный газ)
- LPG Liquified Petroleum Gas (сжиженный газ)
- LWR Регулирование угла наклона оптической оси фар
- M-TCO Модульный спидограф ЕС
- MAN-cats MAN-computer assisted testing and diagnosting system (компьютерная система контроля и диагностики MAN)
- MES Регулятор подачи топлива
- ML Midline (средняя линия)
- MMI Интерфейс человек-машина
- MP Кабельный туннель двигателя (кабельный туннель на моторном блоке)
- MR Регулятор двигателя - ASR
- MV Магнитный клапан
- MZ Тормозная пневматическая камера
- n Частота вращения
- NA Механизм отбора мощности
- NBF Датч ик движения иглы
- NFG Новое поколение автомобилей
- NFZ Транспортное средство для перевозки грузов и пассажиров
- NLA Поддерживающий мост
- NMG Новое поколение двигателей
- OBDU On board diagnostic unit (бортовой диагностический блок)
- OC Occurrence Count (счетчик повторяемости сбоя)
- p Давление
- PBM Pulse Breadth Modulation (сигнал широтно-импульсной модуляции)
- PCU Блок управления пневматикой
- PDU Protokoll Data Unit (модуль протокольных данных)
- PGN Номер группы параметров
- Pm Давление на соединительной головке магистрали тормозного привода
- Pme "Давление" на электрическом соединении тягач-прицеп
- PTO Power Take Off (механизм отбора мощности)
- PWM Pulse Width Modulation (сигнал широтно-импульсной модуляции)
- RA Руководство по ремонту
- RAM Random Access Memory (ОЗУ - энергозависимая записываемая/считываемая память)
- RAS Rear Axle Steering (рулевое управление заднего моста)
- RDS Информационная система радиоприемника
- RDRA Система регулирования давления воздуха в шинах
- RET Тормоз-замедлитель
- RKL Проблестковый маячок
- RLV Релейный клапан
- ROM Read Only Memory (ПЗУ - постоянное запоминающее устройство)
- SA Source Address (адрес источника)
- SAE Society of Automoiv Engineers (Союз инженеров автотранспорта)
- SAMT Semi Automatic Mechanic Transmission (полуавтоматическая механическая коробка передач)
- SD Глушитель
- sec Секунда
- SG Блок управления
- SH Регулирование select-high
- SKD Semi Knocked Down (полуразобранный автомобиль)
- SL Регулирование select-low
- SML Боковой габаритный фонарь
- SPN Suspect Parameter Number (номер места сбоя)
- SSM Регулирование select-smart
- STCO Системный спидограф
- SWR Фароочиститель
- t Время
- TC Traction Control (антипробуксовочная система)
- TCM Trailer Control Modul (модуль управления прицепа)
- TKU Техническая документация заказчика
- TMC Traffic Message Channel (информационный канал о ситуации на дорогах)
- TRS Транспортные технические нормативы
- TSC Torque speed control (тормозной момент)
- UBat Напряжение аккумулятора
- UDS Аварийные данные в памяти
- v Скорость
- VA Передний мост
- VG Раздаточная коробка
- VLA Передний поддерживающий мост
- WA Руководство по техническому обслуживанию
- WLE Сменный бортовой модуль
- WR Сигнальное реле
- WS Сенсор перемещения
- WSK Гидротрансформаторное сцепление
- z Коэффициент торможения
- ZBR Центральный бортовой компьютер (ЦБК)
- ZBRO Центральный бортовой компьютер автобуса (ЦБКА)
- ZDR Регулирование промежуточной частоты вращения
- ZE Центральное распределительное устройство (ЦРУ)
- X Пробуксовка
- Н Коэффициент трения
- HC Микроконтроллер (микропроцессор)
ФУНКЦИОНАЛЬНОЕ ОПИСАНИЕ
Общие положения
Уровень требований заказчиков и законодательства в отношении экологии, расхода топлива, показателей выброса ОГ и шумовой нагрузки, постоянной частоты вращения механизмов отбора
мощности и т. д. на дизельных двигателях постоянно растет и все больше будет расти в будущем.
Разработка электронной системы управления впрыском топлива EDC (Electronic Diesel Control) находится на высоком техническом уровне и отвечает вышеназванным требованиям.
Вместе с электронным управлением переключения коробки передач, антиблокировочными системами, антипробуксовочными системами, системами регулирования ходовой части, электронными тормозными системами и т. д., эта система повышает экономичность транспортных средств, улучшает комфорт езды, облегчает труд водителя и сокращает уровень нагрузки на окружающую среду.
Конструкция и принцип действия
В обозначении MS "M" означает регулирование объема впрыска топлива, а "S" означает регулирование начала впрыска.
Указание: Начиная с версии блока управления V 13 электрогидравлический механизм останова EHAB
заменяется на реле.

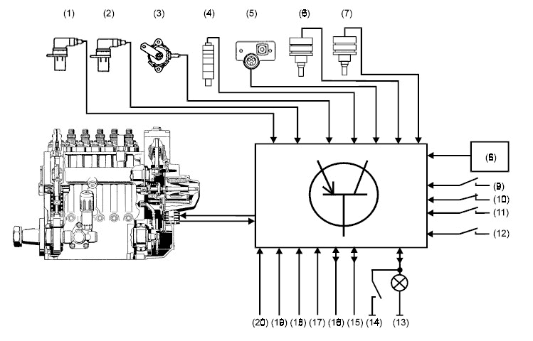
Топливный насос высокого давления EDC, называемый также "плунжерный ТНВД", так как исполнительный механизм начала впрыска топлива выполняет "плунжерное" движение, состоит из обычной системы впрыска известных насосов BOSCH-P и прифланцованного вместо механического регулятора электромагнитного регулятора подачи топлива и электромагнитного регулятора начала впрыскивания (предварительный ход плунжера ТНВД/регулятор начала подачи топлива).
Помимо линейных магнитов в исполнительном механизме находятся
- датчик перемещения регулятора
- и насос для подачи масла.
Линейные магниты управляются через электронный блок управления. Блок управления обрабатывает
информацию, которую он получает через
- датчик в регуляторе,
- педальный датчик (3),
- датчик движения иглы (4),
- датчик давления наддува (5),
- датчик температуры охлаждающей жидкости (7),
- датчик температуры топлива (6),
- датчик скорости (20),
- моторный тормоз (19),
- элемент управления систем регулирования скорости движения и промежуточной частоты вращения (8),
- переключатель FGR/FGB (12) ^ только для ст. 3 и M (S) 5,
- выключатели на приближение педали тормоза (9, 10) ^ поз. (10) только для ст. 2,
- выключатель на приближение педали сцепления (11)
- и датчик частоты вращения (1, 2).
Интерфейс ISO (15) обеспечивает коммуникацию с контрольно-диагностическим компьютером MAN-cats.
Регулирование объема впрыска проводится через интерфейс ШИМ или шину данных CAN (16).
Электропитание осуществляется через клемму 30 (18) и клемму 15 (17).
Кнопка запроса диагностики (14) и контрольная лампа EDC (13) предназначены для индикации сбоев и
мигающих кодов сбоев.
На основании всех результатов замера блок управления, программа которого адаптирована под
соответствующий двигатель, определяет оптимальное положение рейки ТНВД и оптимальное начало
впрыска.
Чтобы при отказе одного или нескольких датчиков автомобиль мог проследовать до ближайшей сервисной мастерской, в блоке управления предусмотрена программа аварийного режима движения, которая - в зависимости от ситуации - позволяет автомобилю двигаться с ограниченными функциями.
Механическое соединение от педали акселератора к ТНВД отсутствует и технологически невозможно.
Для механизмов отбора мощности система работает как регулятор промежуточной частоты вращения с
коэффициентом пропорциональности (Р-коэффициент) 0, иными словами, настроенная промежуточная
частота вращения поддерживается до тех пор, пока это позволяет мощность двигателя.
Как регулирование промежуточной частоты вращения также работает регулирование частоты вращения на холостом ходу. Частота вращения двигателя на холостом ходу поддерживается системой регулирования до тех пор, пока это позволяет мощность двигателя. Регулируемая частота вращения двигателя на холостом ходу может изменяться водителем в определенных пределах.
Объем впрыска топлива при пуске выдается либо при снижении частоты вращения ниже минимальной
частоты распознания пуска двигателя, либо при полном газе. Чтобы предотвратить недопустимое дымление и излишнюю раскрутку двигателя после запуска, объем впрыска топлива при пуске и частота вращения на холостом ходу при холодном двигателе ограничиваются в зависимости от температуры охлаждающей жидкости.
В электронную систему управления впрыском дизельного топлива EDC интегрирована система
регулирования и ограничения скорости.
Водитель может выбрать необходимую ему скорость движения. При включении моторного тормоза,
тормоза-замедлителя, рабочего тормоза, нажатии педали сцепления или клавиши "ВЫКЛ" на элементе
управления, а также при снижении определенной минимальной скорости ниже установленного значения
регулирование отключается.
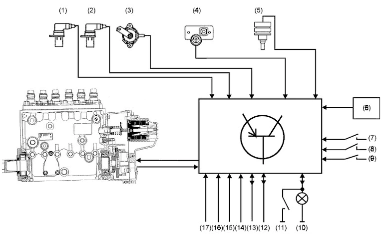
Конструкция M(S)5
Система EDC M(S) 5 отличается от системы MS 5 в основном по ТНВД.
Здесь используется известный по системе EDC M 7 ТНВД типа P. Этот ТНВД оснащен только одним электромагнитным регулятором подачи топлива.
Регулятор начала впрыскивания здесь не используется.
Другие не использующиеся компоненты
- датчик движения иглы,
- датчик температуры топлива,
- EHAB или ELAB, которые заменены на реле.

- (1) Датчик частоты вращения 1
- (2) Датчик частоты вращения 2
- (3) Педальный датчик
- (4) Датчик давления наддува
- (5) Датчик температуры охлаждающей жидкости
- (6) Элемент управления (переключатель на рулевой колонке) для регулирования скорости и частоты вращения
- (7) Выключатель на приближение тормоза
- (8) Выключатель на приближение сцепления
- (9) Переключатель FGR/FGB
- (10) Контрольная лампа EDC (сигнальная и диагностическая лампа)
- (11) Кнопка запроса диагностики
- (12) Интерфейс ISO
- (13) Интерфейс ШИМ
- (14) Электропитание кл. 15
- (15) Электропитание кл. 30
- (16) Вход сигнала моторного тормоза
- (17) Вход сигнала скорости
Указание: Из датчиков частоты вращения устанавливаются два варианта:
- Первичный датчик частоты вращения в ТНВД и вспомогательный датчик частоты вращения клемма W на генераторе
- Первичный датчик частоты вращения и вспомогательный датчик частоты вращения на картере маховика.
Дополнительные или различающиеся функции на MS 5 ступень 3/4 и ступень 5
На системе MS 5 ступень 3/4/5 при помощи выключателя на приборной панели дополнительно возможно переключение с функции регулирования скорости FGR (функция Темпомат) на функцию ограничения скорости FGB (функция Temposet). Преимущество этой функции заключается в том, что в ситуациях, когда использование режима Темпомат - например, в условиях городского движения - не является целесообразным, тем не менее сохраняется возможность ограничения заданной максимальной скорости.
Зависимое от частоты вращения отключение моторного тормоза осуществляется в системе MS 5 ступень 2 через датчик предельных значений моторного тормоза (монтажная позиция: центральное
распределительное устройство, место 61).
В системе MS 5 ступень 3/4/5 зависимая от частоты вращения функция моторного тормоза обеспечивается блоком управления EDC.
Кроме того, MS 5 ступень 3/4/5 предоставляет по сравнению с MS 5 ступень 2 набор дополнительных или улучшенных функций. Наряду с вышеупомянутой зависимой от частоты вращения функцией моторного тормоза и возможностью выбора между функциями Темпомат и Temposet, возможны различные ограничения максимальной скорости (например, для мусоровозов), а также различные ограничения частоты вращения при использовании механизмов отбора мощности.
Система MS 5 ступень 5 используется на двигателях EURO 3 и дополнительно оснащена опцией
управления рециркуляцией ОГ (AGR).
Диагностическая система MAN-cats позволяет редактировать различные параметры в блоке управления.
Далее приводится краткое описание дополнительных вышеназванных функций.
Регулирование промежуточной частоты вращения
Гибкая система ограничения скорости
Выключатель на приборной панели позволяет переключаться с режима регулирования скорости FGR
(функция Темпомат) на режим ограничения скорости FGB (функция Temposet). После этого при помощи
функций SET+ или SET- элемента управления можно разогнаться до требуемой максимальной скорости.
По достижении требуемой скорости следует отпустить переключатель и нажать педаль акселератора.
Эта скорость (например, 50 км/ч в условиях городского движения) не может быть превышена даже при
полностью выжатой педали акселератора и остается в памяти до осознанного отключения при помощи
выключателя на приборной панели (без обычных условий отключения через сцепление, тормоз и т. д.);
иными словами, нажатия кнопки MEMORY (ПАМЯТЬ) для повторной настройки скорости не требуется.
Контрольная лампа выключателя и световой диод комбинированного переключателя показывают
активированную функцию ограничения скорости FGB.
Ограничение максимальной скорости
В системе могут быть запрограммированы максимальные скорости, которые включаются водителем
через многоступенчатый коммутационный вход или активируются системой автоматически в зависимости от условий эксплуатации (например, 30 км/ч на мусоровозах или 3 км/ч на сочлененных автобусах с системой контроля продольного изгиба).
Эти значения скорости всегда меньше заданной, законодательно установленной и неизменной
максимальной скорости.
Распознавание промежуточного открытия дросселя при активированных FGR или FGB
Несмотря на активированную систему ограничения скорости водитель всегда должен иметь возможность нажатия на педаль акселератора, чтобы, например, переключиться на низшую передачу при движении под уклон.
Поэтому при нажатии сцепления в течение примерно 4 секунд система дает разрешение на повышение
частоты вращения до номинальной частоты вращения.
Управление моторным тормозом
В режиме торможения двигателем объем впрыска устанавливается на объем холостого хода. Ниже
заданной частоты вращения (прибл. 1000 1/мин) моторный тормоз отключается.
Рециркуляция ОГ (AGR)
Рециркуляция ОГ используется на двигателях EURO 3.
Рециркуляция ОГ позволяет снизить содержание угарного газа (NOX) в отработавших газах, благодаря
сокращению избытка кислорода и пониженным значениям пиковой температуры и давления.
Дополнительно двигатель быстрее прогревается рециркулирующими горячими отработавшими газами,
необходимые для самовоспламенения высокие температуры достигаются при меньшей компрессии.
Регулятор рециркуляции ОГ (AGR) управляется блоком управления EDC ступень 5 (контакт 7).
Информация о температуре наддувочного воздуха обеспечивается сенсором температуры наддувочного
воздуха.
Рециркуляция ОГ отключается при температуре ниже 10 °С и выше 70 °С, с одной стороны, чтобы
предотвратить конденсацию сернистых кислот при низкой температуре наддувочного воздуха, и с другой стороны, чтобы предотвратить сильный нагрев наддувочного воздуха от рециркулирующих отработавших газов.
Для идентификации открытой или закрытой заслонки системы рециркуляции ОГ в регуляторе системы
рециркуляции установлен язычковый контакт, который контролирует положение заслонки.
Давление на клапане рециркуляции ОГ составляет прибл. 12,5 бар. При отсутствии давления дроссель
закрыт.
Дроссель закрыт в следующих эксплуатационных состояниях:
- при температуре охлаждающей жидкости <60 °С или >95 °С,
- при температуре наддувочного воздуха после охладителя <10 °С или >70 °С,
- при частоте вращения двигателя <1100 мин-1,
- в нижнем диапазоне частичной нагрузки (меньше 15%),
- при ускорении,
- в режиме торможения двигателем,
- при пуске двигателя
Интерфейсы к другим системам
Асинхронный двухпроводный интерфейс для антипробуксовочной системы (ASR)
- Вывод данных через многоканальный сигнал (блок управления контакт 29) или
Регулирование объема впрыска через сигнал широтно-импульсной модуляции ШИМ (блок управления
контакт 52)
Двухпроводный интерфейс CAN для обмена данными между блоком управления EDC и блоками
управления следующих систем
- Антиблокировочная/антипробуксовочная система (ABS/ASR Ci 12)
- Система управления коробкой передач
- Управление тормозом-замедлителем
- Система управления автомобилем (только на встраиваемых двигателях)
Элемент управления (комбинированный переключатель на рулевой колонке)
Дополнительным важным компонентом автомобилей с системой EDC является переключатель на рулевой колонке, который может перемещаться вперед и назад. На этом переключателе расположены также клавиша и торцовая кнопка. На MS 5 ступень 3 на переключателе дополнительно расположен желтый светодиод. Данный светодиод светится в процессе эксплуатации, если при помощи двухпозиционного выключателя на приборной панели происходит переключение с функции Темпомат на функцию Temposet.

• Переключение вперед © функция SET+
• Переключение назад О функция SET-
• Нажатие клавиши © функция ВЫКЛ или MEMORY (см. указание)
• Нажатие торцовой кнопки © функция MEMORY
Указание: Также устанавливаются переключатели на рулевой колонке, которые вместо торцовой кнопки
для функции MEMORY имеют двойную функцию клавиши (например, EDC с SAMT B).
Запуск двигателя
Нажатие педали акселератора для запуска не требуется.
Изменение частоты вращения двигателя на холостом ходу
Частота вращения двигателя на холостом ходу отрегулирована на заводе на 600 1/мин. При
необходимости частота вращения двигателя на холостом ходу может быть отрегулирована водителем при разогретом двигателе (примерно от 30 0С) в диапазоне от б0о /мин до 700 /мин.
• В процессе последующей регулировки следует удерживать педаль тормоза.
• Нажать и удерживать кнопку памяти MEMORY не менее 5 секунд.
• Нажать переключатель в направлении SET+.
• При каждом нажатии переключателя в направлении SET+ частота вращения двигателя на холостом ходу увеличивается примерно на 10 1/мин.
• Повторно нажать и удерживать кнопку памяти MEMORY 5 секунд.
• Отпустить педаль тормоза.
Отрегулированная частота вращения двигателя на холостом ходу остается в памяти также при
выключенном зажигании.
Чтобы восстановить настроенную на заводе частоту вращения двигателя на холостом ходу 600 1/мин,
следует действовать следующим образом:
После повторного нажатия на педаль тормоза нажать кнопку памяти MEMORY примерно на 5 секунд.
Частота вращения двигателя на холостом ходу снова снижается до 600 1/мин.
Затем при удерживаемой педали тормоза снова нажать кнопку памяти MEMORY примерно на 5 секунд.
После этого частота вращения двигателя на холостом ходу настраивается на заводское значение
600 1/мин.
Указание: Описанное выше изменение частоты вращения двигателя на холостом ходу и описываемое
далее регулирование промежуточной частоты вращения через функции SET+, SET- и MEMORY не
активированы на автобусах.
Элемент управления (при наличии) позволяет управлять только системой регулирования скорости (FGR) и системой ограничения скорости (FGB).
Регулирование промежуточной частоты вращения (ZDR)
Частота вращения двигателя вплоть до номинальной частоты вращения может быть отрегулирована при стоящем автомобиле и при скорости движения до 40 км/час.
При помощи диагностического компьютера MAN-cats возможна регулировка до четырех различных
значений промежуточной частоты вращения:
• ZDR 1, ZDR 2 и ZDR 3
Эти значения промежуточной частоты вращения достигаются при соответствующей коммутации
контактов, например, при включении механизма отбора мощности.
• ZDR S
Эта промежуточная частота вращения (прибл. 1000 1/мин) достигается нажатием клавиши MEMORY.
Активация сцепления, тормоза или тормоза-замедлителя в процессе настройки не допускается.
Другие значения промежуточной частоты вращения возможны через "верхний предел частоты вращения" в соответствующей ZDR путем установки с "SET+" и еще одно путем активации ограничения частоты вращения при работающей ZDR.
Все промежуточные значения частоты вращения могут - если они включены - корректироваться вручную вверх или вниз при помощи элемента управления (SET+ или SET-) в диапазоне, установленном при помощи диагностического компьютера MAN-cats. Если MAN-cats допускает соответствующую функцию, откорректированные таким образом значения частоты вращения могут быть введены в память. Если допуска не происходит, при повторном включении промежуточная частота вращения снова устанавливается на исходно запрограммированные значения.
В пределах ZDR 1, 2, 3 или ZDR S могут быть запрограммированы следующие функции:
• Промежуточная частота вращения: При активации (например, выключателем) эта частота вращения
достигается автоматически.
• Нижний предел частоты вращения: Эта частота вращения регулируется при нажатии кнопки "ВЫ1КЛ."
(AUS), "SET-" или при наличии условия для отключения.
Указание: Данный режим касается только ZDR 1, 2 и 3. Нижним пределом на ZDR S является частота
вращения на холостом ходу!
• Верхний предел частоты вращения: Эта частота вращения регулируется при нажатии кнопки "SET+" или при нажатии педали акселератора.
• Функция элемента управления: При функции "активно без запоминания" после отключения ZDR при
повторном включении устанавливается исходно запрограммированная частота вращения.
При функции "активно с запоминанием" для заданного параметра в диапазоне программируемого
нижнего и верхнего предела частоты вращения может быть выбрано любое значение. Ввод в память
осуществляется при включенной промежуточной частоте вращения нажатием кнопки памяти "MEMORY"
в течение не менее полсекунды. При кратковременном нажатии кнопки "MEMORY" (> 100 мс до
< 500 мс) или при повторном включении ZDR введенное в память значение промежуточной частоты
вращения устанавливается снова.
Условия для отключения ZDR "активно" или "неактивно" могут включаться при помощи диагностического компьютера MAN-cats.
При "активно" включенных условиях для отключения нижеследующие факторы ведут к такому же
состоянию, как при нажатии клавиши "ВЫ1КЛ." (AUS):
• включение рабочего тормоза;
• включение сцепления;
• включение тормоза-замедлителя (калибровка как через функцию элемента управления "ВЫ1КЛ", так и
через многоступенчатый вход);
• включение моторного тормоза (только на ZDR S; на ZDR 1, 2, 3 отсутствует);
• превышение "порога скорости для отключения ZDR".
При "неактивно" включенных условиях для отключения отключение происходит при
• использовании функции элемента управления "ВЫ1КЛ." (AUS);
• включении тормоза-замедлителя, если он каблирован через функцию элемента управления "ВЫ1КЛ."
(AUS);
• включении тормоза-замедлителя, если он каблирован через многоступенчатый вход и "блокировка
педали акселератора на тормоз-замедлитель" запрограммирована при помощи MAN-cats на "да",
происходит сокращение частоты вращения до 700 1/мин во время работы тормоза-замедлителя;
• включении моторного тормоза для сокращения частоты вращения до 800 1/мин во время работы
моторного тормоза.
При помощи диагностического компьютера MAN-cats можно выбрать наборы параметров регулирования
"Стандарт" или "Бетононасосы".
Если при изменении нагрузки изменения частоты вращения слишком велики, их можно сократить
настройкой "Бетононасосы" (агрессивное регулирование).
При помощи диагностического компьютера MAN-cats могут быть запрограммированы следующие функции, которые являются вышестоящими по отношению к ZDR S, ZDR 1, ZDR 2 и ZDR 3:
• Промежуточная частота вращения разгона: "стандартный разгон" или "ускоренный разгон"
• Если период разгона недостаточен для промежуточной частоты вращения "стандартный разгон", он
может быть увеличен до "ускоренного разгона" и наоборот.
• Разгон для SET+ или SET-
• Если период разгона для "SET+"/"SET-" недостаточен для "стандартного разгона", он может быть
увеличен до "ускоренного разгона" и наоборот.
• Порог скорости 3 км/ч или 20 км/ч:
Для интегрированного по причинам безопасности порога скорости отключения промежуточной частоты
вращения при программировании можно выбрать опцию "условия отключения активны" и
запрограммировать оба периода разгона на "стандартный разгон" 3 км/ч или 20 км/ч. Если выбранная
скорость превышается, ZDR отключается автоматически.
Если запрограммирована опция "условия отключения неактивны" или один из периодов разгона
запрограммирован на "ускоренный разгон", для порога скорости допустимо только значение 3 км/ч,
выбор значения 20 км/ч в этом случае невозможен.
Система регулирования скорости (FGR)
Начиная со скорости 25 км/ч, при помощи переключателя на рулевой колонке (элемент управления) можно отрегулировать любую постоянную скорость.
При нажатии переключателя в направлении SET+ скорость движения повышается, при нажатии в
направлении SET- скорость снижается.
При достижении необходимой скорости следует отпустить переключатель.
Данная скорость будет поддерживаться системой, пока для этого будет достаточно мощности двигателя или до включения сцепления, тормоза, тормоза-замедлителя или моторного тормоза. Кратковременное увеличение подачи топлива не ведет к отключению регулирования скорости движения, оно отключается только после продолжительного нажатия на педаль акселератора. Последнее настроенное значение скорости сохраняется в памяти.
При нажатии переключателя на рулевой колонке в направлении ВЫКЛ. (AUS) регулирование скорости
движения отключается, и последнее настроенное значение скорости сохраняется в памяти.
При нажатии переключателя в направлении MEMORY (ПАМЯТЬ) система снова настраивает скорость
движения, введенную в память последней.
Система ограничения скорости (FGB)
Выключатель на приборной панели позволяет переключаться с режима регулирования скорости FGR
(функция Темпомат) на режим ограничения скорости FGB (функция Temposet).
После этого при помощи функций SET+ или SET- элемента управления можно разогнаться до требуемой максимальной скорости. По достижении требуемой скорости следует отпустить переключатель и нажать педаль акселератора. Эта скорость (например, 50 км/ч в условиях городского движения) не может быть превышена даже при полностью выжатой педали акселератора и остается в памяти до осознанного отключения при помощи выключателя FGR/FGB на приборной панели (без обычных условий отключения через сцепление, тормоз и т. д.); иными словами, нажатия кнопки MEMORY (ПАМЯТЬ) для повторной настройки скорости не требуется. Контрольная лампа выключателя и световой диод комбинированного переключателя показывают активированную функцию ограничения скорости FGB.
Если требуется настройка другой максимальной скорости, достаточно переместить рычаг элемента
управления в направлении SET+ (увеличение скорости) или в направлении SET- (снижение скорости). При достижении новой максимальной скорости следует отпустить переключатель. Значение новой
максимальной скорости сохраняется в памяти до отключения режима ограничения скорости при помощи
выключателя FGB/FGR.
Блок управления EDC
Общие положения
Блок управления обрабатывает данные датчиков и управляет линейными магнитами в исполнительном
механизме ТНВД в зависимости от хранящихся в памяти характеристик.
Кроме того, блок управления обеспечивает контрольные и резервные функции.
Назначение контрольных и резервных функций:
- Безопасность
Безопасность автомобиля и двигателя должна быть обеспечена при отказе компонентов и функций,
использующихся в режиме нормальной эксплуатации.
В первую очередь предотвращаются такие ситуации, как нежелательное увеличение подачи топлива,
избыточная подача топлива, повышенная частота вращения и раскрутка двигателя.
- Резервные функции
Двигатель должен оставаться работоспособным как можно дольше, чтобы предотвратить отказ
автомобиля.
Это достигается резервными функциями и компонентами.
- Диагностика
Система информирует водителя о текущих сбоях, связанных с технической безопасностью, чтобы он
мог отреагировать на изменение ситуации.
Отказ резервных функций и компонентов
Система также информирует об этих отказах. В этом случае при наличии повышенного риска стандартные функции ограничиваются.
В блоке управления EDC интегрированы два процессора со следующими функциями:
Процессор 1
Стандартное регулирование объема
Расчет объема топлива для следующих режимов:
- Динамические свойства
- Холостой ход
- Промежуточная частота вращения
- Регулирование скорости
- Регулирование объема впрыска по сигналу широтно-импульсной модуляции (например, ASR)
- Передача перемещения задатчика и уставок на регулятор
- Рециркуляция ОГ (только ступень 5)
Процессор 2
- Замер частоты вращения
- Расчет начала впрыска
- Регистратор неисправностей
Функции аварийного режима, а также резервное регулирование, начиная от ступени 5, более не
рассматриваются.
Разводка контактов блока управления EDC




Совместимость блоков управления
При замене блоков управления EDC обязательно следует обратить внимание на правильное соответствие системе.
Иными словами, блоки управления MS 5 ступень 2 и MS 5 ступень 3 не являются взаимозаменяемыми,
несмотря на совместимость штекеров блоков управления!
При установке блока управления MS 5 ступень 2 в автомобиль, где изначально был установлен блок
управления ступени 3, возникают следующие сбои:
Стоящий автомобиль
• Лампа EDC не светится.
• Примерно через 30 секунд на холостом ходу коммутатор стоп-сигнала классифицируется как
неисправный и при считывании регистратора неисправностей выдается код сбоя 1 x длинный, 4 x
короткий (достоверность между двумя коммутаторами).
• Регулирование промежуточной частоты вращения не функционирует.
Движущийся автомобиль
• Автомобиль плохо ускоряется и не развивает мощность.
• Темпомат не функционирует.
• Моторный тормоз не функционирует.
При установке блока управления MS 5 ступень 3 в автомобиль, где изначально был установлен блок
управления ступени 2, возникают следующие сбои:
Стоящий автомобиль
• Лампа EDC светится постоянно.
• При считывании регистратора неисправностей выдаются коды сбоя 1 x длинный, 12 x короткий
(многоступенчатый выключатель) и 2 x длинный, 7 x короткий (регистрация максимальной скорости).
• Регулирование промежуточной частоты вращения не функционирует.
Движущийся автомобиль
• Сильное дымление при ускорении.
• Темпомат не функционирует.
При установке блока управления MS 5 ступень 5 в автомобиль, где изначально был установлен блок
управления ступени 3, возникают следующие сбои:
• Лампа EDC светится постоянно.
• При считывании регистратора неисправностей выдаются коды сбоя 3 x короткий (датчик температуры
воздуха наддува) и 3 x длинный, 11 x короткий (сохраняющееся рассогласование AGR).
• Рециркуляция ОГ (AGR) отсутствует.
При установке блока управления MS 5 ступень 3 в автомобиль, где изначально был установлен блок
управления ступени 5, возникают следующие сбои:
• Нет функции рециркуляции ОГ (AGR)
• Нет записи в регистраторе неисправностей
Особенности блока управления EDC M(S) 5
На автомобилях устанавливаются два поколения систем M(S) 5.
Основное отличие между этими системами заключается в расположении датчиков частоты вращения.
Раньше первичный датчик частоты вращения был установлен в корпусе ТНВД, а сигнал вспомогательного датчика частоты вращения приходил от генератора кл. W.
В современном исполнении первичный датчик частоты вращения и вспомогательный датчик частоты
вращения располагаются на картере маховика.
Эти блоки управления также не являются совместимыми, так как датчики частоты вращения
классифицируются блоком управления как неисправные и запуск двигателя в этих условиях становится
невозможным.
Топливный насос высокого давления MS 5

Топливный насос высокого давления, называемый также "плунжерный ТНВД", так как исполнительный
механизм начала впрыска топлива выполняет "плунжерное" движение, состоит из обычной системы
впрыска известных насосов BOSCH-P в усиленном исполнении и прифланцованного вместо механического регулятора электромагнитного регулятора подачи топлива и электромагнитного регулятора начала впрыскивания (предварительный ход плунжера ТНВД/регулятор начала подачи топлива).
Основное отличие от известного П-насоса заключается в насосном элементе.
Электромагнитный регулятор (Y130)

1 Электромагнит начала подачи
2 Плунжерный вал
3 Электромагнит перемещения регулятора
4 Датчик перемещения рейки ТНВД
5 Электрический разъем *
6 Шайба блокировки начала подачи топлива и часть масляного нагнетательного насоса
Регулятор подачи топлива работает аналогично известным регуляторам EDC-RE в сочетании с П-насосом.
Наиболее важным компонентом регулятора подачи топлива является линейный магнит, сердечник которого воздействует непосредственно на рейку регулирования подачи и соответственно задает перемещение задатчика объема впрыска. В обесточенном состоянии рейка ТНВД удерживается пружиной в положении останова.
Регулятор предварительного хода плунжера ТНВД/начала подачи топлива также оснащен линейным
магнитом, сердечник которого вызывает вращательное движение плунжерного вала через рычаг
регулятора. В обесточенном состоянии регулирующий вал также удерживается пружиной, чтобы плунжеры находились в своем верхнем положении, иными словами, в положении задержки начала подачи.
Дополнительными компонентами регулятора RE являются датчик перемещения регулятора и масляный
насос (вязкостный насос).
Первичный датчик частоты вращения больше не устанавливается в регулятор, а находится вместе со
вспомогательным датчиком частоты вращения в картере маховика.
* В отличие от изображения электрический разъем выполнен как кабельный вывод.
Плунжерный регулятор

1 Поршень насоса
2 Плунжер
3 Плунжерный вал
4 Рейка ТНВД
Основное отличие от П-насоса заключается в насосном элементе. В цилиндре находится окно и
скользящий на поршне плунжер. В плунжере располагаются перепускные отверстия для начала подачи и окончания подачи. Так как плунжер регулируется по высоте, он позволяет также изменять начало подачи и окончание подачи.
В корпусе насоса находится поворотный регулирующий вал с захватами, которые зацепляются в паз
плунжера. При вращении вала все плунжеры равномерно регулируются по высоте с изменением
предварительного хода плунжера ТНВД и начала подачи.
Топливный насос высокого давления M(S) 5

Топливный насос высокого давления M(S) 5 состоит из обычной инжекторной части известных П-насосов и прифланцованного вместо механического центробежного регулятора электромагнитного регулятора.
Далее описывается только регулятор.
Инжекторная часть с системой низкого и высокого давления не претерпела никаких изменений по
сравнению с обычными системами впрыска топлива.
Электромагнитный регулятор M(S) 5

1 Рейка ТНВД
2 Возвратная пружина
3 Линейный магнит
4 Датчик перемещения регулятора
5 Вкладыши подшипников
6 Электрический разъем
7 Первичный датчик частоты вращения
Наиболее важным компонентом регулятора является линейный магнит, сердечник которого воздействует непосредственно на рейку ТНВД и соответственно задает перемещение задатчика объема впрыска.
Усилие магнитного сердечника в регуляторе способствует перемещению рейки ТНВД в направлении
"полная нагрузка". Против усилия магнита действует возвратная пружина, которая в обесточенном
состоянии выжимает рейку ТНВД в направлении "стоп".
Линейный магнит работает с частотой 200 Гц.
Датчик перемещения регулятора передает блоку управления информацию о положении рейки ТНВД.
Индуктивный датчик частоты вращения передает системную частоту вращения на блок управления.
В регуляторе находится насос для подачи масла, который подает масло, поступающее в регулятор, в
камеру распределительного вала ТНВД.
На модификации EDC M(S) 5 с первичным датчиком частоты вращения и вспомогательным датчиком
частоты вращения на картере маховика датчик частоты вращения в ТНВД отсутствует.
Датчик движения иглы (B198)

1 Катушка
2 Нажимной шкворень
Датчик движения иглы определяет начало впрыска топлива при помощи сенсора, который интегрирован непосредственно в корпус форсунки 1-го цилиндра. Данный сенсор воспроизводит момент впрыска топлива (начало впрыска) на основании движения иглы.
Таблица штекерной разводки контактов

Штекерная разводка контактов

Датчик частоты вращения (B199/B200)

Датчик частоты вращения состоит из постоянного магнита и катушки с большим количеством витков.
Магнит "касается" своим магнитным полем контролируемой, вращающейся части агрегата; как правило
зубчатого или шлицевого венца.
При прохождении зубца или шлица через магнитное поле датчика магнитный поток усиливается или
соответственно уменьшается. Данный процесс вызывает индуктированное напряжение в катушке датчика, которое анализируется управляющей электроникой. Расстояние от датчика до шлицевого венца составляет примерно 1 мм.
Для надежной работы системы EDC требуются два датчика частоты вращения. Оба датчика частоты
вращения установлены в картере маховика (в разных местах в зависимости от типа двигателя).
Различают первичный датчик частоты вращения и вспомогательный датчик частоты вращения.
Первичный датчик частоты вращения устанавливается в картере маховика таким образом, чтобы импульс частоты вращения давался на 10° после ВМТ. На основании времени от импульса датчика движения иглы до первого последующего импульса датчика частоты вращения EDC-MS 5 рассчитывает начало впрыска топлива.
Вспомогательный датчик частоты вращения устанавливается в картере маховика таким образом, чтобы
вспомогательный импульс частоты вращения давался на 18° после ВМТ. Сигналы вспомогательного
датчика частоты вращения предназначены исключительно для резервного замера частоты вращения и не используются при расчете начала впрыска.
Таблица штекерной разводки датчика частоты вращения

Таблица штекерной разводки вспомогательного датчика частоты вращения

Штекерная разводка контактов

Коммутационная схема

Датчик температуры охлаждающей жидкости (B124)

Датчик температуры охлаждающей жидкости представляет собой терморезистор с отрицательным ТКС.
Датчик находится в контуре охлаждения и предоставляет блоку управления информацию о температуре
охлаждающей жидкости.
В зависимости от температуры охлаждающей жидкости блок управления вызывает различные
характеристики режимов работы двигателя, например, пуск холодного или прогретого двигателя,
характеристика дымления или защита от перегрева.
Таблица штекерной разводки контактов

Штекерная разводка контактов

Коммутационная схема

Датчик температуры топлива (B197)

Датчик температуры топлива представляет собой терморезистор с отрицательным ТКС. Он является
составной частью ТНВД и измеряет температуру топлива для определения плотности топлива.
В зависимости от этих параметров блок управления определяет соответствующий объем впрыска, а также продолжительность впрыска.
Таблица штекерной разводки контактов

Штекерная разводка контактов

Коммутационная схема

Датчик температуры воздуха наддува (B123)

Датчик температуры воздуха наддува контролирует рециркуляцию ОГ на двигателях EURO 3. Рециркуляция ОГ отключается при температуре наддувочного воздуха ниже 10 °С и выше 70 °С, чтобы предотвратить конденсацию сернистых кислот при низкой температуре наддувочного воздуха или, чтобы предотвратить сильный нагрев наддувочного воздуха от рециркулирующих отработавших газов.
Сенсор установлен во впускной трубе.
Таблица штекерной разводки контактов

Штекерная разводка контактов

Коммутационная схема

Датчик давления наддува (B125)

Датчик давления наддува предназначен для замера абсолютного давления наддува.
Тензорезистивный элемент датчика и электроника для усиления сигнала и компенсации температуры
интегрированы в кремниевый кристалл. Активная поверхность кремниевого кристалла находится под
воздействием эталонного вакуума. Давление впускного трубопровода подводится через напорный
патрубок к задней стороне мембраны, которая резистентна среде измерения.
Датчик давления наддува установлен на впускном трубопроводе.
Характеристика
Выходная характеристика при Us = 5 В

Таблица штекерной разводки контактов

Штекерная разводка контактов

Выключатель на приближение (S158/S159)

Выключатели на приближение являются бесконтактными выключателями. Они установлены на педальном механизме и контролируют нажатие педали сцепления и педали тормоза.
Выключатель на приближение действует по принципу индуктивно-емкостного резонансного контура со
следующей аналитической логикой. Ферромагнитный сердечник катушки открыт с одной стороны. Если
рядом с ферромагнитным сердечником проводится металл (например, педаль тормоза), происходит
рассогласование резонансного контура (частотное и амплитудное колебание), что приводит к нарастанию тока. Аналитическая логика подает команду на полевой транзистор (Gate). Полевой транзистор становится низкоомным и пропускает таким образом нагрузочный ток.

- Выключатель на приближение сцепления S159 (сенсор 2)
- Выключатель на приближение тормозного сигнала S158 (сенсор 1)
- Выключатель на приближение сцепления (сенсор 3)
- Выключатель на приближение стоп-сигнала S161 (сенсор 4) или 2-й выключатель на приближение тормозного сигнала
Уставки выключателя на приближение

Педальный датчик (B127)

Педальный датчик передает команду водителя дальше на блок управления. В зависимости от положения педали потенциометр определяет значения углового градуса, которые передаются на блок управления в качестве параметров деления напряжения. Положение холостого хода определяется блоком управления через предохранительный выключатель. Через второй выключатель, выключатель режима "кик-даун", информация "режим резкого ускорения "кик-даун" включен" передается, например, на систему управления коробкой передач.
Таблица штекерной разводки контактов

* только на ступени 2 и 3; на ступени 5 регистрация KD через u.epwg> порог
Указание: На некоторых типах автобусов разводка контактов незначительно отличается от
вышеприведенной таблицы:
Здесь контакты 5 и 6 шунтируются, а контакт 3 соединяется с контактом 39 блока управления EDC как
сигнал коммутатора холостого хода.
Штекерная разводка контактов

Коммутационная схема

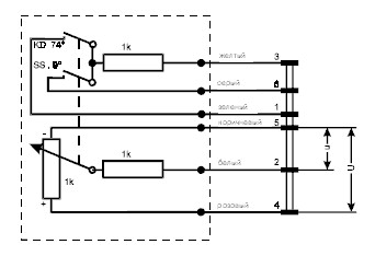
Элемент управления (S157)

Элемент управления (комбинированный переключатель на рулевой колонке) позволяет изменять частоту вращения двигателя на холостом ходу, регулировать промежуточную частоту вращения, задавать скорость движения (функции Темпомат) и ограничение максимальной скорости (функция Temposet или v-set).
Управление осуществляется на основании кодировки сопротивления, иными словами, если при помощи
данного элемента управления выполняется какая-либо функция, соответствующий сигнал потенциометра передается по кабелю на блок управления. На основании соответствующей величины напряжения блок управления определяет функцию, которую нужно выполнить. Поэтому для всех функций требуется только один кабель на блок управления. По этой причине данный выключатель также называют "однопроводным элементом управления".
Функции переключения элемента управления реализованы через коммутационные контакты.
Таблица штекерной разводки контактов

Коммутационная схема

WA Воспроизведение из памяти (MEMORY)
V/S Настройка замедления (SET-)
B/S Настройка ускорения (SET+)
Коммутатор FGR/FGB (S284)

При помощи данного выключателя можно по выбору активировать функцию "Регулирование скорости"
(FGR)
- полноценная функция Темпомат
или функцию "Ограничение скорости" (FGB)
- функция v-SET (функция Temposet).
После этого при помощи функций SET+ или SET- элемента управления можно разогнаться до требуемой максимальной скорости. По достижении требуемой скорости следует отпустить переключатель и нажать педаль акселератора. Эта скорость (например, 50 км/ч в условиях городского движения) не может быть превышена даже при полностью выжатой педали акселератора и остается в памяти до осознанного отключения при помощи выключателя на приборной панели (без обычных условий отключения через сцепление, тормоз и т. д.); иными словами, нажатия кнопки MEMORY (ПАМЯТЬ) для повторной настройки скорости не требуется. Контрольная лампа выключателя и световой диод комбинированного переключателя показывают активированную функцию ограничения скорости FGB.
Таблица штекерной разводки контактов

Штекерная разводка контактов

Коммутационная схема

Группа резисторов (R134)

Через группу резисторов имеется возможность реализации различных специальных функций.
В зависимости от значений сопротивления, которые выводятся на контакты 35 или 54 блока управления, можно вызывать различные функции или действия блока управления EDC.
Дополнительная информация приводится в описаниях соответствующих интерфейсов, издававшихся в
качестве сервисной информации (SI) или публикуемых отделом "Технический сервис".
Таблица штекерной разводки контактов

Штекерная разводка контактов

Коммутационная схема

Регулятор рециркуляции ОГ AGR (Y280)

Рециркуляция ОГ используется на двигателях EURO 3.
Рециркуляция ОГ позволяет снизить содержание угарного газа (NOX) в отработавших газах, благодаря
сокращению избытка кислорода и пониженным значениям пиковой температуры и давления.
Дополнительно двигатель быстрее прогревается рециркулирующими горячими отработавшими газами,
необходимые для самовоспламенения высокие температуры достигаются при меньшей компрессии.
Регулятор рециркуляции ОГ (AGR) управляется блоком управления EDC ступень 5 (контакт 7). Информация о температуре наддувочного воздуха обеспечивается сенсором температуры наддувочного воздуха.
Рециркуляция ОГ отключается при температуре ниже 10 0С и выше 70 0С, с одной стороны, чтобы
предотвратить конденсацию сернистых кислот при низкой температуре наддувочного воздуха, и с другой стороны, чтобы предотвратить сильный нагрев наддувочного воздуха от рециркулирующих отработавших газов.
Для идентификации открытой или закрытой заслонки системы рециркуляции ОГ в регуляторе системы
рециркуляции установлен язычковый контакт, который контролирует положение заслонки.
Регулятор рециркуляции ОГ (регулятор AGR) состоит в основном из следующих компонентов:
- Пневмоцилиндр для привода дросселя рециркуляции ОГ
- Магнитный клапан для управления цилиндра
- Язычковый контакт для обратного сигнала положения
Таблица штекерной разводки контактов

Штекерная разводка контактов

Коммутационная схема

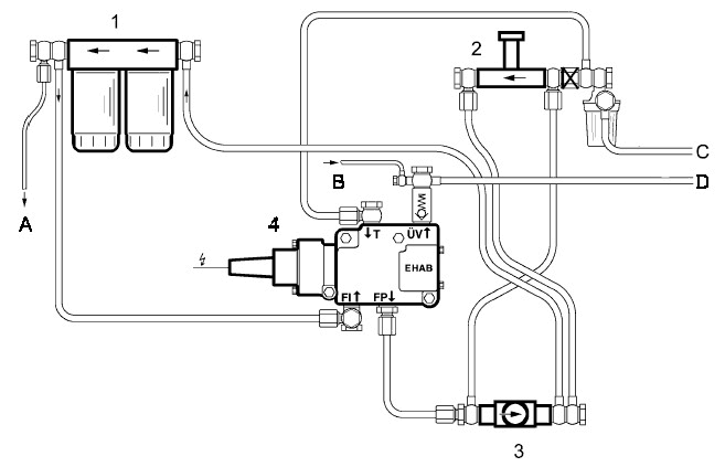
Электрогидравлический механизм останова EHAB (Y131)

EHAB (электрогидравлический механизм останова) является компонентом системы обеспечения
безопасности. При возникновении определенных сбоев в системе EDC EHAB блокирует подачу
топлива к ТНВД. EHAB установлен на ТНВД и включен в подводящую топливную трубку между
топливоподкачивающим насосом и камерой всасывания насоса. Устройство EHAB меняет направление
работы топливоподкачивающего насоса, обеспечивая очень быструю декомпрессию в камере всасывания и соответственно прерывание подачи топлива.
Во время работы EHAB постоянно находится под током. Для активации EHAB (например, при аварийном
останове двигателя) электрическая цепь прерывается.
По этой причине при прокачивании топливной системы ручным насосом должно быть включено
зажигание!
Указание: Начиная с версии блока управления V 13 электрогидравлический механизм останова EHAB
заменяется на реле.
Топливопроводная схема

1 Топливный фильтр
2 Ручной насос
3 Топливоподкачивающий насос
4 EHAB
A К электрофакельному устройству
B Сливной маслопровод
C Подающая линия
D Рециркуляционный трубопровод
ОПИСАНИЕ КОМПОНЕНТОВ
Блок управления EDC (A142)
Описание
Блок управления работает с микроконтроллером, программной памятью и запоминающим
устройством.
Блок управления обрабатывает данные датчиков и управляет линейными магнитами для объема
впрыска и начала впрыска в исполнительном механизме ТНВД в зависимости от хранящихся в
памяти характеристик.
Кроме того, блок управления обеспечивает большое количество дополнительных контрольных и
резервных функций.

Монтажная позиция
F 2000/M 2000-M
Блок управления находится вместе с другими блоками управления за облицовкой в пространстве
для ног пассажира.

L 2000/M 2000-L
Блок управления находится вместе с другими блоками управления за заслонкой приборной панели
со стороны пассажира.
На этом изображении представлен пример монтажа блока управления EDC!
Изображен блок управления EDC 6.4.

Маршрутные автобусы (A21, A23 и т. д.)
Блок управления находится вместе с другими блоками управления за заслонкой в потолочном канале сзади справа.

Междугородные автобусы (A01, A04)
Блок управления находится сзади справа во втором блоке приборного отсека.

Туристические автобусы (A03, A13, A32)
Блок управления находится сзади слева во втором блоке приборного отсека над аккумуляторами.

Продолжение и полное описание - смотрите в