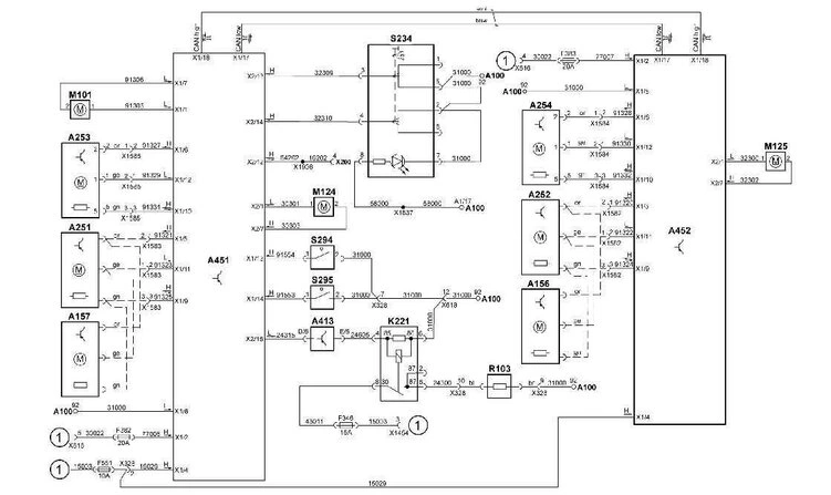
Принципиальная схема дверного модуля (TGL/TGM/TGA-LL)
A100 Центральная электрическая сеть
A156 Основное зеркало (пассажир)
A157 Основное зеркало (водитель)
A251 Широкоугольное зеркало (водитель)
A252 Широкоугольное зеркало (пассажир)
A302 Центральный бортовой компьютер 2
A451 Дверной модуль (со стороны водителя)
A452 Дверной модуль (со стороны пассажира)
A453 Стеклоподъемники (сторона водителя)
A454 Стеклоподъемник (со стороны пассажира)
A465 Дверной замок (сторона водителя)
A466 Дверной замок (со стороны пассажира)
F376 Предохранитель кабины внутри (клемма 15)
F382 Предохранитель дверной модуль - зеркало
F383 Предохранитель дверной модуль - кабина, центральный замок
S518 Замочный переключатель двери пассажира
S519 Замочный переключатель со стороны водителя
V645 Группа диодов дверного модуля
V646 Диод включения ZBR
X200 Штекерное соединение - диагностика
X1546 Штекерное соединение - правая дверь
X1547 Штекерное соединение - левая дверь
X1582 Штекерное соединение - основное и широкоугольное зеркало справа
X1583 Штекерное соединение - основное и широкоугольное зеркало слева
X1584 Штекерное соединение - бордюрное зеркало справа
X1585 Штекерное соединение - бордюрное зеркало слева
X1733 Штекерное соединение - переключатель сдвижной панели крыши
X2544 Распределитель потенциала 21-полюсного К-кабеля
1 Противоугонная система
2 Электронный блок сдвижной панели крыши (A473)
3 Дверной замок разблокирован
4 Дверной замок заблокирован


