Система питания и управления газовых двигателей КАМАЗ
и автобусов
моделей 820.60-260 и 820.61-260 с электронной системой управления М20 E4
Краткие сведения о системах управления двигателем и подачи газа.

Схема монтажная установки ГБО на городской автобус с баллонами 8х123л.

Схемы монтажные установки ГБО на автомобили семейства «КАМАЗ».
Система питания и управления газового двигателя
автомобилей КАМАЗ и автобусов

- Датчик температуры ОЖ
- Узел дроссельной заслонки
- Датчик абсолютного давления бо впускном коллекторе
- Датчик синхронизации
- Датчик температури воздуха бо впускном коллекторе
- Датчик рази
- Форсунка базовая
- Свеча зажиеания
- Датчик температура выхлопных газов
- Датчик температура газа
- Датчик давления газа
- Газовий фильтр
- Электронная педаль
- Вентиль магистральной
- Электронный блок управления
- Тройник
- Заправочное устройство
- Газовый редуктор
- Манометр
- Баллон газовый
- Вентиль баллона с электромагнитным клапаном
- Колодка диагностическая
- Лампа диагностики
- Выключатель ЭМК
- Замок зажигания
- Выключатель питания АКБ
- ЭМК подогревателя
- ЭМК высокого давления
- Редуктор подозрбателя с ЭМК
- Главное реле
- Реле топливное
- Реле включения электромагнитных клапанов баллонных без двигателя для питания подогревателя
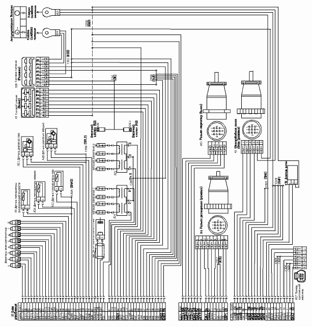
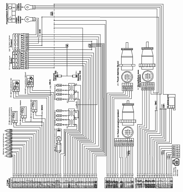
Принципиальная электрическая схема жгутов
проводов системы М20.

Принципиальная схема жгута двигателя.

Принципиальная электрическая схема жгута кабины.
Ниже приведена схема подключения высоковольтных проводов к катушкам зажигания.

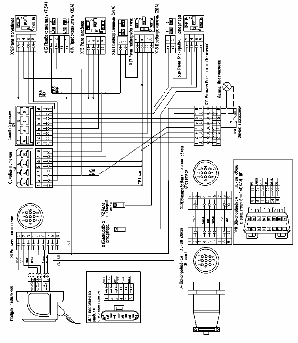
Блок реле и предохранителей.
1 - топливное реле.
2 - предохранитель отсечного клапана.
3 - предохранитель главный.
4 -главное реле.

Схема подключения высоковольтных проводов к катушкам зажигания. 1.. .8 - номера цилиндров.
Вся информация в высоком качестве в