Электросхемы грузовика KENWORTH T2000
Содержание
- AIR CONDITIONING
- ANTI-LOCK BRAKES
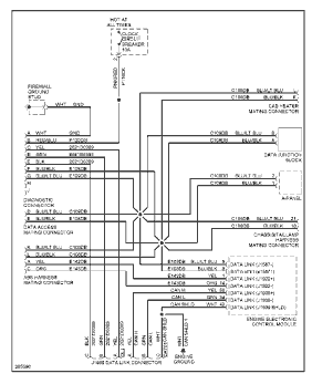
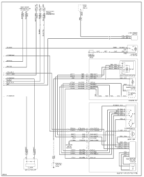
- COMPUTER DATA LINES
- COOLING FAN
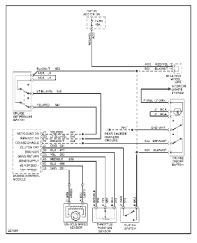
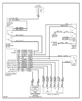
- CRUISE CONTROL
- ENGINE ACCESSORIES
- ENGINE PERFORMANCE
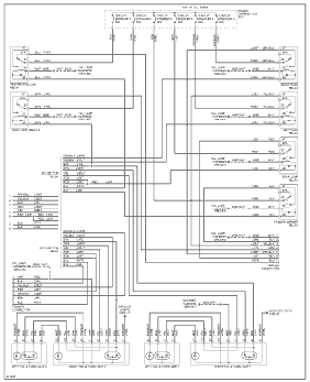
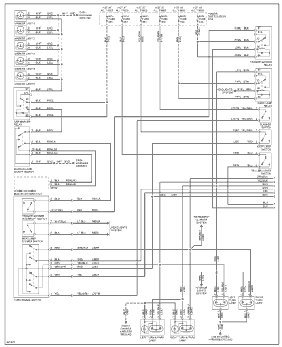
- EXTERIOR LIGHTS
- HEADLIGHTS
- INSTRUMENT CLUSTER
- INTERIOR LIGHTS
- POWER DISTRIBUTION
- POWER DOOR LOCKS
- POWER WINDOWS
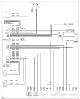
- RADIO
- STARTING/CHARGING
- TRANSMISSION
- WIPER/WASHER





Все схемы в высоком качестве доступны только пользователям


