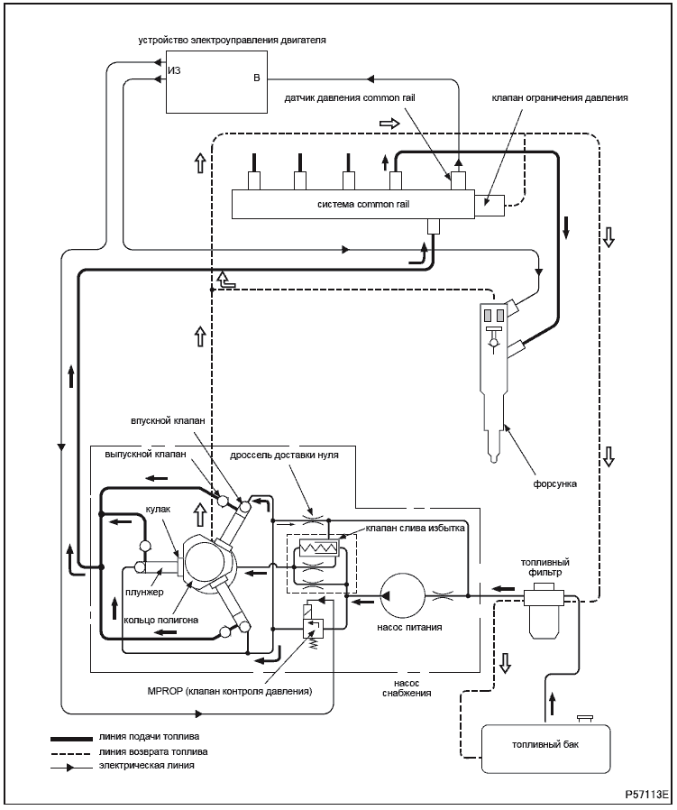
Система Common Rail Mitsubish Canter (Fuso 4M5 EURO 3)
• В системе Сommon rail устройство электроуправления отображает различные характеристики двигателя (скорость двигателя, открытие регулирования расхода, температура охлаждающей жидкости и т. д.), используя данные из датчиков. Согласно этим данным, устройство электроуправления осуществляет контроль над количеством впрыска топлива, регулированием впрыска топлива и давлением впрыска топлива, чтобы оптимизировать работу двигателя.
• Устройство электроуправления имеет функцию диагностирования, что позволяет ему распознавать неисправности основных компонентов системы Сommon rail и предупредить о них водителя.
• Система Сommon rail состоит в основном из насоса снабжения с электроуправлением; форсунок; common rail; устройства электроуправления и датчиков, используемых для управления остальными компонентами

• Когда двигатель проворачивается посредством включения стартера, насос питания (который находится внутри насоса снабжения) одновременно забирает топливо из топливного бака и доставляет его через топливный фильтр в MPROP (клапан контроля давления). Количество топлива, определяемое MPROP, доставляется через впускные клапаны в камеры плунжера.
• Топливо в камерах плунжера сжимается. Затем открываются выпускные клапаны и топливо под давлением доставляется в common rail.
• Сжатое топливо некоторое время пребывает в common rail, а затем в однородной форме доставляется к форсункам.
• Согласно сигналам устройства электроуправления двигателя магнитный клапан каждой форсунки контролирует впрыскивание топлива в камеру внутреннего сгорания в оптимальное время - в оптимальном количестве.
Насос снабжения

• Насос снабжения прессует топливо и подает его в спрессованном состоянии.
• Топливо, забранное насосом питания из бака, не подается прямиком в плунжеры. Сначала оно подается в MPROP (клапан контроля давления), которое контролирует количество доставляемого в плунжеры топлива.
• Если давление топлива превышает определенный уровень, клапан слива избытка возвращает топливо во впускную часть механизма насоса питания. Данная операция сохраняет давление топлива, доставляемого в MPROP, постоянным.
• Вращение эксцентричного вала привода осуществляет (посредством кулаков) движение плунжеров вверхвниз. Благодаря этому процессу топливо в камерах плунжеров прессуется.
MPROP (клапан контроля давления)
• Убедитесь, что подсоединили разъем MPROP (клапан контроля давления) к кабелю двигателя до начала запуска двигателя.
Если двигатель был заведен без подсоединения разъема MPROP, управление насосом снабжения не будет осуществляться устройством электроуправления, а это может привести к неисправности.
• MPROP получает топливо из насоса питания и подает его в плунжеры насоса снабжения в необходимом количестве так, что давление топлива (давление common rail) соответствует заданному устройством электроуправления двигателя значению.
• Когда MPROP не действует, т. е. ему не подается электропитание, топливо подается с максимальной величиной. При подаче электропитания поршень в MPROP нажимается до такой степени, что топливо не доставляется в плунжеры.
• время подачи электропитания контролируется устройством электроуправления двигателя (количество нагрузки).

• Сommon rail распределяет спрессованное топливо, поступившее из насоса снабжения, между форсунками.
• Каждый ограничитель подачи предотвращает избыток подачи топлива, блокируя проход топлива в случае утечки топлива из трубок впрыскивания или чрезмерного впрыскивания топлива из форсунок.
• Датчик давленияcommon rail используется для контроля возврата топлива. Он распознает давление топлива (актуальное давление common rail) внутри common rail и подает соответствующий сигнал устройству электроуправления.
• Если давление в common rail exceeds превышает определенный установленный уровень, поршень кла-
пана ограничения давления толкает и сжимает пружину так, чтобы топливо могло оттечь. Таким образом клапан ограничения давления предотвращает повышение давления топлива сверх нормы.
Ограничитель подачи
• При корректном функционировании поршни двигаются (за счет толкания и сжимания пружины) в необходимой для прохода определенного количества топлива за одно впрыскивание степени. В этот момент поршень не контактирует с седлом. Когда впрыскивание выполнено, поршень возвращается в исходную позицию за счет пружины.
• Если количество проходящего через ограничитель подачи топлива становится чрезмерно большим, поршень нажимает на седло и проход топлива перекрывается для предотвращения вытекания топлива. При нажатии поршня на седло он не возвращается в свое исходное положение, пока двигатель не остановится и давление в common rail не снизится.
Форсунка

• В соответствии с сигналами, поступающими из устройства электроуправления двигателя, каждая форсунка поставляет топливо под высоким давлением из common rail в камеру внутреннего сгорания двигателя в оптимальное время – в оптимальном количестве.
• Форсунка подразделяется на секцию контроля и секцию впрыскивания.
• Секция контроля состоит из камеры контроля, магнита, пружины клапана, пластины якоря, тела клапана, поршня клапана, отверстия A и отверстия Z. Поршень клапана находится между секцией контроля и секцией впрыскивания.
• секция впрыскивания состоит из тела распылителя, распылителя с игольчатым затвором, пружины распылителя и гайки распылителя.
Впрыскивание не находит выхода
• При ненагруженном магните, пластина якоря выталкивается пружиной клапана так, что седло шарика
закрывается.
• Высокое давление топлива оказывается над камерой контроля через отверстие Z. Такое же давление
оказывается над распылителем с игольчатым затвором.
• Давление топлива, оказываемое на распылитель с игольчатым затвором не может достигнуть поршня
клапана и пружины распылителя, поэтому распылитель с игольчатым затвором остается в нижней нажатой позиции и впрыскивание не находит выхода.

Начало впрыскивания
• При нагруженном магните образующаяся электромагнитная сила поднимает пластину якоря вверх, позволяя седлу шарика открыться.
• Топливо в камере контроля проходит через отверстие А и седло шарика и утекает обратно в топливный бак.
• При снижении давления в камере контроля, топливо, воздействующее на распылитель с игольчатым затвором, достигает поршня клапана и пружины клапана, выталкивая распылитель с игольчатым затвором таким образом, что происходит впрыскивание.
• Если магнит продолжает оставаться под нагрузкой, число впрыскиваний достигает своего максимального уровня.

Прекращение впрыскивания
• Когда нагрузка перестает оказываться на магнит, пластина якоря выталкивается вниз пружиной клапана так, что седло шарика закрывается.
В это время топливо направляется в камеру контроля через отверстие Z, толкая вниз поршень клапана и распылитель с игольчатым затвором, таким образом впрыскивание прекращается.

Деталь Основная функция/операция
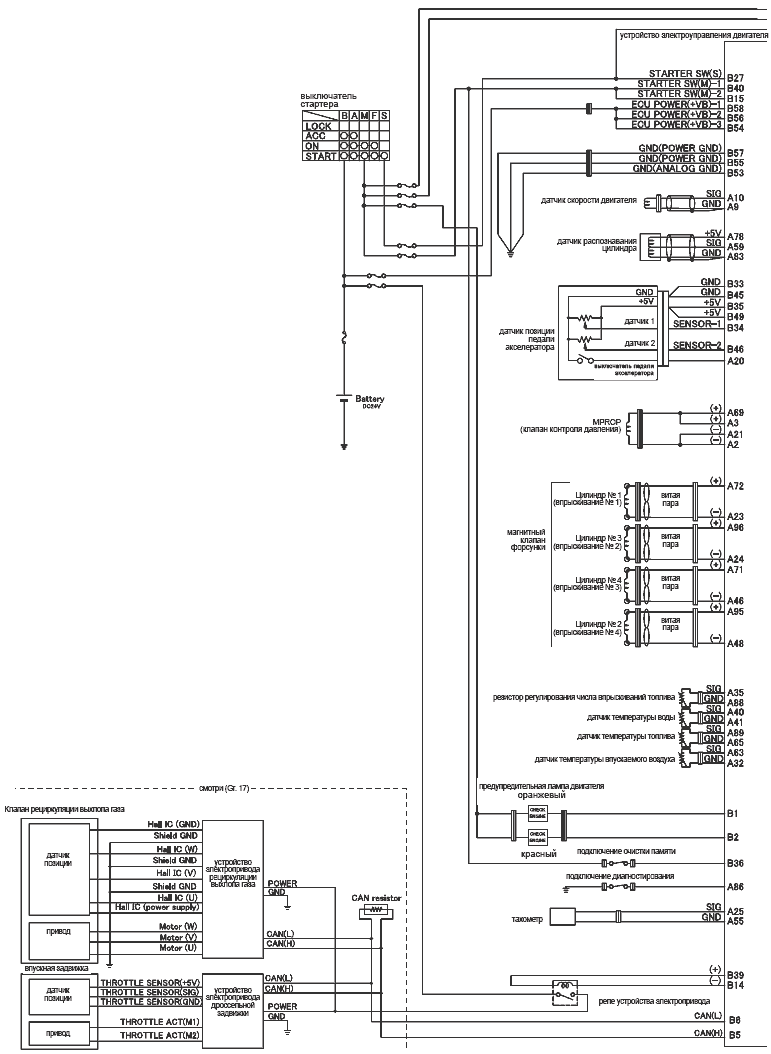
Датчик скорости двигателя Определение скорости двигателя
Датчик распознавания цилиндра Распознавание цилиндра
Датчик температура воды Определение температуры охлаждающей жидкости
Датчик повышения давления Определение повышения давления
Датчик давления системы Common rail Определение давления системы Сommon rail
Датчик температуры топлива Определение температуры топлива
Датчик температуры впускаемого воздуха Определение температуры впускаемого воздуха
Выключатель стартера Определяет предпусковое состояние двигателя посредством установки выключателя стартера в позицию START.
Датчик позиции педали акселератора Определяет степень депрессии (снижения) педали акселератора
Выключатель педали акселератора (встроенный в датчик позиции педали акселератора)
Определяет состояние отпускания/нажатия педали акселератора (ON при отпускании педали)
Делитель импульсов (датчик скорости транспортного средства Определение скорости транспортного средства
Потенциометр регулирования скорости холостого хода Ускорение нагревания
Резистор регулирования количества впрыскиваемого топлива Коррекция количества впрыскиваемого топлива
Подключение диагностирования Вывод кодов диагностирования
Подключение очистки памяти Удаление кодов диагностирования; вывод предыдущих кодов диагностирования
Разъем устройства Multi-Use Tester Соединение между устройством Multi-Use Tester и системой common
rail
Выключатель сцепления Определяет состояние отпускания/нажатия педали сцепления (OFF при отпускании педали)
Выключатель нейтральной позиции коробки передач
Определение положения нейтральной позиции на коробке передач (OFF при нейтральной позиции коробки передач)
Выключатель выпускного тормоза Контроль ON/OFF (включения/выключения ) выпускного тормоза
Выключатель ограничения оборотов Определение первой и последней позиций
Магнитный клапан форсунки
Контроль числа впрыскиваний топлива, количества впрыски-аемого топлива и регулирования впрыскивания топлива
MPROP 1, 2 (клапан контроля давления) Контроль давления впрыскивания топлива
Предупредительная лампа двигателя Отображение неполадок системы
Тахометр Отображение скорости двигателя (на панели приборов)
Реле привода накаливания Контроль ON/OFF (включения/выключения) свечей накаливания
3ех ступенчатый магнитный клапан заслона выхлопа
Контроль ON/OFF (включения/выключения) магнитного клапана затвора выброса
Предохранительное реле Контроль функции предотвращения перенапряжения стартера
Реле устройства электропривода
Электроснабжение электропривода рециркуляции выхлопного газа и электропривода задвижки
CAN коммуникация (устройство электропривода рециркуляции выхлопа газа и устройство элек-
тропривода задвижки)
Распознанные устройством электроуправления двигателя данные выводятся в CAN сервис, чтобы позволить системам получать данные, необходимые для управления. Каждое устройство электропривода выпускает сигналы в устройство электроуправления двигателя через CAN сервис, чтобы осуществлять управление двигателя, соответствующее каждому типу системы.
Контроль впрыскивания топлива
Пробное впрыскивание
• Пробное впрыскивание осуществляет впрыскивание очень маленькой дозы топлива перед основным впрыскиванием.
• Пробное впрыскивание подавляет выработку тепла в цикле впрыскивания и, следовательно, подавляет выработку NOx и шума в начале процесса сгорания.

Контроль раздвоения впрыскиваний
• Раздвоенное впрыскивание осуществляет впрыскивание очень маленькой дозы топлива два и более раз, опережая основное впрыскивание.
• Раздвоенное впрыскивание усиливает сгорание топлива и, следовательно, усиливает возможность запуска холодного двигателя.

Контроль количества впрыскиваемого топлива
Количество впрыскиваемого топлива при запуске двигателя
• При запуске двигателя количество впрыскиваемого топлива определяется в соответствии со скоростью двигателя и температурой охлаждающей жидкости.

Количество топлива при основном впрыскивании
• Количество топлива при основном впрыскивании определяется в соответствии со скоростью двигателя и открытием дроссельной задвижки.

Максимальное количество впрыскивания
• Максимальное количество впрыскивания рассчитывается, исходя из скорости двигателя и повышения давления.

Корректирование количества резистором регулирования числа впрыскиваний топлива
• Резистор регулирования числа впрыскиваний топлива корректирует количество впрыскиваний для ограничения превышения количества впрыскиваемого топлива.

Контроль регулирования времени впрыскивания топлива
Ограничение основного впрыскивания
• Регулирование времени основного впрыскивания рассчитывается, исходя из количества впрыскиваемого топлива и скорости двигателя.

Регулирование времени пробного впрыскивания (интервал пробного впрыскивания)
• Регулирование времени пробного впрыскивания рассчитывается, исходя из количества впрыскиваемого топлива и скорости двигателя.

Контроль давления впрыскивания топлива
• Давление впрыскивания топлива рассчитывается, исходя из количества впрыскиваемого топлива и скорости двигателя.

Схема подсоединения устройства электроуправления

