FORD CARGO H566/H476 - Воздухонагреватель
(описание, схемы, распиновки)
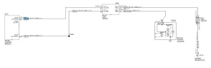
Air Heater (Grayd Heater)
This resistor element is placed between the cylinder head and intake duct and used for heating the air in pre/post heating operations.
Engine control unit activates the pre/post heating when any of the water, air or oil temperature sensors detects a temperature value under 10 °C and turns on the warning light inside the cab according to the temperature value, and after a while, light flashes to indicate the driver that the engine may be operated.

Air Heater Wiring Diagram

WCAC Pump

Function :
It is used to cool the WCAC unit, which is used to cool the air taken from the turbo compressor and that shall be entering the intake manifold. It has its own circulation independent of the engine coolant.

Location on the engine:



Checking Method:
