Электросхема дверного модуль водителя TMF Mercedes Actros
- Цветовая маркировка проводов -
- bl Синий
- br Коричневый
- ge Жёлтый
- gn Зелёный
- gr Серый
- rs Розовый
- rt Красный
- sw Чёрный
- vi Фиолетовый
- ws Белый
- tk Бирюзовый (бензин)
- or Оранжевый
- tr Световое табло
Абб: Электропитание и шина данных CAN

- А7: Блок управления Базовый модуль GM
- Абб: Блок управления Дверной модуль со стороны водителя TMF
- CAN2: Шина CAN салона
- F1-A7: Предохранитель
- Х22.1: Штекерное соединение водительской двери
- (312): Провода скручены.
- (791): Контроль жгута электропроводки блоком управления EDW система противоугонной сигнализации
Е25: Плафон освещения в нижнем торце двери

- Абб: Блок управления Дверной модуль со стороны водителя TMF
- Е25: Плафон освещения в нижнем торце двери 'Водитель'
М7: Электромотор стеклоподъёмника

- Абб: Блок управления Дверной модуль со стороны водителя TMF
- М7: Электромотор стеклоподъёмника водительской двери
Указание:
В случае кода FZ1 установлен электромотор стеклоподъёмника без датчика.
М9, R4: Электромотор регулировки положения зеркала и подогрев зеркала

- Абб: Блок управления Дверной модуль со стороны водителя TMF
- М9: Электромотор регулировки положения зеркала 'Водитель'
- R4: Подогрев зеркала 'Водитель'
- Х24: Штекерное соединение 'Зеркало' в водительской двери
МП: Электромотор блокировки

- Абб: Блок управления Дверной модуль со стороны водителя TMF
- М11: Электромотор блокировки водительской двери
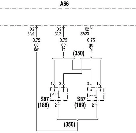
S87: Концевой выключатель замка

- Абб: Блок управления Дверной модуль со стороны водителя TMF
- S87: Концевой выключатель замка водительской двери
- (350): На выбор в зависимости от исполнения
- (188): Иллюстрация для левого руля
- (189): Иллюстрация для правого руля
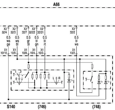
S140 (744/745): Клавиша управления стеклоподъёмниками

- Абб: Дверной модуль со стороны водителя TMF
- S140: Панель выключателей 'Водительская дверь'
- (744): Клавиша управления стеклоподъёмником водительской двери
- (745): Клавиша управления стеклоподъёмником двери переднего пассажира
S140 (746): Клавиша управления электромотором регулировки
положения зеркала и подогревом зеркала

- Абб: Блок управления Дверной модуль со стороны водителя TMF
- S140: Панель выключателей 'Водительская дверь'
- (746): Выключатель 'Регулирование положения зеркала'
- (748): Клавиша управления 'Подогрев зеркала'
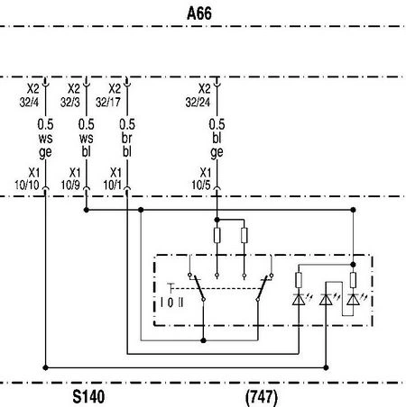
S140 (747): Внутрисалонная клавиша 'Разблокировать/заблокировать'

- Абб: Блок управления Дверной модуль со стороны водителя TMF
- S140: Панель выключателей 'Водительская дверь'
- (747): Внутрисалонная клавиша 'Разблокировать/заблокировать'