CROWN - SP 3400
(схемы, ремонт, диагностика)

INDEX
- Safety
- Introduction
- Lubrication & Adjustment
- Hydraulic System
- Drive Unit
- Electrical System
- Brake System
- Steering
- Lifting Mechanism
- Cylinders
- Platform
- Electrical Components
- Schematic Diagrams
- Hydraulic Schematic
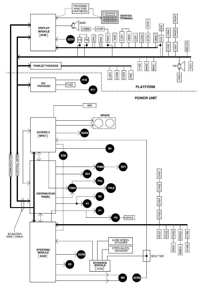
Block Diagram

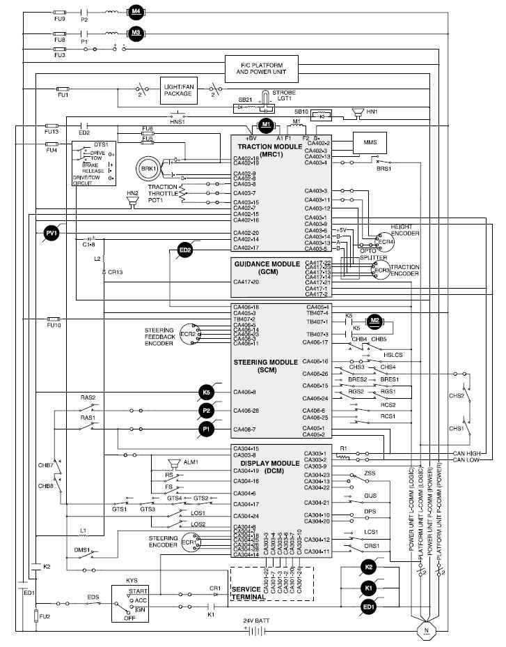
SCHEMATIC DIAGRAMS
SCHEMATIC, STANDARD

Полный мануал смотри в