SHACMAN X600 - Описание системы VCU
Контроллер VCU транспортного средства выполняет многие функции, такие как запуск автомобиля, управление крутящим моментом, управление вентилятором, управление крейсерской скоростью и другие. Как показано на рисунке ниже, VCU действует как шлюз для отделения других контроллеров энергосистемы от двигателя и определяет намерения водителя и рабочее состояние автомобиля на основании состояния ввода, такие как шины, входной сигнал, обратная связь контроллеров и др., и затем выбирает подходящие и эффективные методы для координации и управления всеми системами управления.

Система управления запуском одной кнопкой состоит из модуля запуска одной кнопкой (PSU) и модуля электронной блокировки рулевой колонки (ESCL). Она может реализовывать такие функции, как автоматическая проверка подлинности ключа, автоматическое разблокирование рулевой колонки, запуск и выключение двигателя с помощью одной кнопки и др. без использования смарт-ключа. Водитель вставляет смарт-ключ в гнездо модуля запуска одной кнопкой, если ключ является законным, система автоматически разблокирует рулевую колонку и двигатель. При соответствии условиям старта,нажмите на педаль тормоза и на кнопку выключения зажигания,и немедленно запускайте двигатели. При соответствии условиям остановки нажмите на кнопку остановки одной кнопкой, и немедленно глушите мотор.
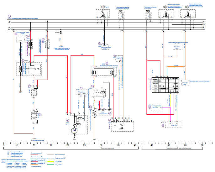
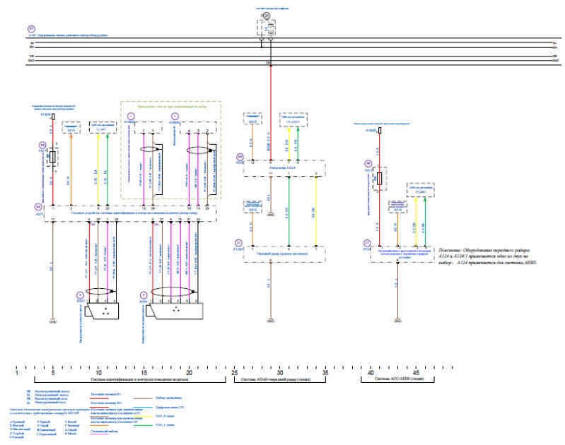
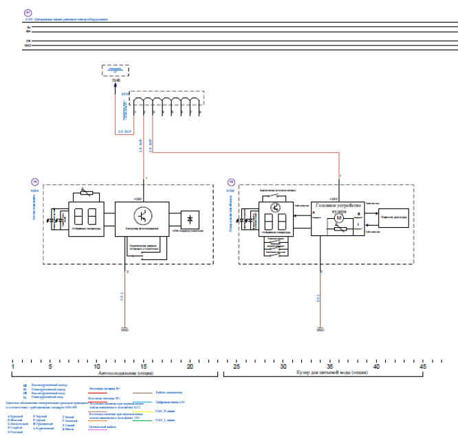
Принципиальная схема системы управления транспортным средством



Описание контактного вывода PSU



Описание контактного вывода VCU


Количество контактного вывода разъема
Список входных портов





Продолжение в