Электросхема управление движением FR Mercedes Axor 940-944
Электропитание на блоке управления FR система управления движением

- АЗ: Блок управления FR система управления движением
- А7: Базовый модуль
Фрагмент электросхемы реле стоп-сигнала и реле сигнала заднего хода

- АЗ: Блок управления FR система управления движением
- А5: Блок управления GGVS
- Аб: Блок управления MR система управления двигателем
- А7: Базовый модуль
- А32: Блок реле
- К5-А37: Реле 'Кл. 15' на а/м GGVS
Указание:
- Штекерное соединение X I на блоке управления MR система управления двигателем та кж е может быть 16-контактным,
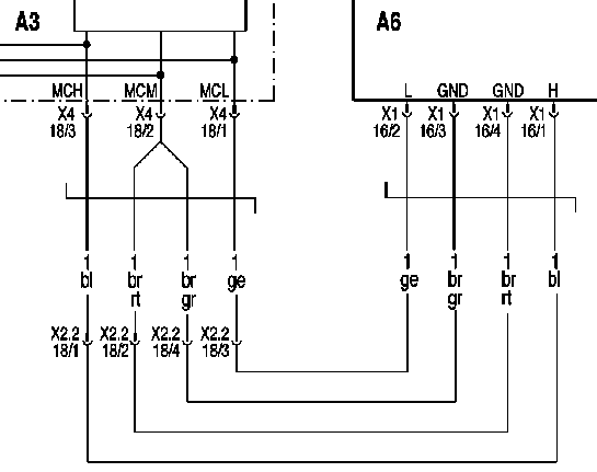
Электросхема шины CAN двигателя

- АЗ: Блок управления FR система управления движением
- А4: Блок управления FLA электрофакельный подогреватель воздуха
- Аб: Блок управления MR система управления двигателем
- (312): Провода скручены.
Фрагмент электросхемы электропитания блока управления MR
система управления двигателем

- А6: Блок управления MR система управления двигателем
- А7: Базовый модуль
- G1: Аккумуляторная батарея
- G2: Генератор
- N3: Штекерное соединение (55-контактное)
- X I: Штекерное соединение (15-контактное или 16-контактное)
- Х2.2: Штекерное соединение на плате штекеров 'Кабина водителя - шасси'
Указание:
- N3/18, Х1/12: На выбор в зависимости от исполнения
Электросхема соединения по CAN между блоками управления FR
система управления движением и MR система управления двигателем

- АЗ: Блок управления FR система управления движением
- Аб: Блок управления MR система управления двигателем
Указание:
- Штекерное соединение X I на блоке управления MR система управления двигателем та кж е может быть 15-контактным.
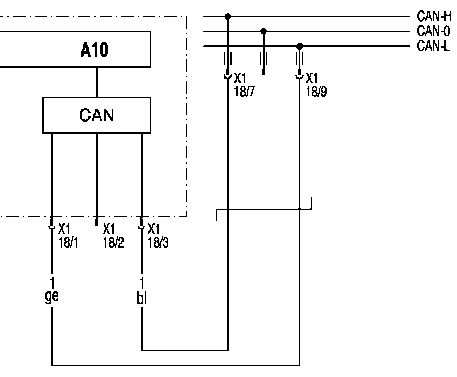
Фрагмент электросхемы шины CAN к блоку управления ABS антиблокировочная система

- А10: Блок управления ABS антиблокировочная система
Фрагмент электросхемы PSM параметрируемый спецмодуль

- А22: PSM параметрируемый спецмодуль
Фрагмент электросхемы датчика педали газа

- АЗ: Блок управления FR система управления движением
- В1: Датчик педали газа
Фрагмент электросхемы датчика перемещения сцепления и
датчика входного числа оборотов КП

- АЗ: Блок управления FR система управления движением
- В2: Датчик перемещения сцепления
- ВЗ: Входное число оборотов КП
Фрагмент электросхемы датчика температуры наружного воздуха и
датчика стояночного тормоза

- АЗ: Блок управления FR система управления движением
- В4: Датчик температуры наружного воздуха
- В5: Выключатель стояночного тормоза
Фрагмент электросхемы датчика воздушного фильтра и двухпозиционного датчика уровня
охлаждающей жидкости

- АЗ: Блок управления FR система управления движением
- В6: Двухпозиционный датчик уровня охлаждающей жидкости
- В7.А: Датчик воздушного фильтра Вариант А
- В7.В: Датчик воздушного фильтра Вариант В
- Х2.1: Штекерное соединение 'Кабина водителя-шасси'
Воздушный фильтр на двигателе:
- а : Х3.2 18/1
- Ь: Х3.2 18/2
- с: Х3.2 18/3
Воздушный фильтр в задней части рамы:
- а : Х6.1 18/3
- b: Х6.1 18/4
- с : Х6.1 18/5
Фрагмент электросхемы выключателя стоп-сигналов

- АЗ: Блок управления FR система управления движением
- В70: Д атчи к давления тормозной системы со сквозным управлением (спецоборудование)
- S4: Выключатель стоп-сигналов
Указание:
- Установлено только на ABS
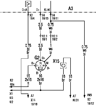
Фрагмент электросхемы генератора

- АЗ: Блок управления FR система управления движением
- А7: Базовый модуль
- G2: Генератор
- Х15: Колодка клеммы 31 в плате штекеров - кабина водителя -шасси
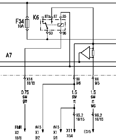
Фрагмент электросхемы реле стоп-сигнала

- А7: Базовый модуль
- А45: Блок управления ANH распознавание прицепа
- F34: Предохранитель для стоп-сигнала справа и слева и для стоп-сигнала прицепа
- FMR: Блок управления FR система управления движением
- Кб: Реле стоп-сигнала
Фрагмент электросхемы выключателя темпомат и Temposet

- АЗ: Блок управления FR система управления движением
- S2: Переключатель системы "Темпомат"
Фрагмент электросхемы рычага задействования 'Управление
двигателем/тормозом-замедлителем' и выключателя делителя

- АЗ: Блок управления FR система управления движением
- S2: Рычаг задействования 'Управление двигателем/тормозом-замедлителем'
- S3: Выключатель делителя
Фрагмент электросхемы выключателя стоп-сигналов

- АЗ: Блок управления FR система управления движением
- В70: Датчик давления тормозной системы со сквозным управлением (спецоборудование)
- S4: Выключатель стоп-сигналов
Указание:
- Установлено только на ABS
Фрагмент электросхемы выключателя передачи заднего хода,
выключателя положения групп и выключателя нейтрального положения

- АЗ: Блок управления FR система управления движением
- S7: Датчик задней передачи
- S8: Датчик положения групп
- S9: Датчик нейтрального положения
Фрагмент электросхемы электромагнитных клапанов 'моторный тормоз'

- АЗ: Блок управления FR система управления движением
- RIJLI: Активация сигнала заднего хода
- Y1: Электромагнитный клапан 'Моторный тормоз 1'
- Y2: Электромагнитный клапан 'Моторный тормоз 2'
Фрагмент электросхемы электромагнитных клапанов 'Делитель'

- АЗ: Блок управления FR система управления движением
- Y29: Электромагнитный клапан делителя 1
- Y30: Электромагнитный клапан делителя 2
Место установки блоков управления

- 1: FLA электрофакельный подогреватель воздуха
- 2: NR Система регулирования уровня кузова
- 3: WS система техобслуживания
- 4: HPS система гидропневматического переключения передач
- 5: FR система управления движением
- 6: ABS антиблокировочная система или BS тормозное управление
- 7: PSM параметрируемый спецмодуль
Блок управления MR система управления двигателем

- 1: Блок управления MR система управления двигателем
- 2: Штекерное соединение N3 (55-контактное)
- 3: Штекерное соединение X1 (16-контактное)
Место установки датчика педали газа

- 1: Д атчи к педали газа
Место установки датчика числа оборотов (вход КП)

- 1: Датчик числа оборотов на входе КП
- 2: Рабочий цилиндр сцепления
- 3: Датчик сцепления
Место установки датчика температуры наружного воздуха

- 1: Датчик температуры наружного воздуха
Место установки двухпозиционного датчика уровня охлаждающей жидкости

- 1: Двухпозиционный датчик уровня охлаждающей жидкости
Место установки датчика контроля воздушного фильтра

- 5: Датчик воздушного фильтра
Место установки генератора

- 1: Генератор
Обзор через базовый модуль

- А1: Блок управления Свет для движения в дневное время суток
- А2: Блок управления Фароочиститель
- F1 - F42: Предохранители
- К1: Генератор импульсов сигнала поворота
- КЗ: Реле дополнительных фар
- K4: Реле стартера
- K5: Реле D+
- Кб: Реле стоп-сигнала
- K7: Реле сигнала заднего хода
Место установки рычага задействования
'Управление двигателем/тормозом-замедлителем'

- 1: Рычаг задействования 'Управление двигателем/тормозом-замедлителем
Место установки выключателя делителя на а/м без GS
управление переключением передач

- 1: Выключатель делителя
Место установки выключателя стоп-сигналов

- 1: Выключатель стоп-сигналов
Указание:
- Установлено только на ABS
Место установки выключателя нейтрального положения, электромагнитного клапана 'Передача HPS', выключателя передачи заднего хода и датчика числа оборотов
'Сигнал пути'

- 1: Датчик нейтрального положения
- 2: Электромагнитный клапан 'Передача HPS'
- 3: Датчик задней передачи
- 4: Датчик числа оборотов 'Сигнал пути'
Место установки выключателя положения групп

- Датчик положения групп
Указание:
- Выключатель положения групп установлен только в случае КП G211.
Место установки штекерного соединения Х2.1

- Место установки штекерного соединения Х2.1 на плате штекеров 'Кабина водителя - шасси
Место установки штекерного соединения Х3.1 на плате штекеров
'Кабина водителя - шасси'

- 1: Штекерное соединение Х3.1
Место установки диагностического разъёма

Х13: Диагностический разъём, 14-контактный
Место установки электромагнитного клапана Группа делителя

- 1: Электромагнитный клапан 'Усилитель переключения' (только для MPS и HPS)
- 2: Датчик нейтрального положения S9
- 3: Электромагнитный клапан группы делителя
- 4: Штекерное соединение 'Двигатель' Х29
Место установки точки звезды CAN на консоли

- 1: Точка звезды CAN на консоли
Место установки точки звезды CAN на задней стенке кабины водителя

- Место установки точки звезды CAN на задней стенке кабины водителя
Расположение штекерных соединений на блоке управления FR
система управления движением

- 1 : Штекерное соединение Х4
- 2: Штекерное соединение ХЗ
- 3: Штекерное соединение Х2
- 4: Штекерное соединение X I
Распределение штекеров XI на блоке управления FR система управления движением

-1: Штекерное соединение XI
- Контакт 1: Вход 'Датчик педали сцепления 1'
- Контакт 2: Вход 'Датчик педали сцепления 2'
- Контакт 3: Обратная связь первого сигнала датчика педали газа
- Контакт 4: Масса второго сигнала датчика педали газа
- Контакт 5: Масса первого сигнала датчика педали газа
- Контакт 6: Обратная связь второго сигнала датчика педали газа
- Контакт 7: Питание второго сигнала датчика педали газа
- Контакт 8: Питание первого сигнала датчика педали газа
- Контакт 9: Питание выключателя темпомата
- Контакт 10: Сигнал скорости от тахографа
- Контакт 11: Вход 'Сигнал тормоза’
- Контакт 12: Сигнал 'Задать и ускоряться (-)'
- Контакт 13: Импульсное питание выключателя 1
- Контакт 14: Сигнал 'Включить функцию темпомат'
- Контакт 15: Сигнал 'Активировать функцию Temposet'
- Контакт 16: Сигнал 'Задать и ускоряться (+)'
- Контакт 17: Сигнал 'Подтвердить темпомат'
- Контакт 18: Сигнал запуска двигателя
Распределение штекеров Х2 на блоке управления FR система управления движением

- 1: Штекерное соединение Х2
- Контакт 1: Клемма 30
- Контакт 2: Клемма 31
- Контакт 3: Клемма 15
- Контакт 4: Выход D+
- Контакт 5: Провод К (коммуникационный)
- Контакт 6: Управление запуском и остановкой двигателя
- Контакт 7: Активация реле фонарей заднего хода
- Контакт 8: Активация реле стоп-сигнала
- Контакт 9: Вход 'Ступень 3 моторного тормоза'
- Контакт 10: Импульсное питание выключателя 4
- Контакт 11: Вход 'Выключатель делителя Low'
- Контакт 12: Вход 'Выключатель делителя High'
- Контакт 13: Вход 'Ступень 0 моторного тормоза'
- Контакт 14: Вход 'Ступень 1 моторного тормоза'
- Контакт 15: Вход 'Ступень 2 моторного тормоза'
- Контакт 16: Сигнал CAN-Low шины CAN а/м
- Контакт 17: Провод массы шины CAN а/м
- Контакт 18: Сигнал CAN-High шины CAN а/м
Распределение штекеров ХЗ на блоке управления FR система управления движением

- 1 : Штекерное соединение ХЗ
- Контакт 1: Вход 'Датчик воздушного фильтра'
- Контакт 2: Масса датчика воздушного фильтра
- Контакт 3: Питание датчика уровня охлаждающей жидкости и датчика воздушного фильтра
- Контакт 4: Выход 'Моторный тормоз 1'
- Контакт 5: Импульсное питание выключателя 2
- Контакт б: Активация 'Долив моторного масла'
- Контакт 7: Выход 'Моторный тормоз 2'
- Контакт 8: Масса активации 'Долив моторного масла'
- Контакт 9: Вход стояночного тормоза
- Контакт 10: Масса моторного тормоза
- Контакт 11: Вход 'Двухпозиционный датчик уровня охлаждающей жидкости'
- Контакт 12: Вход 'Двухпозиционный датчик уровня масла'
- Контакт 13: Сигнал CAN -Hinh лппппнитйпкнпй шины CAN
Распределение штекеров Х4 на блоке управления FR система управления движением

- 1: Штекерное соединение Х4
- Контакт 1: Сигнал CAN-Low шины CAN двигателя
- Контакт 2: Масса шины CAN двигателя
- Контакт 3: Сигнал CAN-High шины CAN двигателя
- Контакт 4: Вход 'Датчик числа оборотов КП'
- Контакт 5: Масса датчика числа оборотов КП
- Контакт 6: Вход 'Датчик температуры наружного воздуха'
- Контакт 7: Масса электромагнитного клапана 'Делитель'
- Контакт 8: Выход 'Электромагнитный клапан делителя L'
- Контакт 9: Масса датчика температуры наружного воздуха
- Контакт 10: Выход Электромагнитный клапан делитель Н'
- Контакт 11: Сигнал числа оборотов 'Клемма W'
- Контакт 12: Импульсное питание выключателя 3
- Контакт 13: Сигнал генератора (D+)
- Контакт 14: Вход 'Датчик перемещения сцепления'
- Контакт 15: Масса датчика перемещения сцепления
- Контакт 16: Сигнал 'Нейтральное положение'
- Контакт 17: Сигнал 'Группа передач'
- Контакт 18: Сигнал 'Передача заднего хода включена'
Расположение штекеров на комбинации приборов

- 1: Лампа "Стоп"
- Р2: INS комбинация приборов
- X I: Штекер X I (18-контактный)
- Х2: Штекер Х2 (18-контактный)
Назначение контактов блока управления MR система управления двигателем

Полная распиновка в "Большой энциклопедии для автоэлектриков и диагностов"
Параметрическая кривая датчика температуры наружного воздуха

- Допустимый допуск при значениях -45...-10 °С = + /- 4 °С
- Допустимый допуск при значениях -10...40 °С = + /- 1 °С
- Допустимый допуск при значениях 40...75 °С = + /- 2 °С
Схема подключения и место установки выключатель делителя

- Выключатель делителя