Электрооборудование автобуса МАЗ 206/226
с щитком приборов МЭМЗ, CONTINENTAL, Точприбор
Перечень элементов
- А1 Таймер ПЖД
- A2 Блок управления системы ABS/ASR
- A3 Система информационных табло
- A4 Система электронного управления ГМП
- A5 Электронный блок управления двигателем
- A6 Блок управления двигателем ОМ 906 LA
- А7 Блок управления ЭФУ
- А8 Датчик положения педали подачи топлива
- А9.1, А9.2 Блок управления приводом двери
- А11 Блок управления гидропривода вентилятора
- А12 Пульт управления системы автоматического пожаротушения
- А13 Блок управления системы автоматического пожаротушения
- А14 Щиток приборов
- А15 Контроллер щитка приборов
- А19 Блок управления EBS
- A19.1 Осевой модуль EBS
- A19.2 Пропорционально ускорительный клапан EBS
- А95 Электронный блок SCR
- АE22 Подогреватель жидкости
- АE60 Подогреватель воздуха AirTOP 2000
- В1 Датчик указателя температуры охлаждающей жидкости
- В1.1 Датчик указателя аварийной температуры охлаждающей жидкости
- В2 Датчик указателя давления масла
- В2.2 Датчик указателя аварийного давления масла
- B3 Датчик уровня топлива
- B4 Датчик уровня охлаждающей жидкости
- B5...В8 Датчик аварийного давления воздуха
- B10, В11 Датчик указателя давления воздуха в контурах тормозов
- B12.1 Датчик охлаждающей жидкости гидропривода вентилятора
- B12.2 Датчик темпер. надув. воздуха гидропривода вентилятора
- B14 Датчик засоренности масляного фильтра
- B15, В16 Датчик аварийного открывания двери
- B18 Датчик засоренности воздушного фильтра
- B20 Датчик стоп-сигнала
- В20.1 Датчик давления воздуха
- B28, В29 Датчик аварийного состояния дверей
- B31, В32 Линейный температурный извещатель системы автоматического пожаротушения
- B61...В64 Датчик числа оборотов
- B70 Датчик уровня масла ГУР
- B71 Датчик давления масла ГМП
- BA1...BA4 Громкоговорители салона
- ВМ1 Микрофон
- Е1, Е2 Габаритный огонь передний нижний
- E5, E6 Габаритный огонь задний нижний
- E7, E8 Фонарь освещения номерного знака
- E9, E10 Противотуманная фара
- E11, E12 Фара заднего хода
- E14.1, E14.2 Фонарь освещения выхода
- E15, E16 Фонарь контурного огня передний
- E17, E18 Фонарь контурный огонь задний
- E19, E20 Фонарь противотуманный (задний )
- E21 Светильник освещения места водителя
- E23, Е24 Фара дальнего света
- E25, E26 Фара ближнего света
- E27, E28, Е31, Е32 Светильник освещения салона
- E40 Фонарь освещения моторного отсека
- E41...E46 Боковой габаритный фонарь
- EP1...EP11 Лампы подсветки приборов
- EТ1...EТ3 Генератор огнетушащего аэрозоля
- ES37, ES22, ES45 Лампы подсветки переключателей
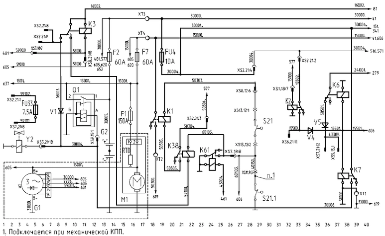
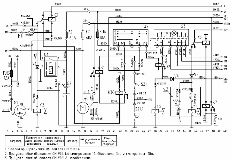
- G1, G4 Генератор
- G2 Аккумуляторная батарея
- G3 Импульсный датчик спидометра
- H1 Контрольная лампа указателей поворотов
- H2, H4 Указатель поворота передний
- H3, H5 Указатель поворота задний
- H15 Табло «Требование остановки»
- H16 Индикатор аварийного давления в ресивере потребителей
- H17, Н17.1 Звуковой сигнал
- H28 Сигнал заднего хода
- H31, H32 Повторитель боковой указателя поворотов
- H41, Н42 Указатели поворота задние (верхние)
- H43, Н44 Фонари стоп - сигналов задние
- H50 Сигнализатор звуковой СА-1
- H51 Индикатор работы EBS
- M1 Стартер
- M2 Электродвигатель управления заслонкой фронтального отопителя
- М4 Электродвигатель отопителя водителя
- М5.1, М5.2 Электродвигатели крышных вентиляторов
- M6 Электродвигатель стеклоомывателя
- M7 Электродвигатель моторедуктора стеклоочистителя
- M9, M10, M23 Электродвигатели отопителей пассажирского салона
- M12 Электродвигатели крышного вентилятора рабочего места водителя
- M25 Электродвигатель циркуляционного насоса ПЖД
- P15 CAN-коммуникатор
- Q1 Контактор ТКС 601 ДОД
- Q2 Замок зажигания
- R6 Осушитель воздуха
- R7, R8 Обогрев зеркал
- R9, R10 Обогрев стекол
- R11 Обогрев табло
- RT1 Температурный датчик топливного фильтра
- RT2 Подогрев сидения водителя
- RF1 Свеча ЭФУ
- S1 Переключатель указателей поворотов
- S2 Переключатель стеклоочистителя
- S3 Аварийный выключатель
- S5 Кнопка аварийной сигнализации
- S6 Кнопка теста контрольных ламп
- S12.1...S12.3 Кнопки требования остановки
- S13 Кнопка одновременного управления дверями салона
- S13.1...S13.2 Кнопки управления дверями салона
- S16, S16.1 Внешние кнопки управления дверьми водителя
- S19 Датчик включения заднего хода
- S21 Бесконтактный конечный выключатель крышки моторного отсека
- S21.1 Датчик нейтрали
- S22 Выключатель автономного подогревателя
- S23 Выключатель управления заслонкой отопителя рабочего водителя
- S24 Выключатель отопителя рабочего места водителя
- S27 Выключатель крышных вентиляторов
- S27 Выключатель крышных вентиляторов
- S29, S29.1, S30, S30.1 Кнопки требования остановки инвалидом
- S35 Выключатель остановки двигателя
- S38 Выключатель освещения рабочего места водителя
- S39 Выключатель освещения салона
- S40 Кнопка объявления текущей остановки
- S41 Переключатель остановочного тормоза
- S42 Переключатель разблокирования остановочного тормоза
- S43 Кнопка объявления следующей остановки
- S45 Главный выключатель света
- S46 Кнопка тестирования ABS
- S48 Кнопка удержания автобуса на уклоне
- S50 Бесконтактный конечный выключатель исходного положения рампы для инвалида
- S51 Переключатели управления подвеской
- S58 Выключатель обогрева стекол
- S59 Выключатель обогрева зеркал
- S62 Выключатель отопителей пассажирского салона
- S70 Выключатель тормоза замедлителя
- S71...S74 Датчики тормозных накладок
- S75 Выключатель режимов работы ГМП
- SE60 Выключатель-регулятор подогревателя воздух-воздух
- SB20 Педаль тормоза
- Y1 Электроклапан моторного тормоза
- Y2 Вентиль сиденья водителя
- Y3 Клапан констант-дроссель
- Y5 Вентиль топливного трубопровода
- Y6 Вентиль остановочного тормоза
- Y8 Клапан ЭФУ
- Y9 Электропневмотический клапан управления гидроприводом вентилятора
- Y60 Клапан ASR
- Y61...Y64 Модуляторы ABS
- YE60 Импульсный топливный насос AirTop 2000
- Y67, Y68 Клапан подвески
- Х1, Х3, Х4 Розетка
- Х2 Разъём ПЖД
- Х7 Розетка преобразователя напряжения
- XA4 Разветвитель CAN двигателя OM904LA (Евро 4)
- ХA5 Розетка диагностики двигателя OM 906 LA
- U1 Преобразователь напряжения
Реле и их назначение
- K1 реле стартера
- К2 реле питания +15 на блок управления двигателем
- K3 реле работы генератора
- K4 реле остановочного тормоза
- K5 реле обогрева зеркал
- K6 реле остановки двигателя
- K7 реле контактора
- K8 реле стеклоочистителя
- К9 реле аварийной работы освещения салона и поворотов
- K10 реле обогрева стекол и табло
- K11 реле первой ступени освещения салона
- K12 реле звуковых сигналов
- K13 реле второй ступени освещения салона
- K15 реле отопителя рабочего места водителя, 2скорость
- K16 реле аварийного отключения ПЖД
- K17 реле отопителя рабочего места водителя, 3 скорость
- K18 реле отопителей пассажирского салона, 2 скорость
- K19 реле отопителей пассажирского салона, 1 скорость
- K21 реле отопителей пассажирского салона, 1 скорость
- K22 реле отопителей пассажирского салона, 2 скорость
- K23 реле включения фары дальнего света
- K24 реле отопителя рабочего места водителя, 1 скорость
- K25 реле указателей поворотов левого борта
- K26 реле включения фары ближнего света
- K27 реле сигнала включения стояночного тормоза
- K28 реле указателей поворотов правого борта
- K29 реле габаритных огней (нижних)
- K30 реле противотуманных фар
- K31 реле-прерыватель указателей поворотов
- K33 реле стоп-сигналов
- K34 реле габаритных огней (верхних)
- K35 реле фонарей заднего хода
- K37 реле включения заднего хода
- K38 реле блокировки стартера
- К39 реле стояночного тормоза
- К40 реле остановочного тормоза
- K41 реле крышного вентилятора рабочего места водителя
- K42 реле крышных вентиляторов салона
- K43 реле противотуманных фонарей
- K44 реле крышных вентиляторов салона
- K45 реле аварийного сигнала
- K50 реле управления рампой для инвалида
- К56 реле аварийного выключателя
- К60, К62 реле блока управления двигателем
- К65…К66 реле управления ГМП
- К68,К69 реле блока управления двигателем
- K70 реле звуковых сигналов
- K81, К84…К86 реле управления кнопками требования остановок
- KK4 реле-прерыватель стояночного тормоза
- KK5 реле-прерыватель заднего хода
Предохранители и их назначение
- FU1 7,5 предохранитель питания КИП
- FU2 7,5 предохранитель питания аварийных и контрольных ламп
- FU3 7,5 предохранитель управления приводом дверей
- FU4 10 предохранитель системы зажигания
- FU5 10 предохранитель привода стеклоочистителей
- FU6 7,5 предохранитель радиооборудования
- FU7 7,5 предохранитель питания звуковых сигналов
- FU8 15 предохранитель крышных вентиляторов
- FU9 15 предохранитель обогрева зеркал, стекол и табло
- FU10 7,5 предохранитель ABS/ASR
- FU11 15 предохранитель первой ступени освещения салона
- FU12 20 предохранитель ABS/ASR
- FU13 7,5 предохранитель второй ступени освещения салона
- FU14 25 предохранитель отопителя рабочего места водителя
- FU15 15 предохранитель ABS/ASR
- FU16, FU36 20 предохранитель отопителей пассажирского салона
- FU17 7,5 предохранитель левой фары дальнего света
- FU18 7,5 предохранитель верхних габаритных огней и подсветки приборов
- FU19 15 предохранитель крышных вентиляторов
- FU20 7,5 предохранитель левой фары ближнего света
- FU21 25 предохранитель топливного фильтра двигателя
- FU22 7,5 предохранитель ПЖД
- FU23 7,5 предохранитель правой фары дальнего света
- FU24 7,5 предохранитель противотуманных фар и фонарей
- FU25 7,5 предохранитель указателей поворотов
- FU26 7,5 предохранитель правой фары ближнего света
- FU27 15 предохранитель стоп-сигналов, фонарей заднего хода, осушителя воздуха
- FU28 7,5 предохранитель аварийной световой сигнализации
- FU29 7,5 предохранитель правых габаритных огней
- FU30 7,5 предохранитель дежурного освещения и розеток
- FU31 25 предохранитель питания ПЖД
- FU32 7,5 предохранитель левых габаритных огней
- FU33 7,5 предохранитель цепи тахометра
- FU34 25 предохранитель ПЖД
- FU35 7,5 предохранитель питания ПЖД
- FU36 10 предохранитель воздушного обогревателя
- FU37 5 предохранитель воздушного обогревателя
- FU39 10 предохранитель подсветки инфотабло и освещения выхода
- FU40 7,5 предохранитель радиооборудования
- FU42 25 предохранитель цепей питания блока управления двигателя
- FU43 10 предохранитель цепей питания блока управления двигателя
- FU44 10 предохранитель цепей питания блока управления двигателя
- FU46, FU47 10 предохранители цепей питания блока управления двигателя
- FU48 25 предохранитель питания ЭФУ
- FU49 5 предохранитель блока управления предпускового подогрева
- FU50 15 предохранитель розетки
- FU51 5 предохранитель блока управления гидропривода вентилятора
- FU52 5А предохранитель цепей двигателя
- FU53 7,5 предохранитель фонарей заднего хода
- FU54 20 предохранитель цепей двигателя
- FU55 7,5 предохранитель ГМП
- FU60 5А предохранитель книлинга
- FU61, FU62 7.5 предохранитель ГМП
- FU72 7.5 предохранитель датчиков
- FU75, FU76 7.5 предохранитель системы автоматического пожаротушения
ПРИМЕРЫ СХЕМ (системы электропитания)
с щитком приборов МЭМЗ

с щитком приборов CONTINENTAL

с щитком приборов Точприбор

Все остальные схемы в высоком качестве - доступны только пользователям