Схемы МAN / TGX [ 2024 - ... ], двигатель: Euro 6е - ...
Перечень документов
- AWH Дополнительный водяной обогреватель
- BDM2A Датчик заряда АКБ
- CVM3 Блок управления автомобилем
- DIOC Дворной модуль пассажира
- DIOD Дворной водительский модуль
- DMDC Дисплей камеры правая сторона
- DMDD Дисплей камеры левая сторона
- EAM Система управления воздухом
- EAS Электрогидравлическая система рулевого управления
- EBS9 Электронная тормозная система
- EDC ASMplus + Denoxtronic
- EIO1 (KSM) EIO2 (SoFu)
- EIO3 EPB Управление ручными тормозами
- HVAC Климат-контроль
- ICP Кнопки управления мультимедиа
- ICS Поворотная ручка для управления мультимедиа
- INS3 Приборная панель
- Intarder3 (EST-54)
- LEDHL Левая фара
- LEDHR Право фара
- MMT Мультимедийная система
- RIO2 Электронный модуль рамы
- SD Мультимедийный экран
- SRR5 Радар ближнего действия
- SRRRh Задний радар при повороте направо
- SRRRv Задний радар при повороте налево
- TPMS Система контроля давления в шинах
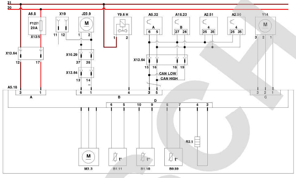
Пример документа "AWH Дополнительный водяной обогреватель"

А18.23 Центральный компьютер
А2.50 Блок управления специальными функциями
А2.51 Блок кузова
А5.18 Дополнительный водяной отопитель
А5.32 Органы управления кондиционером
А6.8 Блок центральной электрики
В1.10 Датчик температуры воды на выходе контура
Bl.ll Датчик температуры воды на входе контура
В9.89 Датчик пламени
F127 Предохранитель клеммы KI30
J23.9 Насос-дозатор топлива
МЗ.З Двигатель внутреннего сгорания
R3.1 Свеча накаливания
Х10.29 Штекерное соединение шасси с кабиной
Х13.64 Промежуточное штекерное соединение
Х19 Разъем рамы
Y14 Водяной насос
Y9.6 H Электромагнитный клапан дополнительного отопления





Вся документация доступна в 135 обновлении