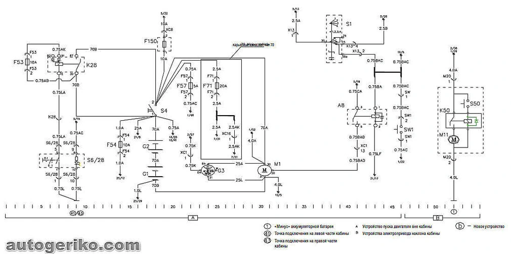
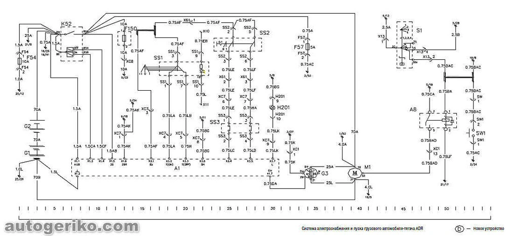
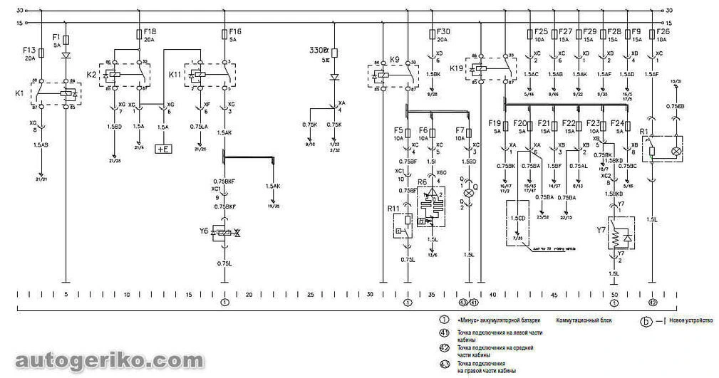
HOWO 7C Схема электрических соединений автомобиля

В электрических цепях автомобиля используется однопроводная схема (для электрических устройств шасси в версии 08 используется двухпроводная схема электрооборудования). Номинальное напряжение в цепях питания составляет 24В, при этом цвета проводников кодируются прописными латинскими буквами, как это показано ниже:

Ниже приведены фрагменты принципиальных электрических схем автомобиля HOWO7C. В соответствии с этими схемами, на
них можно найти информацию по особенностям структуры электрических цепей, перечню компонентов, величинам напряжений, описанию точек подключения «массы» и т.п.

AB 20A Реле стартер
G1, G2 Аккумуляторная батарея
G3 Генератор
M1 Стартер
S1 Выключатель зажигания
S6/28 Выключатель электрического питания
F53 Предохранитель 10A
S4 Механический выключатель питания
K2B Электромагнитный выключатель питания
F53 Предохранитель 10 А
K50 Реле устройства наклона кабины
M11 Электродвигатель устройства наклона кабины
S50 Кнопка наклона кабины
D5 Диод
F54 Предохранитель 10A
F150 Предохранитель 100A
F57 Предохранитель 5A
F71 Предохранитель 20A



Продолжение и все схемы в высоком качестве смотри в