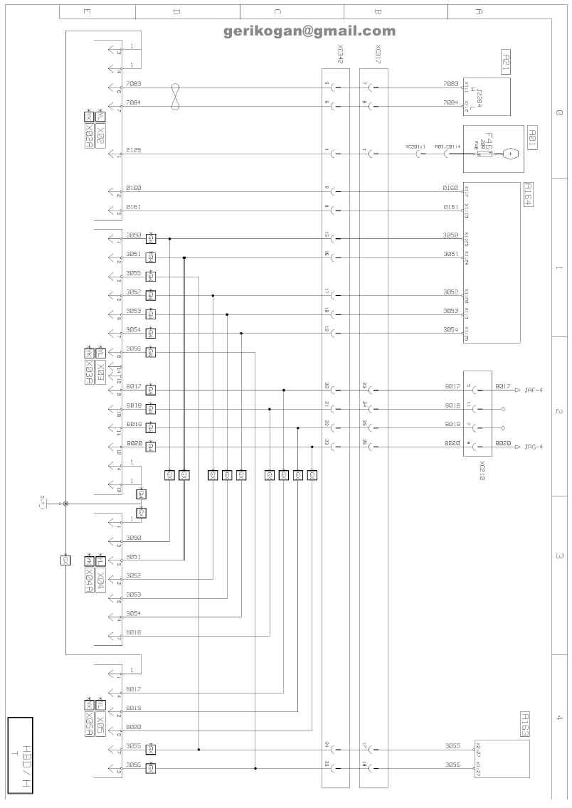
RENAULT Серия T - Схемы подключения прицепа к шасси

- А01 Электрораспределительный блок в кабине
- А21 Электронный блок управления системой торможения (ЕВS)
- А163 Электронный блок управления информацией центральной зоны шасси (ССIOМ)
- А164 Электронный блок управления информацией задней зоны шасси (RСIOМ)
- Х02 АВS/ЕВS 7-контактный разъем для подключения прицепа
- Х02А АВS/ЕВS 7-контактный разъем для подключения прицепа
- Х0З 15-контактный разъем для подключения прицепа
- Х0ЗА 15-контактный разъем для подключения прицепа
- Х04 Разъём прицепа (7-контактный типа 24 N)
- Х04А Разъём прицепа (7-контактный типа 24 N)
- Х05 Разъём прицепа (7-контактный типа 24 S)
- Х05А Разъём прицепа (7-контактный типа 24 S)
GW : с 15-контактным разъёмом прицепа
СХ : с 2-мя 7-контактными разъёмами прицепа
YК : для машин, произведенных после 2017/03/12
YL : для машин, произведенных до 2017/03/12

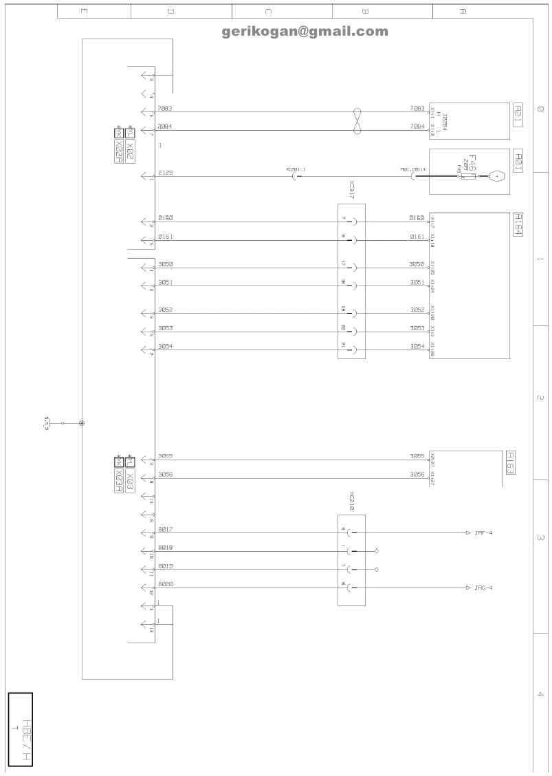
- А01 Электрораспределительный блок в кабине
- А21 Электронный блок управления системой торможения (ЕВS)
- А163 Электронный блок управления информацией центральной зоны шасси (ССIOМ)
- А164 Электронный блок управления информацией задней зоны шасси (RСIOМ)
- Х02 АВS/ЕВS 7-контактный разъем для подключения прицепа
- Х02А АВS/ЕВS 7-контактный разъем для подключения прицепа
- Х0З 15-контактный разъем для подключения прицепа
- Х0ЗА 15-контактный разъем для подключения прицепа
YК : для машин, произведенных после 2017/03/12
YL : для машин, произведенных до 2017/03/12
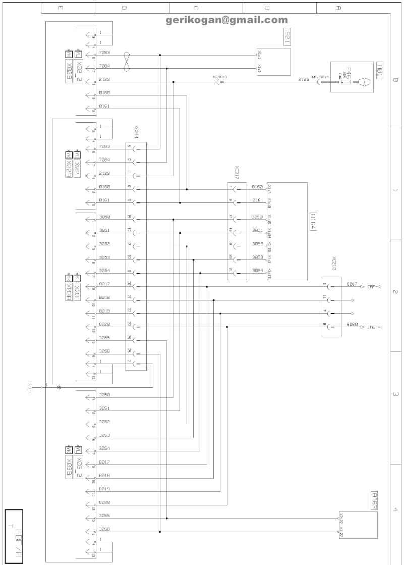
Связь с прицепом - Разъемы для подключения прицепа - Двойного типа

- А01 Электрораспределительный блок в кабине
- А21 Электронный блок управления системой торможения (ЕВS)
- А163 Электронный блок управления информацией центральной зоны шасси (ССIOМ)
- А164 Электронный блок управления информацией задней зоны шасси (RСIOМ)
- Х02 АВS/ЕВS 7-контактный разъем для подключения прицепа
- Х02А АВS/ЕВS 7-контактный разъем для подключения прицепа
- Х02_2 7-контактный разъем АВS/ЕВS для подключения прицепа двойного типа
- Х02В 7-контактный разъем АВS/ЕВS для подключения прицепа двойного типа
- Х0З 15-контактный разъем для подключения прицепа
- Х0ЗА 15-контактный разъем для подключения прицепа
- Х03_2 15-контактный разъем прицепа двойного типа
- Х0ЗВ 15-контактный разъем прицепа двойного типа
YК : для машин, произведенных после 2017/03/12
YL : для машин, произведенных до 2017/03/12